Tuned Performance
January 29, 2018
Original Thread
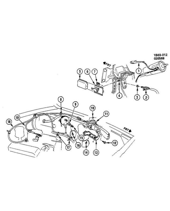
92 Camaro RS 5.0L TBI plastic vacuum linesMore About This Picture
Vehicle
N/A
Location
N/A
Keywords
N/A
Discover More Pictures
See MoreAdvertisement
N/A
N/A
N/A
Be the first to comment on this picture!