Headlights & Interior,Trunk Pull Down Issue
Thread Starter
Junior Member

Joined: Nov 2007
Posts: 16
Likes: 0
From: Raleigh, NC
Car: 1989 Trans AM
Engine: 383
Transmission: 700r4
Headlights & Interior,Trunk Pull Down Issue
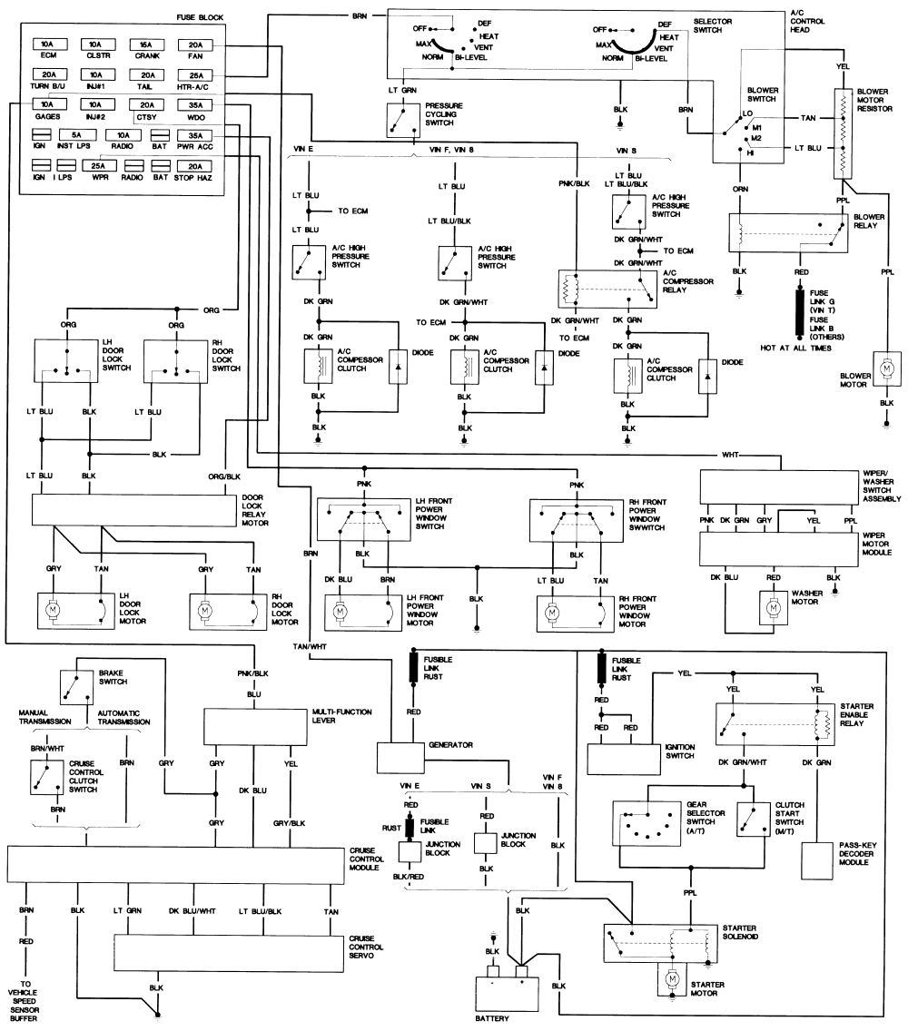
I'm having a Interm. problems with Headlights, Interior lights and trunk pull down motor going in and out. I've narrowed it down to a short in one of the wires in a harness that runs atop my brake booster on the drivers side under the hood. I can jiggle that wiring bundle and cause the lights to go on an off. I've visually inspected wiring in that bundle and don't see any breaks or pinched wires. My question is which colored wire would control the mentioned things that are being effected?
89 GTA
5.7L
89 GTA
5.7L
Thread Starter
Junior Member

Joined: Nov 2007
Posts: 16
Likes: 0
From: Raleigh, NC
Car: 1989 Trans AM
Engine: 383
Transmission: 700r4
Re: Headlights & Interior,Trunk Pull Down Issue
Great...so if I'm looking at this correctly, it looks like a Brown Wire powers those components?
Thread
Thread Starter
Forum
Replies
Last Post
Ghettobird52
Tech / General Engine
16
Jul 5, 2024 11:18 PM
1992 Trans Am
History / Originality
27
May 10, 2023 07:19 PM





