Tech / General Engine Is your car making a strange sound or won't start? Thinking of adding power with a new combination? Need other technical information or engine specific advice? Don't see another board for your problem? Post it here!
Sponsored by:
Sponsored by: CARiD

1982 Trans Am 305 cfi fuel pump issue

Thread Tools
 
Search this Thread
 
Old Jan 16, 2018 | 11:10 AM
  #1  
Keaton's Avatar
Thread Starter
Junior Member
 
Joined: Jan 2018
Posts: 14
Likes: 0
1982 Trans Am 305 cfi fuel pump issue

Hello everyone, I have a 1982 305 cross fire injection Trans Am and I have no power at my fuel pump. I check the fuel pump fuse for power and there's none. I am trying to figure out what my next move is. I want to check the fuel pump relay on the driverside firewall but I don't know which one it is. Any help would be apprieated.
-Keaton
Reply
Old Jan 17, 2018 | 06:54 AM
  #2  
LiveIt!'s Avatar
Member
 
Joined: Nov 2016
Posts: 348
Likes: 0
From: Florida
Car: 1988 Camaro Sport Coupe
Engine: The All-Powerful 2.8l!! :P
Re: 1982 Trans Am 305 cfi fuel pump issue

If you have one, check the 20v fuses next to the battery. You can also try running the pump manually by giving +12v to the G terminal on the ALDL diagnostic port below your dashboard, Terminal G is the square hole on the far bottom left of the ALDL. Try those and let us know if the pump kicks in
Reply
Old Jan 18, 2018 | 12:35 PM
  #3  
Keaton's Avatar
Thread Starter
Junior Member
 
Joined: Jan 2018
Posts: 14
Likes: 0
Re: 1982 Trans Am 305 cfi fuel pump issue

Hey Liveit, I do not have a 20 amp fuse around the battery I've seen on the internet every T/A around 85 and up has it I don't know if the cross fire injection had a different setup? I took a picture of the only thing I have by the battery which is a relay. I jumped the G terminal with a 12v battery because I didn't have a long enough wire to tap into one (I took a photo of that as well) just to clearify I did it correctly but with key on and G terminal hotwired I still don't have any voltage at my fuel pump ( which is currently out of the car; fuel sending unit and pump is plugged into wireharness as it should) I took the fuel pump out because at the time I just figured it was the fuel pump but obviously I'm having either a wiring problem or a relay problem.
Reply
Old Jan 18, 2018 | 12:49 PM
  #4  
Keaton's Avatar
Thread Starter
Junior Member
 
Joined: Jan 2018
Posts: 14
Likes: 0
Re: 1982 Trans Am 305 cfi fuel pump issue

Only thing around battery, raditator, etc is this relay but no fuse.
Connection at G terminal (read 12 volts eoth volt meter but fuel pump connecter still reads 0v.

Last edited by Keaton; Apr 4, 2024 at 09:14 PM.
Reply
Old Jan 18, 2018 | 08:39 PM
  #5  
LiveIt!'s Avatar
Member
 
Joined: Nov 2016
Posts: 348
Likes: 0
From: Florida
Car: 1988 Camaro Sport Coupe
Engine: The All-Powerful 2.8l!! :P
Re: 1982 Trans Am 305 cfi fuel pump issue

You need to run the +12v from your car's battery, when I did this on my car I just used a wire stripped from a piece of outdoor extension cord worked fine for troubleshooting hahahaha
I'll try to find a 1982 specific wiring diagram for you in the meantime
Reply
Old Jan 18, 2018 | 10:09 PM
  #6  
LiveIt!'s Avatar
Member
 
Joined: Nov 2016
Posts: 348
Likes: 0
From: Florida
Car: 1988 Camaro Sport Coupe
Engine: The All-Powerful 2.8l!! :P
Re: 1982 Trans Am 305 cfi fuel pump issue

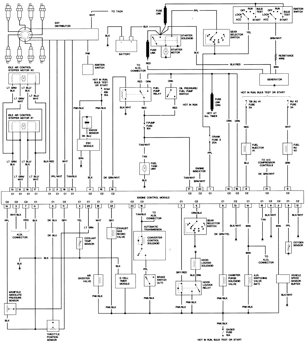
Here's a wiring diagram for a 1982 305 w/ CrossFire injection! Doing the +12V to terminal G will completely bypass the relay system and force the pump to run as long as the 10A fuse is good and the pump works. If this works, go to your fuel pump relay located on the firewall by the driver's side fender, it's like rectangular but will have 5 wires running into it: red, red, orange, black/white, and green/white. Pop the relay out and check the orange wire for +12v, be sure your neg on your multimeter is on a good battery ground. it should have voltage from the battery at all times.
Reply
Old Jan 19, 2018 | 09:46 AM
  #7  
Keaton's Avatar
Thread Starter
Junior Member
 
Joined: Jan 2018
Posts: 14
Likes: 0
Re: 1982 Trans Am 305 cfi fuel pump issue

Right on thanks very much I'll test what I gotta test and I'll be back in touch with what I figured out! I appreciate the help thank you
Reply
Old Jan 19, 2018 | 06:17 PM
  #8  
LiveIt!'s Avatar
Member
 
Joined: Nov 2016
Posts: 348
Likes: 0
From: Florida
Car: 1988 Camaro Sport Coupe
Engine: The All-Powerful 2.8l!! :P
Re: 1982 Trans Am 305 cfi fuel pump issue

No problem! Let us know what you find
Reply
Old Feb 19, 2018 | 08:16 PM
  #9  
Keaton's Avatar
Thread Starter
Junior Member
 
Joined: Jan 2018
Posts: 14
Likes: 0
Re: 1982 Trans Am 305 cfi fuel pump issue

I used a hotwire from the car to the terminal G and got power to both the fuel pump fuse and connecter so I decided to see if the oil pressure switch around the back of the intake has power on the orange wire and it did as well. I turn the key with no hotwire and I can feel the relay click what am I missing here? Still no power to fuse without hot wire.

Last edited by Keaton; Apr 4, 2024 at 09:14 PM.
Reply
Old Feb 19, 2018 | 08:58 PM
  #10  
Keaton's Avatar
Thread Starter
Junior Member
 
Joined: Jan 2018
Posts: 14
Likes: 0
Re: 1982 Trans Am 305 cfi fuel pump issue

.

Last edited by Keaton; Apr 4, 2024 at 09:16 PM.
Reply
Old Feb 20, 2018 | 10:35 AM
  #11  
LiveIt!'s Avatar
Member
 
Joined: Nov 2016
Posts: 348
Likes: 0
From: Florida
Car: 1988 Camaro Sport Coupe
Engine: The All-Powerful 2.8l!! :P
Re: 1982 Trans Am 305 cfi fuel pump issue

I think the "Hot in Run" is talking about the wire going to the crank fuse, the red wire should be hot after the engine has cranked long enough to build up oil pressure and close the switch. It's kinda like a backup for the fuel pump relay. If you ran a hot wire from your car's battery to Terminal G right the pump should've kicked on regardless of the oil sensor or anything else, unless the fuel pump fuse or the pump is bad. Did it kick on with the hotwire? Any humming from the tank?
Reply
Old Feb 20, 2018 | 11:10 AM
  #12  
Keaton's Avatar
Thread Starter
Junior Member
 
Joined: Jan 2018
Posts: 14
Likes: 0
Re: 1982 Trans Am 305 cfi fuel pump issue

I didn't know what to make of that because my cars oil pressure switch has 3 wires I noticed some T/As have just 1. Like I said though a long while ago I have the tank out of the car at the moment because at the time I thought the fuel pump was out so at this point I'm just checking voltages at the sending unit to verify I have no voltage without hotwiring terminal G. When I do hotwire terminal G I have voltage to both my fuel pump fuse and the sending unit that attaches to the fuel pump. When I turn my key I can feel my fuel pump relay click on so that should tell me that the relay is good
Reply
Old Feb 20, 2018 | 12:55 PM
  #13  
LiveIt!'s Avatar
Member
 
Joined: Nov 2016
Posts: 348
Likes: 0
From: Florida
Car: 1988 Camaro Sport Coupe
Engine: The All-Powerful 2.8l!! :P
Re: 1982 Trans Am 305 cfi fuel pump issue

That's weird then, you said you had power to the orange wire on the oil pressure switch and it looks like the same wire also powers the FP relay, so you should have power there and if the relay is working it should send power to the pump. Did you check for 12v at the relay?
Reply
Old Feb 20, 2018 | 01:14 PM
  #14  
Keaton's Avatar
Thread Starter
Junior Member
 
Joined: Jan 2018
Posts: 14
Likes: 0
Re: 1982 Trans Am 305 cfi fuel pump issue

Only checked orange wire like you suggested and it had 12v
Reply
Old Feb 25, 2018 | 01:12 PM
  #15  
LiveIt!'s Avatar
Member
 
Joined: Nov 2016
Posts: 348
Likes: 0
From: Florida
Car: 1988 Camaro Sport Coupe
Engine: The All-Powerful 2.8l!! :P
Re: 1982 Trans Am 305 cfi fuel pump issue

Sorry for late reply, so at the fuel pump relay the orange wire should always have 12v, the dark green/white wire should have 12v with the key on. That should activate the relay and send power out to the line for the pump. Try testing the fuel pump power line from the relay RIGHT where it leaves the relay, just to be sure. If everything above checks out, and there's no power going to the fp, something's probably up with the relay.
Reply
Old Mar 1, 2018 | 02:09 PM
  #16  
Keaton's Avatar
Thread Starter
Junior Member
 
Joined: Jan 2018
Posts: 14
Likes: 0
Re: 1982 Trans Am 305 cfi fuel pump issue

I'm having a relay shipped I'll let you know if it solved my problem. Thanks for sticking with it I'll have it in the mail soon. -Keaton
Reply
Old Mar 2, 2018 | 03:11 PM
  #17  
LiveIt!'s Avatar
Member
 
Joined: Nov 2016
Posts: 348
Likes: 0
From: Florida
Car: 1988 Camaro Sport Coupe
Engine: The All-Powerful 2.8l!! :P
Re: 1982 Trans Am 305 cfi fuel pump issue

Alright, keep us posted!
Reply
Related Topics
Thread
Thread Starter
Forum
Replies
Last Post
edward92
TBI
6
Feb 7, 2020 08:05 AM
mph870
Tech / General Engine
8
Jun 8, 2012 06:11 AM
tpi90rs
Tech / General Engine
10
Feb 17, 2010 12:05 PM
M@88iroc
Electronics
2
Dec 26, 2006 04:40 PM




All times are GMT -5. The time now is 09:18 PM.