Third Generation F-Body Message Boards
  • LOG IN
  • REGISTER
  • Forums
    • Tech Boards
      • Aftermarket Product Review
      • Aftermarket Vendor Review
      • Auto Detailing and Appearance
      • Body
      • Interior
      • Car Audio
      • Carburetors
      • Cooling
      • Convertibles
      • DIY PROM
      • DFI and ECM
      • Electronics
      • Exhaust
      • History / Originality
      • Engine Swap
      • Fabrication
      • Tech / General Engine
      • TPI
      • TBI
      • Alternative Port EFI Intakes
      • Power Adders
      • Transmissions and Drivetrain
      • Suspension and Chassis
      • Brakes
      • Wheels and Tires
      • V6
      • FAQ Board
    • Racing Boards
      • Organized Drag Racing and Autocross
      • Theoretical and Street Racing
    • Regional Boards
      • Mid-Atlantic Region
      • North East Region
      • South East Region
      • South West Region
      • Mid-West Region
      • Pacific Northwest Region
      • Northern Great Plains and Rocky Mountains
      • NW Indiana and South Chicago Suburbs
      • South Central Region
      • Northern California
      • Southern California Area
      • Canadian Region
      • Third Gen Association of Ontario
      • European Region
      • Pacific Region
      • Third Gen Expo
    • Site Boards
      • Problems / Help / Suggestions / Comments
      • Signature Pictures and PhotoShop Requests
      • Memorial Board
    • Group Purchase Board
      • Group Purchases
    • Classified Boards
      • Sponsored Vendors
      • Cars for Sale
      • Cars Wanted
      • Parts for Sale
      • Parts Wanted
      • LSX and LTX Parts
      • Miscellaneous Third Gen Items!
      • Classified Ads Feedback Board
  • News
  • Marketplace
    • Vendor Directory
    • Become a Vendor
  • New Posts
  • Tools
    • Car Payment Calculator
    • Tire Rim Calculator
    • Vin Decoder
    • Recalls
    • Members List
    • Live Feed
  • How-Tos
  • Gallery
  • Tech Data
    • Camaro
      • 1982 Camaro
      • 1983 Camaro
      • 1984 Camaro
      • 1985 Camaro
      • 1986 Camaro
      • 1987 Camaro
      • 1988 Camaro
      • 1989 Camaro
      • 1990 Camaro
      • 1991 Camaro
      • 1992 Camaro
    • Firebird
      • 1982 Firebird
      • 1983 Firebird
      • 1984 Firebird
      • 1985 Firebird
      • 1986 Firebird
      • 1987 Firebird
      • 1988 Firebird
      • 1989 Firebird
      • 1990 Firebird
      • 1991 Firebird
      • 1992 Firebird
  • Media
    • Sales Articles
    • Magazine Articles
  • View Dark Mode
    • Please register or login to enable Dark Mode.
  • Log In
  • Register
Third Generation F-Body Message Boards
    • Threads
      • Advanced
Dark Mode

Please register or login to enable Dark Mode.

Log In

Forgot your Password?

By logging into your account, you agree to our Terms of Use and Privacy Policy, and to the use of cookies as described therein.
or
  • Recent
  • Commented
  • Albums
  • My Pictures

1LELS7's Photos

View Profile
Sort:
Commented
  • Most Recent
  • Most Comments
  • Albums
  • Photos
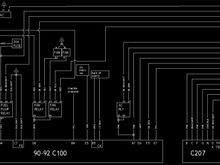
So according to this print. You can only access the speedo from the c207? Is that correct? The rest have to come from the c100? If that’s the case I’ll have to loop back around back inside the car where my loose wires are. Correct me if I’m wrong
So according to this print. You can only access the speedo from the c207? Is that correct? The rest have to come from the c100? If that’s the case I’ll have to loop back around back inside the car where my loose wires are. Correct me if I’m wrong
0 2024/09/22 14:37:38 1LELS7
0 2024/09/22 14:36:43 1LELS7
0 2024/09/21 23:29:21 1LELS7
0 2024/09/21 23:29:15 1LELS7
0 2024/09/21 23:29:09 1LELS7
0 2024/09/21 23:29:04 1LELS7
0 2024/09/21 23:29:00 1LELS7
0 2024/09/21 23:28:55 1LELS7
0 2024/09/21 23:28:48 1LELS7
0 2024/09/21 23:28:42 1LELS7
0 2024/09/21 23:28:35 1LELS7
 
First
Page
3 of 3
Last
Go To
Page
  • 1
  • 2
  • 3
3 of 3
Go To GO
Go to page of 3 pages
  • 1
  • 2
  • 3

Top
Third Generation F-Body Message Boards
  • Contact Us
  • FAQ
  • Advertising
  • Cookie Policy
  • Privacy Statement
  • Terms of Service
  • Your Privacy Choices
  • Manage Preferences

© 2026 MH Sub I, LLC dba Internet Brands

Follow Us      



When you click on links to various merchants on this site and make a purchase, this can result in this site earning a commission. Affiliate programs and affiliations include, but are not limited to, the eBay Partner Network.