HELP!
HELP!
Ok-
Some of you know that I have a serious wiring hack problem left from the last owner. Ive been spinning my wheels trying to figure out what goes to what.
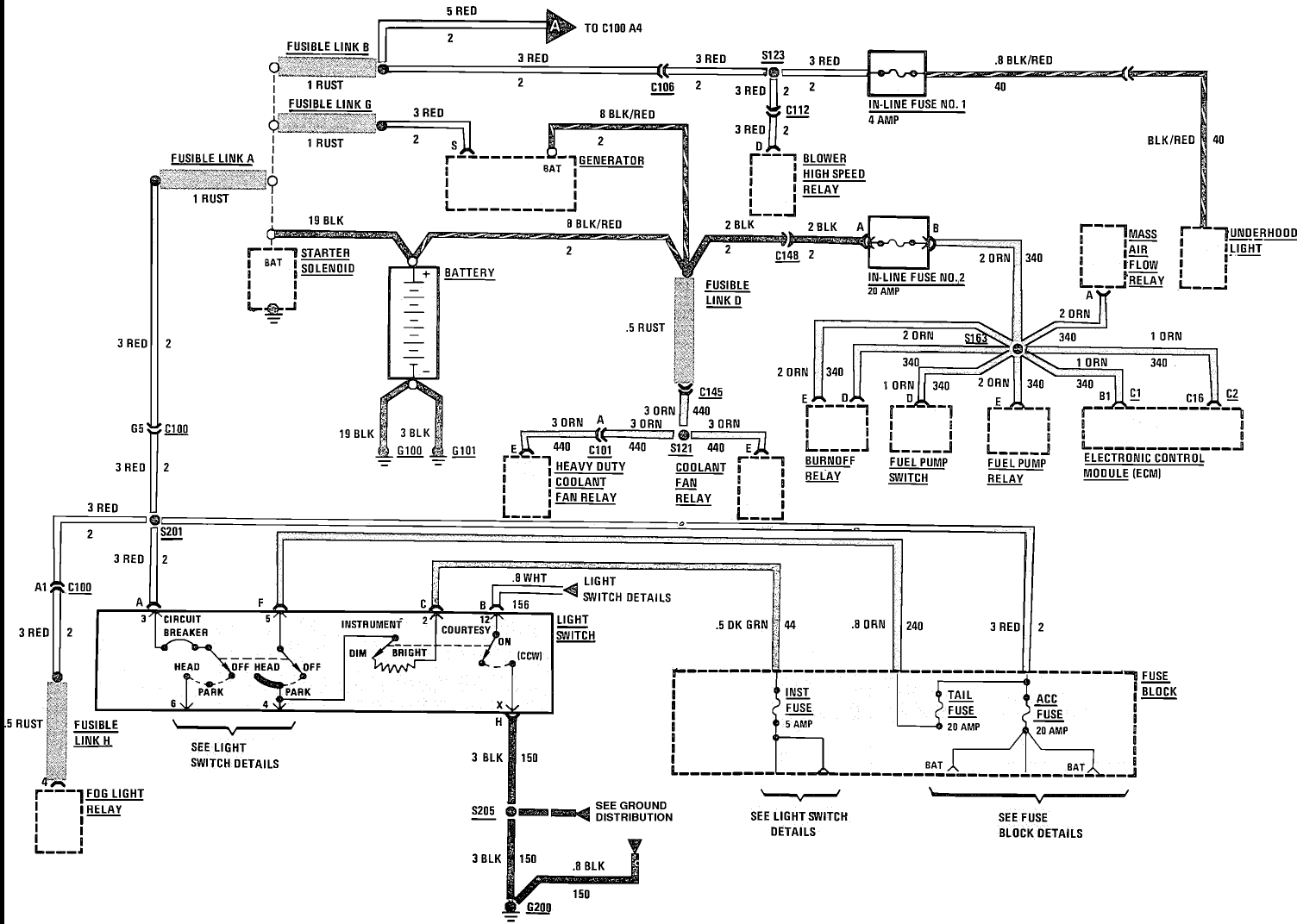
What I need, is, for someone with a TPI car, PASSENGER SIDE BATTERY, to take detailed pictures of a back w/ red stripe wire that runs off the postive battery cable. I need to see where each connection goes, whether or not it has a fuseable link, how long it may be, a descripton.
Aside from the cut mass air wire, that is the only thing holding me back from getting the car started. Im starting to get frustrated with broken promises of people saying that they'll get me pics or w/e.
Even Hawks dropped the ball on this one. Dave Strabulli has been GREAT in trying to help me figure this out.
HELP! PLEASE!
Some of you know that I have a serious wiring hack problem left from the last owner. Ive been spinning my wheels trying to figure out what goes to what.
What I need, is, for someone with a TPI car, PASSENGER SIDE BATTERY, to take detailed pictures of a back w/ red stripe wire that runs off the postive battery cable. I need to see where each connection goes, whether or not it has a fuseable link, how long it may be, a descripton.
Aside from the cut mass air wire, that is the only thing holding me back from getting the car started. Im starting to get frustrated with broken promises of people saying that they'll get me pics or w/e.
Even Hawks dropped the ball on this one. Dave Strabulli has been GREAT in trying to help me figure this out.
HELP! PLEASE!
Senior Member
Joined: Oct 2003
Posts: 942
Likes: 0
From: LaGrange (10min from Poughkeepsie), NY
Car: 1992 Camaro RS - not real slow anymore...
Engine: SPDC 360 MAF EFI /w a Holley Stealth Ram
Transmission: T5 untill it blows up from to much torque
Axle/Gears: Ford 9" /w auburn pro & 3.89's
I can't give you a picture. But here is a diagram. If you know where the wire has to go, you can find what you're looking for...



