got a hatch release problem
Thread Starter
Senior Member
iTrader: (2)
Joined: Aug 2004
Posts: 688
Likes: 0
From: va fairfax
Car: 85 camaro z28
Engine: 305
Transmission: auto to manaul
got a hatch release problem
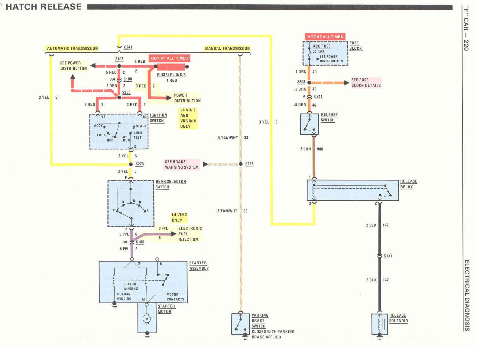
my hatch wont open when i hit the buttion. the buttion has power and good connection. so i check the relay connector. if i jump it, the hatch will open. i only have power on the buttion side. the yellow wire (look at the wire diagram) connects where to get power? it only show c241 not sure wheres that located
Joined: Aug 1999
Posts: 5,259
Likes: 459
From: RI
Car: 1984 Camaro Berlinetta
Engine: LT1
Transmission: T56 6-speed
Axle/Gears: 4.11 LS1 Rear End
Re: got a hatch release problem
IIRC the hatch release wiring is different from an auto to a manual. I saw in your sig that you'r converting and wonder if that's the problem !?!?
I can recall the manual hatch release being pretty straight forward, but the automatic set-up ran thru the starter or something wierd like that. I know that sounds nuts - so I'll look into it a little later to see if I can figure it out !

Edit: Here's the Diagram so you can trace the wiring !!
I can recall the manual hatch release being pretty straight forward, but the automatic set-up ran thru the starter or something wierd like that. I know that sounds nuts - so I'll look into it a little later to see if I can figure it out !

Edit: Here's the Diagram so you can trace the wiring !!
Last edited by John in RI; Nov 25, 2007 at 08:25 AM.
Thread Starter
Senior Member
iTrader: (2)
Joined: Aug 2004
Posts: 688
Likes: 0
From: va fairfax
Car: 85 camaro z28
Engine: 305
Transmission: auto to manaul
Re: got a hatch release problem
stupid me. i accidently wire it to my clutch safety switch to work. just gotta put my foot on the pedal to start my car or 4 the hatch release lol.
Senior Member
Joined: Nov 2006
Posts: 651
Likes: 0
From: Adelaide, Australia.
Car: 1984 Trans-Am WS6
Engine: WAS: 5.0HO, SOON: ZZ383-425HP.
Transmission: 700R4 with shift kit
Re: got a hatch release problem
lol nice!
Extra security from people stealing ya sound system.
Extra security from people stealing ya sound system.
Supreme Member
Joined: Jun 2005
Posts: 1,800
Likes: 2
From: Bremerton, WA
Car: 1992 RS / 1989 RS
Engine: 3.1L MFI / Vortec 383 TBI
Transmission: T5 / LS-T56
Axle/Gears: 3.42 open / 3.73 Eaton posi
Re: got a hatch release problem
I don't know how many times I've been called by a car service center when they wanted to put parts and such in the hatch. "How do you open your hatch? The key doesn't work and neither does the release on the console." To that I would reply, "Did you set the parking brake?"
On the manual cars, the hatch is tied to the park brake, and, in my case, the key doesn't work either.
On the manual cars, the hatch is tied to the park brake, and, in my case, the key doesn't work either. Thread
Thread Starter
Forum
Replies
Last Post
Street Lethal
Power Adders
634
Apr 30, 2019 12:14 PM







