Resurrected TAILLIGHTS!!! Everyone read!
Thread Starter
Junior Member
Joined: Apr 2008
Posts: 55
Likes: 0
From: Hinesville, GA
Car: 88 Iroc
Engine: 5.0 TBI
Transmission: 700R4
Resurrected TAILLIGHTS!!! Everyone read!
First let me start by saying that this website is the best!!!
I have been searching high and low to find out why my tail lights wouldn't work. Symptoms: Headlights were good and everytime I put a fuze in and turned the lights on it would blow the taillights immediately.
After heeding the advice of many of the members on here, I checked and replaced the fusible links at the starter. Great tip!!! However, not my problem. I came home and searched for hours for another answer.
I found a thread that a guy said he had replaced his stereo with an aftermarket. When his brother did this he grounded the stereo to a DARK BROWN wire under the dash.
I pulled the stereo out and low and behold the ground was hooked up to the same DARK BROWN wire. I cut the wire and replaced the taillight fuze and the tailights worked.
When I installed my stereo I did it in the shade and it looked black. In the sun it was even hard to tell.
Bottom line is my taillights work as good as new. Thanks for all of the tips and I hope that this works for atleast one person.
I have been searching high and low to find out why my tail lights wouldn't work. Symptoms: Headlights were good and everytime I put a fuze in and turned the lights on it would blow the taillights immediately.
After heeding the advice of many of the members on here, I checked and replaced the fusible links at the starter. Great tip!!! However, not my problem. I came home and searched for hours for another answer.
I found a thread that a guy said he had replaced his stereo with an aftermarket. When his brother did this he grounded the stereo to a DARK BROWN wire under the dash.
I pulled the stereo out and low and behold the ground was hooked up to the same DARK BROWN wire. I cut the wire and replaced the taillight fuze and the tailights worked.
When I installed my stereo I did it in the shade and it looked black. In the sun it was even hard to tell.
Bottom line is my taillights work as good as new. Thanks for all of the tips and I hope that this works for atleast one person.
Senior Member
Joined: May 2003
Posts: 800
Likes: 0
From: New Jersey
Car: 87 Black Formula
Engine: Rollercammed Lg4
Transmission: 700R4
Axle/Gears: 3.23 10 Bolt Locker
Re: Resurrected TAILLIGHTS!!! Everyone read!
Well, the lesson in this matter should be that alll GROUNDS, go directly to chassis, bare steel, not some wire.
Junior Member
Joined: Aug 2005
Posts: 58
Likes: 0
From: Northwest Indiana
Car: 1987 LT Camaro
Engine: Empty at the moment
Transmission: thats out too
Axle/Gears: 4.11
Re: Resurrected TAILLIGHTS!!! Everyone read!
i believe the dark brown wire has something to do with illumination. A buddy of mine wired my radio up to it in my sonoma and burnt my whole inside harness(it is not a ground wire) you have been warned lol
Thread Starter
Junior Member
Joined: Apr 2008
Posts: 55
Likes: 0
From: Hinesville, GA
Car: 88 Iroc
Engine: 5.0 TBI
Transmission: 700R4
Re: Resurrected TAILLIGHTS!!! Everyone read!
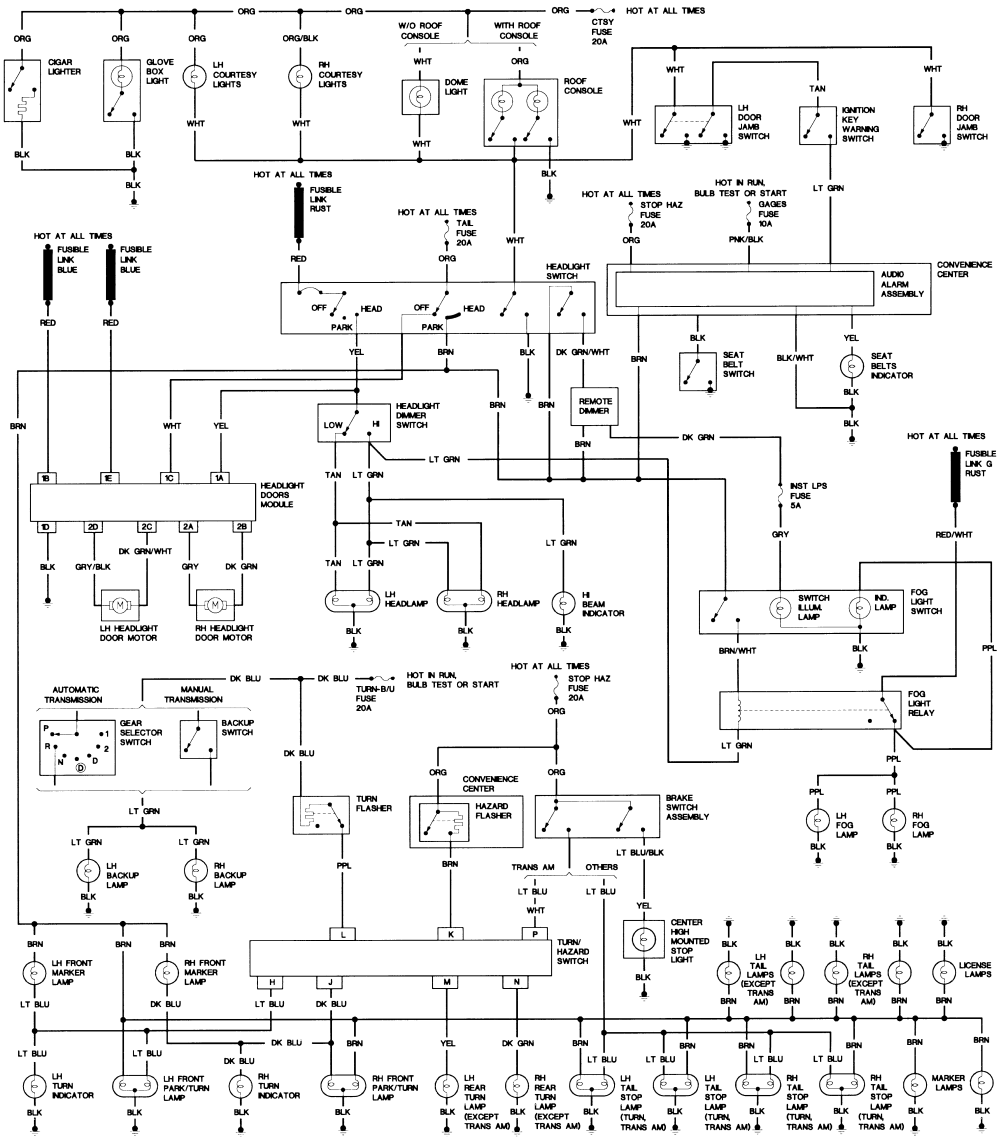
The brown wire is either a positive or ground for the headlights. The link below is the wiring schematic for my 88 Camaro.
Did you get your lights working, yet?
http://www.austinthirdgen.org/mkport...ody_wiring.gif
Did you get your lights working, yet?
http://www.austinthirdgen.org/mkport...ody_wiring.gif
Member
iTrader: (1)
Joined: Feb 2007
Posts: 222
Likes: 0
From: Toronto
Car: 84 Z28
Engine: 350
Transmission: 700R4
Re: Resurrected TAILLIGHTS!!! Everyone read!
The brown wire is either a positive or ground for the headlights. The link below is the wiring schematic for my 88 Camaro.
Did you get your lights working, yet?
http://www.austinthirdgen.org/mkport...ody_wiring.gif
Did you get your lights working, yet?
http://www.austinthirdgen.org/mkport...ody_wiring.gif
i havnt tried yet, the weather here is is WAY to cold to be messing with wires, but im having the exact problem as mentioned by OP, as soon as i pull the light **** the fuse blows for the tails but the headlights still work, and i did recently hook up an aftermarket radio, i will post back in the next couple days when i get a chance to check this.
Supreme Member
Joined: Apr 2007
Posts: 1,087
Likes: 1
From: St. Petersburg, FL
Car: 88 Camaro
Engine: 305 TBI
Transmission: 700-R4
Axle/Gears: 2.73
Re: Resurrected TAILLIGHTS!!! Everyone read!
I would personally like to Bslap the idiot at GM who put that wire in the entertainment area.
Trending Topics
Junior Member
Joined: Aug 2005
Posts: 58
Likes: 0
From: Northwest Indiana
Car: 1987 LT Camaro
Engine: Empty at the moment
Transmission: thats out too
Axle/Gears: 4.11
Re: Resurrected TAILLIGHTS!!! Everyone read!
the brown wire in the radio should show up as a ground while the headlights are off. When the headlights are on the brown wire is live. i believe the wire was there for the original wire used as some sort of back light when the headlights were turned on.
Member
iTrader: (1)
Joined: Feb 2007
Posts: 222
Likes: 0
From: Toronto
Car: 84 Z28
Engine: 350
Transmission: 700R4
Re: Resurrected TAILLIGHTS!!! Everyone read!
ok so if i find another ground this should work ? or do i also have to connect the brown wire for this to work ?
Member
iTrader: (1)
Joined: Feb 2007
Posts: 222
Likes: 0
From: Toronto
Car: 84 Z28
Engine: 350
Transmission: 700R4
Re: Resurrected TAILLIGHTS!!! Everyone read!
ok got a chance to try this today, i found a new ground and just taped up the brown one, and the lights tunred on fine without blowing any fuses, BUT i cant get my brake lights to work any ideas ? all the others work fine except no brakes lights and the bulbs are fine..
Junior Member
Joined: Aug 2005
Posts: 58
Likes: 0
From: Northwest Indiana
Car: 1987 LT Camaro
Engine: Empty at the moment
Transmission: thats out too
Axle/Gears: 4.11
Re: Resurrected TAILLIGHTS!!! Everyone read!
I am not sure were the ground is for the tail lights maybe look into that. also if you have a test light turn you headlights on and see if you are getting power to them. in order to do this you are going to have to take atleast one of your taillights off your car. and good that you just taped up that brown wire. i melted my whole harness in my truck when i had that brown wire connected. i ended up junking that truck because of it.
Senior Member
Joined: Apr 2008
Posts: 368
Likes: 0
From: O'Neill NE
Car: 83 Z28 Camaro
Engine: 305
Transmission: 5 Speed manual
Axle/Gears: 3.73
Re: Resurrected TAILLIGHTS!!! Everyone read!
when connecting a cd player its not hard when i installed mine the dumb *** who installed his last time didn't have a wire harness... so i had to cut all the wires off the old cd player to my new one... and i never done this before.. but all i did was connect the the wires with the same color...
Thread
Thread Starter
Forum
Replies
Last Post





