1987 iroc-z wirings in car
1987 iroc-z wirings in car
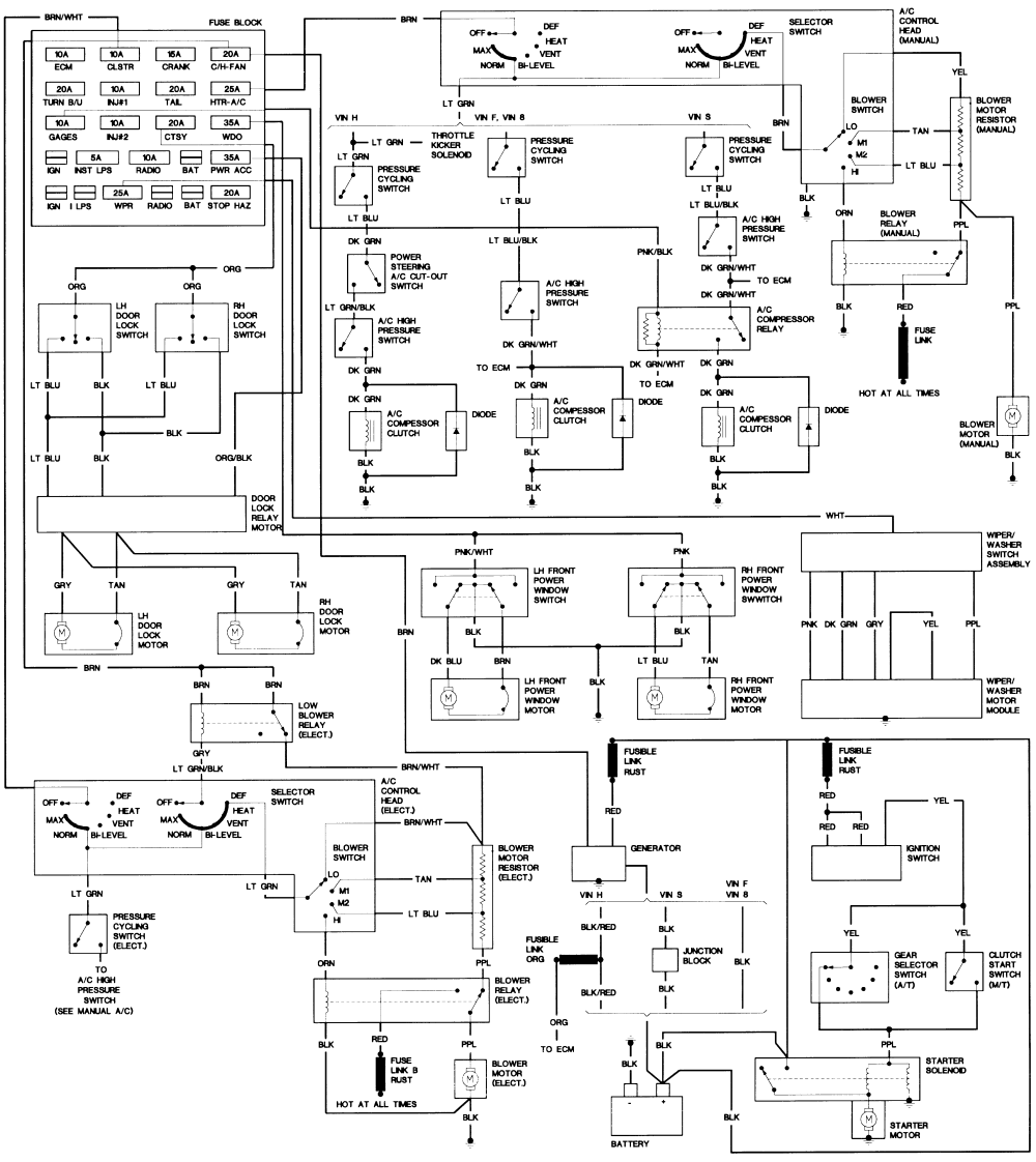
Hello, i bought 1987 iroc-z and the previous owners had thrown away the wiring harnesses which is under dash and floor carpet. Do some body have pictures about the wirings in car and wiring diagrams? I appreciate about help and sorry about my bad english, i am from finland
Joined: Dec 2004
Posts: 16,752
Likes: 996
From: Mile High Country !!!
Car: 1967 Camaro, 91 z28
Engine: Lb9
Transmission: M20
Axle/Gears: J65 pbr on stock posi 10bolt
Re: 1987 iroc-z wirings in car
A service manual on cd might be the best way to get information
Supreme Member

Joined: Jan 2008
Posts: 1,332
Likes: 565
Car: 1986 IROC Z
Engine: 5.0 TPI
Transmission: 700R4
Axle/Gears: 3.23 Posi
Re: 1987 iroc-z wirings in car
Hello, i bought 1987 iroc-z and the previous owners had thrown away the wiring harnesses which is under dash and floor carpet. Do some body have pictures about the wirings in car and wiring diagrams? I appreciate about help and sorry about my bad english, i am from finland 

Re: 1987 iroc-z wirings in car
Hello, i bought 1987 iroc-z and the previous owners had thrown away the wiring harnesses which is under dash and floor carpet. Do some body have pictures about the wirings in car and wiring diagrams? I appreciate about help and sorry about my bad english, i am from finland 

Thread
Thread Starter
Forum
Replies
Last Post











