DFI and ECM Discuss all aspects of DFI (Digital Fuel Injection), ECMs (Electronic Control Module), scanners, and diagnostic equipment. Fine tune your Third Gen computer system for top performance.

3rdgen 305 engine engine running to fast on idle

Thread Tools
 
Search this Thread
 
Old Aug 9, 2019 | 12:40 AM
  #1  
palysell's Avatar
Thread Starter
Junior Member
 
Joined: May 2019
Posts: 5
Likes: 0
From: Arendal, Norway
Car: 1984 camaro z28 autoform
Engine: 305
Transmission: Th700r4 automatic
3rdgen 305 engine engine running to fast on idle

Hey
My engine works fine , no fault code but after a 30 min drive the idle speed change from 600rpm to 1250 rpm The only «fault» i found is the electrical actuator on the carburator is active an push the speed arm I remove the wire to the actuator and the idel speed change to 600rpm. What is wrong ,and what do i need to replace. Looking forward to any advice
Cheers
Per Norway
Reply
Old Aug 9, 2019 | 06:54 AM
  #2  
RBob's Avatar
Moderator
iTrader: (1)
 
Joined: Mar 2002
Posts: 18,432
Likes: 233
From: Chasing Electrons
Car: check
Engine: check
Transmission: check
Re: 3rdgen 305 engine engine running to fast on idle

IIRC, that solenoid is relay activated by the ECM, likely has something to do with the A/C being on.

RBob.
Reply
Old Aug 9, 2019 | 08:16 AM
  #3  
palysell's Avatar
Thread Starter
Junior Member
 
Joined: May 2019
Posts: 5
Likes: 0
From: Arendal, Norway
Car: 1984 camaro z28 autoform
Engine: 305
Transmission: Th700r4 automatic
Re: 3rdgen 305 engine engine running to fast on idle

Which part of the A/C system does activate the solanaid on the carburator (switch ? Or sensor ?)
Please spesify and i will check it out
when the engine was running i does not use A/C But may have the fan running .i.e heating (it is low temp in Norway now9

Last edited by palysell; Aug 9, 2019 at 11:10 AM. Reason: Adding more info
Reply
Old Aug 10, 2019 | 11:04 AM
  #4  
RBob's Avatar
Moderator
iTrader: (1)
 
Joined: Mar 2002
Posts: 18,432
Likes: 233
From: Chasing Electrons
Car: check
Engine: check
Transmission: check
Re: 3rdgen 305 engine engine running to fast on idle

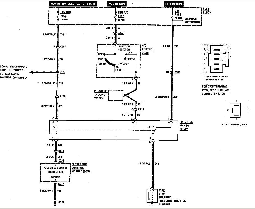
I have no idea if this diagram is correct or not. It looks like the throttle kicker is active on cold start until the ECM enables the relay. Which puts the idle kicker under control of the A/C system:



RBob.
Reply
Old Aug 12, 2019 | 01:10 PM
  #5  
palysell's Avatar
Thread Starter
Junior Member
 
Joined: May 2019
Posts: 5
Likes: 0
From: Arendal, Norway
Car: 1984 camaro z28 autoform
Engine: 305
Transmission: Th700r4 automatic
Re: 3rdgen 305 engine engine running to fast on idle

I have now CHECKED And the reason for 1250 RPM IS use of A/C
thanks for your help RBOB
Reply
Related Topics
Thread
Thread Starter
Forum
Replies
Last Post
blackztpi
Exhaust
6
Feb 11, 2004 02:13 PM
Jurrel
Carburetors
1
Feb 1, 2003 02:13 PM
Chop_Top
DIY PROM
2
Feb 19, 2002 07:11 PM
liquidinferno
Third Gen Association of Ontario
7
Sep 28, 2001 11:21 PM




All times are GMT -5. The time now is 06:59 AM.