BROWN WIRE ON HEADLIGHT SWITCH
Thread Starter
Junior Member
Joined: Mar 2010
Posts: 7
Likes: 0
From: Detroit, MI
Car: 84 Z-28
Engine: 396
Transmission: th400
BROWN WIRE ON HEADLIGHT SWITCH
hi i have a 84 z28 and the dash wiring was all tore apart well after a few hour and some wiring diagrams i got it 90% done all the lights work the hatch pops two problems the windows dont roll down havent looked at it yet but im sure i can figure it out the problem i have is there is a heavy gauge brown wire coming off the headlight switch and it has a orange wire connected to it both wires are cut and i dont know where they go the wiring diagram dont show this wire in the connector any ideas ill post some pics tomorrow if it helps
Supreme Member
Joined: Sep 2002
Posts: 9,192
Likes: 20
From: Cary, North Carolina
Car: 1992 RS
Engine: Carbed 350
Transmission: 700R4
Axle/Gears: 3.42 posi
Re: BROWN WIRE ON HEADLIGHT SWITCH
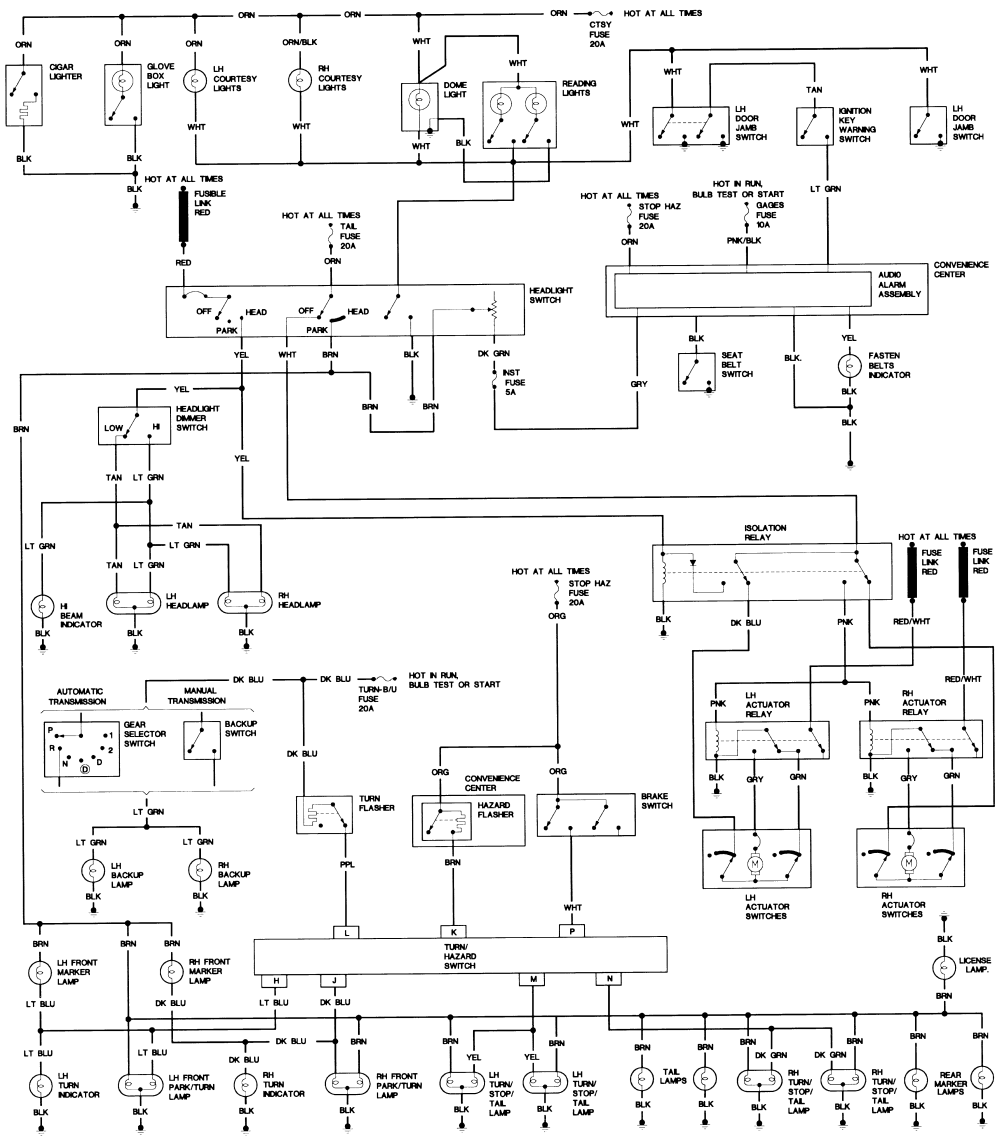
Did you look here: http://www.austinthirdgen.org/mkport...ody_wiring.gif
Shows a brown wire at headlight switch in that diagram - seems to run from switch to all the exterior lights.
Orange in this diag seems to be main wire for interior lights.
However, orange wires are all the the car for many things. I'm sure there's more than 1 brown wire in the car as well.
Shows a brown wire at headlight switch in that diagram - seems to run from switch to all the exterior lights.
Orange in this diag seems to be main wire for interior lights.
However, orange wires are all the the car for many things. I'm sure there's more than 1 brown wire in the car as well.
Thread
Thread Starter
Forum
Replies
Last Post
Ghettobird52
Tech / General Engine
16
Jul 5, 2024 11:18 PM
The_Phoenix
Interior Parts for Sale
12
Feb 4, 2016 07:10 AM





