Electronics Need help wiring something up? Thinking of adding an electrical component to your car? Need help troubleshooting that wiring glitch?

Under Dash Relays and Fuses?

Thread Tools
 
Search this Thread
 
Old Nov 6, 2022 | 10:06 PM
  #1  
kaleleric's Avatar
Thread Starter
Junior Member
 
Joined: Sep 2022
Posts: 42
Likes: 1
Under Dash Relays and Fuses?

I was just under my the dash in my son’s 1992 Trans Am replacing a hazard and turn signal flashed by the steering column and noticed a relay that I am unsure of what it is and what looks to be a plug with nothing plugged into it. Does anyone know what these are or know where I can find a schematic or layout of what all the electronics are under that dash? I know the fuses in the fuse box, it’s all the other stuff behind the kick board and steering column, but specifically the two I mentioned earlier. I attached pics but it is tight under there so I did the best I could. The second pic with the plug also shows the location of the relay in the first pic.



The yellow arrow here is pointing to the location of the relay in the other pic
Reply
Old Nov 7, 2022 | 06:43 AM
  #2  
ShiftyCapone's Avatar
Supporter/Moderator
25 Year Member
iTrader: (7)
 
Joined: Feb 2001
Posts: 13,764
Likes: 562
From: Cincinnati, OH
Car: '90 RS
Engine: 377 LSX
Transmission: Magnum T56
Re: Under Dash Relays and Fuses?

That plug is your ALDL diagnostic OBD1 port.
Reply
Old Nov 7, 2022 | 06:54 AM
  #3  
kaleleric's Avatar
Thread Starter
Junior Member
 
Joined: Sep 2022
Posts: 42
Likes: 1
Re: Under Dash Relays and Fuses?

Thank you Shifty! Any ideas on the relay in the other pic?
Reply
Old Nov 7, 2022 | 08:26 AM
  #4  
sofakingdom's Avatar
Supreme Member
20 Year Member
Community Builder
iTrader: (1)
 
Joined: Sep 2005
Posts: 27,934
Likes: 2,454
Car: Yes
Engine: Usually
Transmission: Sometimes
Axle/Gears: Behind me somewhere
Re: Under Dash Relays and Fuses?

Looks like starter relay.
Reply
Old Nov 8, 2022 | 11:11 AM
  #5  
91banditt2's Avatar
Supreme Member
20 Year Member
Liked
Loved
Community Favorite
iTrader: (1)
 
Joined: Dec 2000
Posts: 2,341
Likes: 151
From: Cincinnati,Ohio
Car: 1991 BandittII Firebird
Engine: 5.7 HSR
Transmission: 700R4
Axle/Gears: 3.27 9 bolt
Re: Under Dash Relays and Fuses?

Originally Posted by sofakingdom
Looks like starter relay.
Starter Enable Relay is behind the driver side kick panel.
That is the fog light relay

Reply
Old Nov 13, 2022 | 03:45 PM
  #6  
kaleleric's Avatar
Thread Starter
Junior Member
 
Joined: Sep 2022
Posts: 42
Likes: 1
Re: Under Dash Relays and Fuses?

Thank you all. So I’m trying to hunt down why my dash lights are not coming on. Replaced the fuses, replaced the headlight/dimmer module on the dash as well. I saw other threads addressing this which led me to order this part, which I THOUGHT was an under dash, mounted dimmer switch. Is it? If not, what is it? I’m very new to car work btw. Just started with this car actually.
Reply
Old Nov 13, 2022 | 04:16 PM
  #7  
91banditt2's Avatar
Supreme Member
20 Year Member
Liked
Loved
Community Favorite
iTrader: (1)
 
Joined: Dec 2000
Posts: 2,341
Likes: 151
From: Cincinnati,Ohio
Car: 1991 BandittII Firebird
Engine: 5.7 HSR
Transmission: 700R4
Axle/Gears: 3.27 9 bolt
Re: Under Dash Relays and Fuses?

Originally Posted by kaleleric
Thank you all. So I’m trying to hunt down why my dash lights are not coming on. Replaced the fuses, replaced the headlight/dimmer module on the dash as well. I saw other threads addressing this which led me to order this part, which I THOUGHT was an under dash, mounted dimmer switch. Is it? If not, what is it? I’m very new to car work btw. Just started with this car actually.
That is the dimmer switch it’s mounted on the steering column under the dash
Reply
Old Nov 13, 2022 | 04:22 PM
  #8  
kaleleric's Avatar
Thread Starter
Junior Member
 
Joined: Sep 2022
Posts: 42
Likes: 1
Re: Under Dash Relays and Fuses?

Thank you bandit! Is that nickel sized transistor attached to this under the dash? I’m thinking I need to replace that transistor but I can’t figure out how I unmount the existing dimmer switch and get to the transistor.
Reply
Old Nov 13, 2022 | 06:37 PM
  #9  
91banditt2's Avatar
Supreme Member
20 Year Member
Liked
Loved
Community Favorite
iTrader: (1)
 
Joined: Dec 2000
Posts: 2,341
Likes: 151
From: Cincinnati,Ohio
Car: 1991 BandittII Firebird
Engine: 5.7 HSR
Transmission: 700R4
Axle/Gears: 3.27 9 bolt
Re: Under Dash Relays and Fuses?

Originally Posted by kaleleric
Thank you bandit! Is that nickel sized transistor attached to this under the dash? I’m thinking I need to replace that transistor but I can’t figure out how I unmount the existing dimmer switch and get to the transistor.
Not sure what transistor your referring to.
As for the dimmer switch, you’ll need to drop the steering column, the dimmer switch along with the ignition switch is on top of the steering column. Remove the hush panel that covers the fuse panel and ALDL, then remove the knee panel, there you see two nuts that will need to be removed to drop the steering column.
Reply
Old Nov 13, 2022 | 07:04 PM
  #10  
kaleleric's Avatar
Thread Starter
Junior Member
 
Joined: Sep 2022
Posts: 42
Likes: 1
Re: Under Dash Relays and Fuses?

Oh. My bad. The transistor was referenced somewhere else as the potential problem. This is a picture I found of it.

Reply
Old Nov 14, 2022 | 11:05 AM
  #11  
91banditt2's Avatar
Supreme Member
20 Year Member
Liked
Loved
Community Favorite
iTrader: (1)
 
Joined: Dec 2000
Posts: 2,341
Likes: 151
From: Cincinnati,Ohio
Car: 1991 BandittII Firebird
Engine: 5.7 HSR
Transmission: 700R4
Axle/Gears: 3.27 9 bolt
Re: Under Dash Relays and Fuses?

Originally Posted by kaleleric
Oh. My bad. The transistor was referenced somewhere else as the potential problem. This is a picture I found of it.


Sorry I thought you were referring to the headlight dimmer switch.
The dash lights dimmer switch should be mounted near the headlight switch, searching for "Remote Dimmer" yielded a number of threads
Possible Bad Dash Dimmer - Third Generation F-Body Message Boards
Firebird Remote Dimmer - Third Generation F-Body Message Boards

Last edited by 91banditt2; Nov 14, 2022 at 11:09 AM.
Reply
Old Nov 14, 2022 | 02:46 PM
  #12  
sofakingdom's Avatar
Supreme Member
20 Year Member
Community Builder
iTrader: (1)
 
Joined: Sep 2005
Posts: 27,934
Likes: 2,454
Car: Yes
Engine: Usually
Transmission: Sometimes
Axle/Gears: Behind me somewhere
Re: Under Dash Relays and Fuses?

Right: for some reason the Firebird used that 2N3055 transistor to drive the dash lights. They go bad often. Could vvery easily be why your dash lights don't work. Used to could get that transistor (that's all it is, not really much of a "module", as generic as it gets) at Radio Shack; now ya gotta order it from Digikey or Mouser or some such. Although if you have a MicroCenter in your town, they might have it, or some other generic part that will work.
Reply
Old Nov 14, 2022 | 02:55 PM
  #13  
91banditt2's Avatar
Supreme Member
20 Year Member
Liked
Loved
Community Favorite
iTrader: (1)
 
Joined: Dec 2000
Posts: 2,341
Likes: 151
From: Cincinnati,Ohio
Car: 1991 BandittII Firebird
Engine: 5.7 HSR
Transmission: 700R4
Axle/Gears: 3.27 9 bolt
Re: Under Dash Relays and Fuses?

Originally Posted by sofakingdom
Right: for some reason the Firebird used that 2N3055 transistor to drive the dash lights. They go bad often. Could vvery easily be why your dash lights don't work. Used to could get that transistor (that's all it is, not really much of a "module", as generic as it gets) at Radio Shack; now ya gotta order it from Digikey or Mouser or some such. Although if you have a MicroCenter in your town, they might have it, or some other generic part that will work.
apparently Amazon has them



Reply
Old Nov 14, 2022 | 03:57 PM
  #14  
kaleleric's Avatar
Thread Starter
Junior Member
 
Joined: Sep 2022
Posts: 42
Likes: 1
Re: Under Dash Relays and Fuses?

So bandit, this transistor is located on top of the steering column and powers the dash lights, not headlights?
Reply
Old Nov 14, 2022 | 04:09 PM
  #15  
91banditt2's Avatar
Supreme Member
20 Year Member
Liked
Loved
Community Favorite
iTrader: (1)
 
Joined: Dec 2000
Posts: 2,341
Likes: 151
From: Cincinnati,Ohio
Car: 1991 BandittII Firebird
Engine: 5.7 HSR
Transmission: 700R4
Axle/Gears: 3.27 9 bolt
Re: Under Dash Relays and Fuses?

Originally Posted by kaleleric
So bandit, this transistor is located on top of the steering column and powers the dash lights, not headlights?
No, the headlight high beam/ low beam dimmer switch is on the steering column
the remote dimmer is in the dash around where the headlight switch is, to the left of the gauge cluster.
Reply
Old Nov 26, 2022 | 02:37 PM
  #16  
kaleleric's Avatar
Thread Starter
Junior Member
 
Joined: Sep 2022
Posts: 42
Likes: 1
Re: Under Dash Relays and Fuses?

OK. So finally got under there and got the remote dimmer transistor off. Does this appear to be bad?
Reply
Old Nov 26, 2022 | 03:11 PM
  #17  
91banditt2's Avatar
Supreme Member
20 Year Member
Liked
Loved
Community Favorite
iTrader: (1)
 
Joined: Dec 2000
Posts: 2,341
Likes: 151
From: Cincinnati,Ohio
Car: 1991 BandittII Firebird
Engine: 5.7 HSR
Transmission: 700R4
Axle/Gears: 3.27 9 bolt
Re: Under Dash Relays and Fuses?

Originally Posted by kaleleric
OK. So finally got under there and got the remote dimmer transistor off. Does this appear to be bad?
Your more than likely not going to be able to tell from a visual inspection if the transistor is bad or not, your gonna need to test it with a multimeter.
https://leetsacademy.blogspot.com/20...istor.html?m=1
Reply
Old Nov 26, 2022 | 06:15 PM
  #18  
kaleleric's Avatar
Thread Starter
Junior Member
 
Joined: Sep 2022
Posts: 42
Likes: 1
Re: Under Dash Relays and Fuses?

Ok so a bit more info on my issue. I went ahead and took the cluster out and replaced 2 bulbs just to see if maybe it is just bulbs being out. No luck. But here is the confusing part. Some of the instrument panel lights work.

As you can see in the pic my lights on the panel that flash when turning on the car work, but no lights behind the RPMs or Speedometer and such work.

A



ny thoughts community?
Reply
Old Nov 26, 2022 | 07:25 PM
  #19  
91banditt2's Avatar
Supreme Member
20 Year Member
Liked
Loved
Community Favorite
iTrader: (1)
 
Joined: Dec 2000
Posts: 2,341
Likes: 151
From: Cincinnati,Ohio
Car: 1991 BandittII Firebird
Engine: 5.7 HSR
Transmission: 700R4
Axle/Gears: 3.27 9 bolt
Re: Under Dash Relays and Fuses?

Originally Posted by kaleleric
Ok so a bit more info on my issue. I went ahead and took the cluster out and replaced 2 bulbs just to see if maybe it is just bulbs being out. No luck. But here is the confusing part. Some of the instrument panel lights work.

As you can see in the pic my lights on the panel that flash when turning on the car work, but no lights behind the RPMs or Speedometer and such work.

A



ny thoughts community?
Power for the seat belt comes from the auditable warnings
Power for the air bag and SES lights come from the Gages Fuse
Did you put in a new headlight switch?
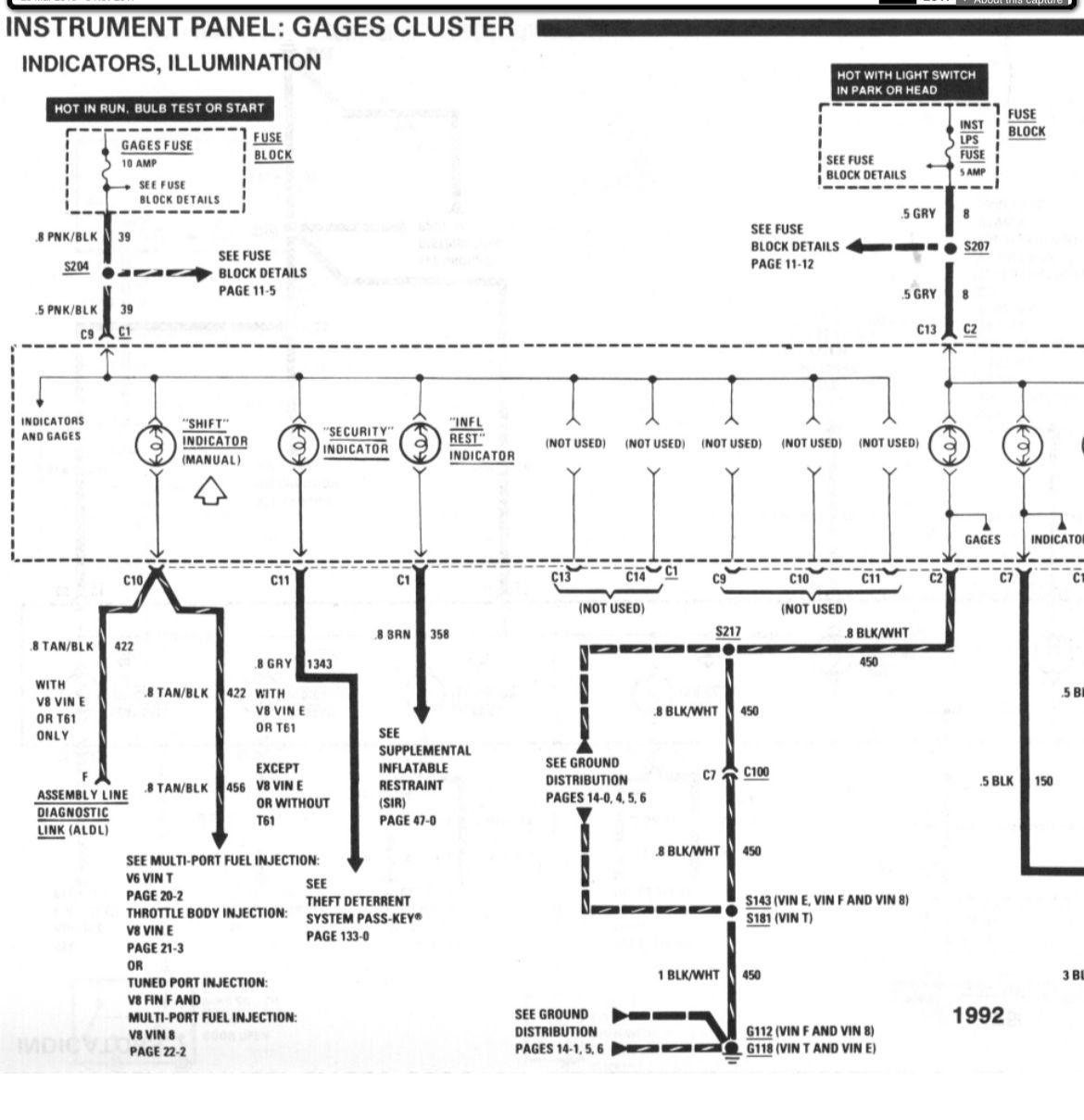
Did you check the INST LPS Fuse? That’s were power would be coming from for the back light illumination, with the gauge cluster removed check for 12 vdc at C13 of C2.
Did you inspect the printed circuit board for burn marks on the gauge cluster?





Reply
Old Nov 26, 2022 | 08:13 PM
  #20  
kaleleric's Avatar
Thread Starter
Junior Member
 
Joined: Sep 2022
Posts: 42
Likes: 1
Re: Under Dash Relays and Fuses?

Did you put in a new headlight switch? Yes. Got a “new” used switch from eBay and still no luck. The headlights come on with the switch and the dome light will come on when I roll the roller all the way up, but nothing on the instrument panel lights.

Did you check the INST LPS Fuse? That’s were power would be coming from for the back light illumination - Yes. I assume you are referring to the fuses in the fuse box that show control the panel. I replaced those first.

With the gauge cluster removed check for 12 vdc at C13 of C2. - Not sure what you mean by this.


Did you inspect the printed circuit board for burn marks on the gauge cluster? I looked at the circuit board when I pulled out the cluster and it didn’t appear to have any burn marks on it.
Reply
Old Nov 26, 2022 | 08:35 PM
  #21  
91banditt2's Avatar
Supreme Member
20 Year Member
Liked
Loved
Community Favorite
iTrader: (1)
 
Joined: Dec 2000
Posts: 2,341
Likes: 151
From: Cincinnati,Ohio
Car: 1991 BandittII Firebird
Engine: 5.7 HSR
Transmission: 700R4
Axle/Gears: 3.27 9 bolt
Re: Under Dash Relays and Fuses?

Originally Posted by kaleleric
With the gauge cluster removed check for 12 vdc at C13 of C2. - Not sure what you mean by this.
The picture below shows the pin out for the two plugs that the gauge cluster printed circuit board makes contact with, plug C2/Drivers side, pin C13 is what supplies power to the gauge illumination, with the gauge cluster out and with your multimeter set on DC voltage touch the red positive lead to the C13 contact point and touch the black ground lead to a good ground source, with the light switch on you should have 12vdc there.



Reply
Old Nov 26, 2022 | 08:52 PM
  #22  
kaleleric's Avatar
Thread Starter
Junior Member
 
Joined: Sep 2022
Posts: 42
Likes: 1
Re: Under Dash Relays and Fuses?

Thank you so much! I’m so new to this and you have been amazing! If I don’t have 12v when I test it, what do I have to do? Replace that whole plug (is this possible?) or would there be something in the wiring going to the plug I need to dig into?
Reply
Old Nov 26, 2022 | 11:29 PM
  #23  
91banditt2's Avatar
Supreme Member
20 Year Member
Liked
Loved
Community Favorite
iTrader: (1)
 
Joined: Dec 2000
Posts: 2,341
Likes: 151
From: Cincinnati,Ohio
Car: 1991 BandittII Firebird
Engine: 5.7 HSR
Transmission: 700R4
Axle/Gears: 3.27 9 bolt
Re: Under Dash Relays and Fuses?

Originally Posted by kaleleric
Thank you so much! I’m so new to this and you have been amazing! If I don’t have 12v when I test it, what do I have to do? Replace that whole plug (is this possible?) or would there be something in the wiring going to the plug I need to dig into?
With the headlights switched on….
If you have 12 vdc at the grey wire at C2/C13 then your problem is in the printed circuit board of the gauge cluster or gauge cluster bulbs
If you do not have 12 vdc at the grey wire on C2/C13 then your issue is something between there and the battery I.E. the INST LPS fuse or the remote dimmer switch transistor or a burnt wire, ect.
Reply
Old Nov 26, 2022 | 11:41 PM
  #24  
vorteciroc's Avatar
Supreme Member
15 Year Member
Loved
Community Favorite
Top Answer: 1
 
Joined: Jul 2006
Posts: 2,886
Likes: 797
From: 212 is up in this Bit@#
Car: Resto-Mod 1987 IROC-Z Clone
Engine: Alky fed L92 Vortec Twin-Turbo 6.8L
Transmission: My own built/ design 4L80M
Axle/Gears: Custom 12 bolt (4.10:1)
Re: Under Dash Relays and Fuses?

If the Transistor is no good, let me know...

I might still have some comparable MOSFETs that can replace those Transistors.
Reply
Old Nov 27, 2022 | 12:28 AM
  #25  
T.L.'s Avatar
Supreme Member
25 Year Member
Liked
Loved
Community Favorite
 
Joined: Sep 1999
Posts: 3,021
Likes: 820
From: Colorado USA
Car: '83 Firebird (T/A Clone)
Engine: 350 with L-69 components
Transmission: 700R-4, 2000 RPM stall converter
Axle/Gears: 10-bolt/3.73 ..
Re: Under Dash Relays and Fuses?

What does "INFL REST" mean? My car is older and doesn't have that...
Reply
Old Nov 27, 2022 | 12:34 AM
  #26  
vorteciroc's Avatar
Supreme Member
15 Year Member
Loved
Community Favorite
Top Answer: 1
 
Joined: Jul 2006
Posts: 2,886
Likes: 797
From: 212 is up in this Bit@#
Car: Resto-Mod 1987 IROC-Z Clone
Engine: Alky fed L92 Vortec Twin-Turbo 6.8L
Transmission: My own built/ design 4L80M
Axle/Gears: Custom 12 bolt (4.10:1)
Re: Under Dash Relays and Fuses?

Inflatable Restraint = Air Bag
Reply
Old Dec 18, 2022 | 01:00 PM
  #27  
kaleleric's Avatar
Thread Starter
Junior Member
 
Joined: Sep 2022
Posts: 42
Likes: 1
Re: Under Dash Relays and Fuses?

@91banditt2 so I got a multimeter…FINALLY. Took off the cluster and pics below are what I see. Not sure which is C2 but both of them give a reading of 0.00 when I touch the 2nd port on the bottom row of each, which I THINK is the C13 you referenced before.

So my problem is between there and the dimmer switch or the dimmer switch and the fuse box, right?

What is the best way to test the dimmer switch plugs (1st pic)? Should I test those?


Reply
Old Dec 18, 2022 | 05:35 PM
  #28  
John in RI's Avatar
Supreme Member
25 Year Member
Community Favorite
iTrader: (170)
 
Joined: Aug 1999
Posts: 5,268
Likes: 466
From: RI
Car: 1984 Camaro Berlinetta
Engine: LT1
Transmission: T56 6-speed
Axle/Gears: 4.11 LS1 Rear End
Re: Under Dash Relays and Fuses?

If you have 12 vdc at the grey wire at C2/C13 then your problem is in the printed circuit board of the gauge cluster or gauge cluster bulbs
The GREY wire will carry variable voltage as it is controlled by the headlight switch rheostat; so with the headlights active it could show anything from 0-to-battery voltage. Even if this wire IS carrying voltage he could have problem with the cluster printed circuit,...... possibly a shared GROUND trace on the PCB ?? If all the other backlighting works properly ( HVAC ? ) and only the cluster backlighting is faulty I'd suspect the cluster or the GREY wire feeding the cluster.

* Always probe any BLACK wire you see when checking electrical faults to ensure ground !


First thing I noticed about your pics is the aftermarket radio. As a stand-alone check from where-ever you are in your testing,....... I'd double check the radio wiring.

Starting @ Key Off and headlight switch installed (radio can be installed or unplugged) : Check the FACTORY radio wiring is spliced into the radio properly.

Key Off: ORANGE should have battery voltage at all times.
Key Off: BROWN (from headlight switch, tells radio headlights are on to dim the radio display ) should have 0 voltage. When you turn on the head/park lights it should have battery voltage
Key Off: YELLOW (from ignition, tells radio car is on and it's time to ROCK ! ) should have 0 voltage. Turn the key and it should have battery voltage
Key off: GREY (from remote dimmer, controls brightness of the panel / console backlighting ) should have 0 voltage. When you turn on the head/park lights it should carry variable voltage based on headlight Rheostat control.

I've seen some weird things happen when the radio isn't wired properly; Good luck !

Reply
Old Dec 18, 2022 | 06:36 PM
  #29  
kaleleric's Avatar
Thread Starter
Junior Member
 
Joined: Sep 2022
Posts: 42
Likes: 1
Re: Under Dash Relays and Fuses?

Great thought John in RI!!

We actually just bought him a new radio for Christmas so I may table this inspection until we install it and make sure it gets installed PROPERLY.

The previous owner of this car had done some pretty weird DIY stuff so it is entirely possible the radio install may be causing it.

I will keep you all posted. Thanks so much for the help!!
Reply
Old Dec 29, 2022 | 04:16 PM
  #30  
kaleleric's Avatar
Thread Starter
Junior Member
 
Joined: Sep 2022
Posts: 42
Likes: 1
Re: Under Dash Relays and Fuses?

Okay. So just got the old aftermarket radio out and did some testing through my plugs (behind cluster and behind dimmer/headlight switch). Here is what I found.

First the plugs behind the cluster. Since they are stacked vertical (pictured), I couldn't tell which was C1 or C2 so I just tested both in that port that should be 13. Both of them tested at 0v.

Second I tested the plugs behind the dimmer/headlight switch. The top plug is what the dimmer roller goes to so that’s what I tested and only 1 of those ports had voltage (pictured)

Last, I removed the old aftermarket radio and here is what I noticed right off the bat. Now I have never installed a car radio, but I would expect this grey and brown wire should be connected to something (pictured)???

And what is that in the first picture? It was in the wires running into the panel that controls the trunk release, rear defrost and parking lights. Is cut on one end and the other end has some tar gunk on it by the actual panel.




Behind instrument cluster. Which is C1 and C2?


Headlight/dimmer switch plug


Brown and grey wire with tape on them but not connected to anything.


Last edited by kaleleric; Dec 29, 2022 at 05:06 PM.
Reply
Old Dec 29, 2022 | 05:20 PM
  #31  
OrangeBird's Avatar
Supreme Member
10 Year Member
Liked
Loved
Community Favorite
iTrader: (1)
 
Joined: Feb 2012
Posts: 3,939
Likes: 801
Car: 1989 Firebird
Re: Under Dash Relays and Fuses?

The grey and brown wires are part of the factory radio's backlighting and illumination dimming circuits, and likely were not needed for the aftermarket radio......






Reply
Old Dec 30, 2022 | 06:26 PM
  #32  
kaleleric's Avatar
Thread Starter
Junior Member
 
Joined: Sep 2022
Posts: 42
Likes: 1
Re: Under Dash Relays and Fuses?

I’m up under the steering column and noticed this to the right of it. What are these “relays”? I know the tip silver one is for flashers/blinkers. What about the white and black one? Do these control dash lights at all?
Reply
Old Dec 31, 2022 | 09:35 AM
  #33  
91banditt2's Avatar
Supreme Member
20 Year Member
Liked
Loved
Community Favorite
iTrader: (1)
 
Joined: Dec 2000
Posts: 2,341
Likes: 151
From: Cincinnati,Ohio
Car: 1991 BandittII Firebird
Engine: 5.7 HSR
Transmission: 700R4
Axle/Gears: 3.27 9 bolt
Re: Under Dash Relays and Fuses?

This is your “Convenience center”, the white one is a horn relay and the black one is the chime module.
Reply
Old May 8, 2023 | 07:40 PM
  #34  
tccndoyle's Avatar
Junior Member
 
Joined: Nov 2008
Posts: 2
Likes: 0
Re: Under Dash Relays and Fuses?

That looks like your high low beam switch mounted to the steering column
Reply
Related Topics
Thread
Thread Starter
Forum
Replies
Last Post
bakers91rs
Electronics
3
Feb 11, 2013 06:48 AM
Firechicken86
Electronics
3
May 27, 2012 01:03 PM
pandemic_ratio
Electronics
11
Aug 21, 2006 09:21 PM
ryane88
Electronics
1
May 21, 2006 01:10 PM
formula forever
Electronics
1
Dec 31, 2005 02:23 PM




All times are GMT -5. The time now is 03:21 PM.