Car won't start - Fuel pump shot ???
Thread Starter
Supreme Member
Joined: May 2005
Posts: 1,701
Likes: 0
From: San Diego, CA
Car: 1991 Camaro RS
Engine: LO3
Transmission: 700R4
Axle/Gears: 3.42 LS1
Car won't start - Fuel pump shot ???
Car will turn over, but there's absolutely no fuel coming out from the fuel injectors.
During lunch I was splicing a wire into the fan relay, however I guess I MUST have spliced it into the fuel pump relay instead. Anyway, the car started, in a hesitating way, and then died on me. I tried it again, nothing, nothing.
I removed the fuel pump relay and the fan relay, electricians at work checked them both, said one of them is in closed mode one is in open mode. However swapping them around didn't work for the fuel problem, fan can come on using either relay.
Could this be a fuel pump problem ? If so, how can I check it tomorrow (car's at the base, and I'm now home). Yup ya guys guessed it, my only transportation is my babe the Camaro.
Any ideas would help.
Oh and the electricians also checked the fuse box, seemed good to go.
Now as weird as this may sound though, there's no way in hell that the fuel system wouldn't be running if one relay doesn't work, i.e. no way in hel lthe fuel system requires both fuel pump relay AND fan relay be working AND both be working, right ?
During lunch I was splicing a wire into the fan relay, however I guess I MUST have spliced it into the fuel pump relay instead. Anyway, the car started, in a hesitating way, and then died on me. I tried it again, nothing, nothing.
I removed the fuel pump relay and the fan relay, electricians at work checked them both, said one of them is in closed mode one is in open mode. However swapping them around didn't work for the fuel problem, fan can come on using either relay.
Could this be a fuel pump problem ? If so, how can I check it tomorrow (car's at the base, and I'm now home). Yup ya guys guessed it, my only transportation is my babe the Camaro.
Any ideas would help.
Oh and the electricians also checked the fuse box, seemed good to go.
Now as weird as this may sound though, there's no way in hell that the fuel system wouldn't be running if one relay doesn't work, i.e. no way in hel lthe fuel system requires both fuel pump relay AND fan relay be working AND both be working, right ?
Thread Starter
Supreme Member
Joined: May 2005
Posts: 1,701
Likes: 0
From: San Diego, CA
Car: 1991 Camaro RS
Engine: LO3
Transmission: 700R4
Axle/Gears: 3.42 LS1
OK I don't recall whether the relay was clicking or not, hard to tell.
Somehow I doubt it's the fuel pump, since I didn't have a graudal problem, the fuel delivery just died on me.
Ignition module perhaps ? Some fusable link ?
Anyone ?
Somehow I doubt it's the fuel pump, since I didn't have a graudal problem, the fuel delivery just died on me.
Ignition module perhaps ? Some fusable link ?
Anyone ?
Thread Starter
Supreme Member
Joined: May 2005
Posts: 1,701
Likes: 0
From: San Diego, CA
Car: 1991 Camaro RS
Engine: LO3
Transmission: 700R4
Axle/Gears: 3.42 LS1
Here's my plan for tomorrow, any additional info would be highly appreciated, any thoughts, suggestions etc
1) Turn the ignition on, to see if the fuel pump relay clicks, if not it's bad.
2) Run a hot wire from battery to fuel pump, to see if it still works.
3) Pull sparkplug wire to see whether I don't get fuel, or whether I don't get fuel nor spark Could be the ignition module.
Not necessarily in that order though.
Fusable link of some kind ... where and how do I check it ? It could work together with the relay or ignition module and cause problems ?
1) Turn the ignition on, to see if the fuel pump relay clicks, if not it's bad.
2) Run a hot wire from battery to fuel pump, to see if it still works.
3) Pull sparkplug wire to see whether I don't get fuel, or whether I don't get fuel nor spark Could be the ignition module.
Not necessarily in that order though.
Fusable link of some kind ... where and how do I check it ? It could work together with the relay or ignition module and cause problems ?
mine did that last week.It would run then die.turn over and no fuel.I replaced the mod. and she is running now.Has a miss now.Last year I replaced the fuel pump.If you get a code at all,get the fuel pressure guage on it and if you get it running,still get a guage on it to be on the safe side so you won't be stranded on the side of the road.I know first hand on this.
Thread Starter
Supreme Member
Joined: May 2005
Posts: 1,701
Likes: 0
From: San Diego, CA
Car: 1991 Camaro RS
Engine: LO3
Transmission: 700R4
Axle/Gears: 3.42 LS1
But will I be able to tell 100 percent sure what the problem is ... now it has to be somewhat related to the fuel pump relay.. .since I was wiring a switch into that one instead of the fan relay
Thread Starter
Supreme Member
Joined: May 2005
Posts: 1,701
Likes: 0
From: San Diego, CA
Car: 1991 Camaro RS
Engine: LO3
Transmission: 700R4
Axle/Gears: 3.42 LS1
Ignition module
If it's the ignition module, how can it be tested ? Sure I can remove it if it may be the cause of the problems and take it uhmmm Kragen... uhmm or .. uhmm Autozone but hmmm
Trending Topics
yeah you can take it to autozone,Oreily's,some place like that.They will hook it up and put power to it.Ther a few fusiable links,one should be around the battery.Check all your fuses to.Do you have a chip on your key?The Vatts is bad about going out to.
Thread Starter
Supreme Member
Joined: May 2005
Posts: 1,701
Likes: 0
From: San Diego, CA
Car: 1991 Camaro RS
Engine: LO3
Transmission: 700R4
Axle/Gears: 3.42 LS1
Got the module out, gonna run it there today. Checked the fusable link between battery and overflow bottle.
Thread Starter
Supreme Member
Joined: May 2005
Posts: 1,701
Likes: 0
From: San Diego, CA
Car: 1991 Camaro RS
Engine: LO3
Transmission: 700R4
Axle/Gears: 3.42 LS1
Fusable link checked - good to go
Ignition module - Kragen's worthless, they couldn't test it, I got one anyway (figured I can return it hehehehe)
Anyway, still nothing. No spark, no fuel. Maybe the new ignition module got fried right away who knows.
I checked the codes, getting 12 and 54. Now 12 is the regular "check engine light is working" correct ? While 54 is the fuel pump circuit, so could be relay could be something else. However would not explain lack of spark.
Ignition module - Kragen's worthless, they couldn't test it, I got one anyway (figured I can return it hehehehe)
Anyway, still nothing. No spark, no fuel. Maybe the new ignition module got fried right away who knows.
I checked the codes, getting 12 and 54. Now 12 is the regular "check engine light is working" correct ? While 54 is the fuel pump circuit, so could be relay could be something else. However would not explain lack of spark.
Thread Starter
Supreme Member
Joined: May 2005
Posts: 1,701
Likes: 0
From: San Diego, CA
Car: 1991 Camaro RS
Engine: LO3
Transmission: 700R4
Axle/Gears: 3.42 LS1
Battery
Almost forgot, I was trying to start it yesterday for some time, no luck. When I replaced the ignition module today I tried starting it and the battery had almost no power what so ever. We had to hook the car up to a booster box.
Feels like something drained it during the night.
Bad ground ? Something ?
Feels like something drained it during the night.
Bad ground ? Something ?
Thread Starter
Supreme Member
Joined: May 2005
Posts: 1,701
Likes: 0
From: San Diego, CA
Car: 1991 Camaro RS
Engine: LO3
Transmission: 700R4
Axle/Gears: 3.42 LS1
hmmm true but even with the booster box hooked up, no fuel no spark
I may get it into the shop on base to have them run a diagnostic .. but... to be honest I would prefer to fix it all myself, since I feel I may be overlooking something quite simple, plus the fact that I never got the original ignition module tested.
I need to fix it or have it fixed, this being my only vehicle right now. Wife's car is not running either, been that way for a while.
I may get it into the shop on base to have them run a diagnostic .. but... to be honest I would prefer to fix it all myself, since I feel I may be overlooking something quite simple, plus the fact that I never got the original ignition module tested.
I need to fix it or have it fixed, this being my only vehicle right now. Wife's car is not running either, been that way for a while.
Senior Member
Joined: Jul 1999
Posts: 853
Likes: 0
From: Everett, MA . USA
Car: 89 FORMULA FIREBIRD, 86 CHEVY CAMARO
Engine: L98, LB9 RESPECTIVLY
Transmission: 700 R4 (BOTH)
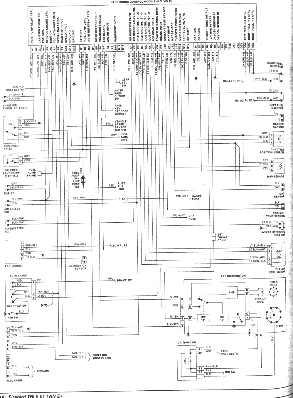
If you did spliced the fan power into the fuel pump relay by mistake it probably blew the ecm fuse under the hood, look for a fuseholder mounted somewhere near the battery and check that fuse.
Thread Starter
Supreme Member
Joined: May 2005
Posts: 1,701
Likes: 0
From: San Diego, CA
Car: 1991 Camaro RS
Engine: LO3
Transmission: 700R4
Axle/Gears: 3.42 LS1
Are you talking about the fuse right between the battery and the overflow bottle ?
Checked that one right away, good to go.
Like I said, didn't thin kit was the fuel pump but since it won't really kick over even when I plug power into terminal G on the ALDL ... well ... I'll see tomorrow when I drop the tank
Checked that one right away, good to go.
Like I said, didn't thin kit was the fuel pump but since it won't really kick over even when I plug power into terminal G on the ALDL ... well ... I'll see tomorrow when I drop the tank
Dumb ? but how about all your fuses under the dash you check em. I had a few bare wires on the fuel relay and it burned my ecm fuse under the hood and it burned the fuel pump relay. You also have a in line fuse going to the fuel pump that might have burned.
Take ur test light and unplug the little wire for the ecm alot of people disconect this to clear the ecm's memory and see if your gettin power through it. Its located on the passenger side near the firewall.
Take ur test light and unplug the little wire for the ecm alot of people disconect this to clear the ecm's memory and see if your gettin power through it. Its located on the passenger side near the firewall.
Thread Starter
Supreme Member
Joined: May 2005
Posts: 1,701
Likes: 0
From: San Diego, CA
Car: 1991 Camaro RS
Engine: LO3
Transmission: 700R4
Axle/Gears: 3.42 LS1
Relay's working, I checked it by plugging the ac/fan wires into that one, since the fan setup and the fuel pump circuit use identical relays.
I've tried with power to terminal G, no result as far as pump goes. I'm still pulling the seats though and checking the wires there before I replace the pump.
I've tried with power to terminal G, no result as far as pump goes. I'm still pulling the seats though and checking the wires there before I replace the pump.
Maybe this will help and how about your oil pressure sending unit did you check this if its bad car wont start. Spray a little starting fluid into the motor and see if itll start.
Thread
Thread Starter
Forum
Replies
Last Post
theshackle
Tech / General Engine
4
Mar 5, 2017 06:37 PM






