1989 Firebird Headlight door help?
Thread Starter
Member
Joined: May 2006
Posts: 179
Likes: 0
From: Warrington, PA
Car: 89 GTA
Engine: 5.7 ZZ4 Vortec TPI
Transmission: 7004R
1989 Firebird Headlight door help?
Hi All!
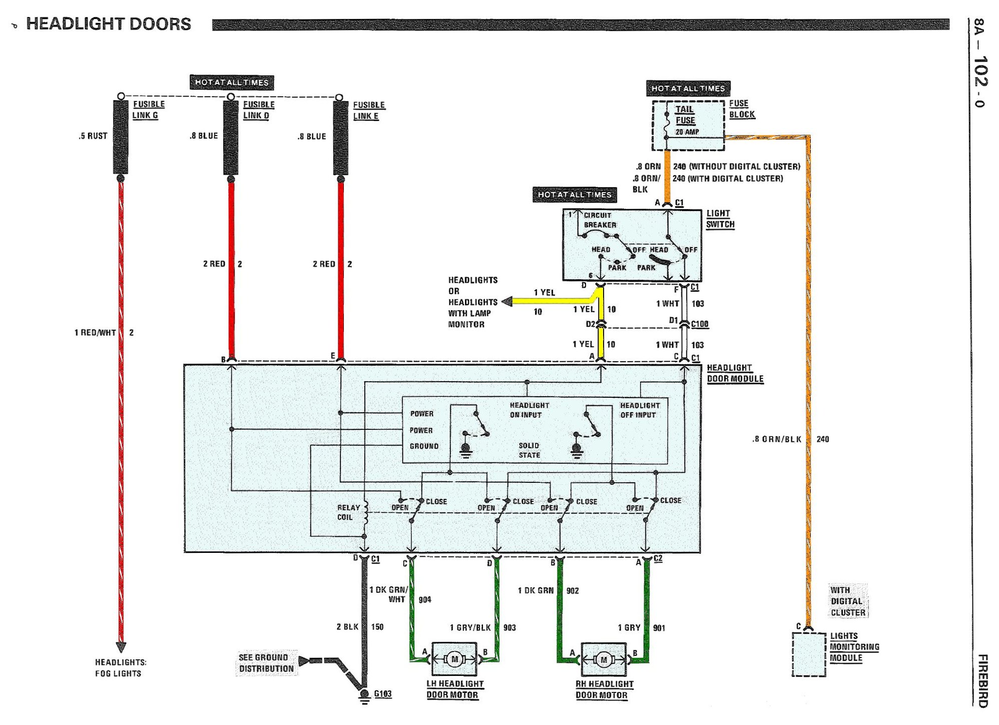
My headlight doors only open. I've been at this on and off for about 5 years giving it another try. I followed the shop manual and it said replace module. I installed the module and had no change. The vendor said it's something else. I checked fuses etc all checks out. The only other thing going on is at some point the power antenna started running continuously so I disabled it. I revisited that today and found I disconnected a plug on the passenger side. Plugged that back in and heard the antenna but no change in the headlights.
I hear the motor engage when I turn on the lights but hear nothing when they are shut off. Any suggestions of other things to look at? I'd hate to buy another module but that's what the manual says.
My headlight doors only open. I've been at this on and off for about 5 years giving it another try. I followed the shop manual and it said replace module. I installed the module and had no change. The vendor said it's something else. I checked fuses etc all checks out. The only other thing going on is at some point the power antenna started running continuously so I disabled it. I revisited that today and found I disconnected a plug on the passenger side. Plugged that back in and heard the antenna but no change in the headlights.
I hear the motor engage when I turn on the lights but hear nothing when they are shut off. Any suggestions of other things to look at? I'd hate to buy another module but that's what the manual says.
Thread Starter
Member
Joined: May 2006
Posts: 179
Likes: 0
From: Warrington, PA
Car: 89 GTA
Engine: 5.7 ZZ4 Vortec TPI
Transmission: 7004R
Re: 1989 Firebird Headlight door help?
Thanks that's it. I went through the troubleshooting table and it said replace module. Opening is fine but I don't detect any motor engagement on close.
Thread Starter
Member
Joined: May 2006
Posts: 179
Likes: 0
From: Warrington, PA
Car: 89 GTA
Engine: 5.7 ZZ4 Vortec TPI
Transmission: 7004R
Re: 1989 Firebird Headlight door help?
So I was messing with this today and I was actually able to get the lights to close. If I try many times turning on and off the lights, they will occasionally close. The bulbs themselves always turn on and off though. I guess next is I'll be looking at the headlight switch.
Thread
Thread Starter
Forum
Replies
Last Post
GMP318
Electronics
6
Apr 19, 2020 07:52 PM








