TPI Tuned Port Injection discussion and questions. LB9 and L98 tech, porting, tuning, and bolt-on aftermarket products.
Sponsored by:
Sponsored by:

Second crank issues

Thread Tools
 
Search this Thread
 
Old Jan 12, 2020 | 11:51 AM
  #51  
liljon285's Avatar
Thread Starter
Member
 
Joined: Feb 2008
Posts: 190
Likes: 2
Car: 1987 IROC
Engine: 5.0 TPI all stock
Transmission: T5
Axle/Gears: G92 G80
Re: Second crank issues

Originally Posted by liljon285
Wow thanks guys. I try to go on here as much as I can but I tend to disappear very busy. I ordered a speed sensor as it was about $30 to give that a shot. If I see no changes I’ll jump on a cluster. I have a dash pad to install there anyways so I’ll hold off on throwing it on that way I just use one whole day to take apart whole dash ha.

I’m back!! Figured I’d bring this thread back up as I’m having a similar issue as before. Although I think this one may be VATS. Will the VATS allow the car to still turn over?

This week I was able to tag and insure the car so on Friday I cleaned the hell out of it and got her going. She’s been running mint, no problems moving it from backyard to front and what not.

So today I decided to take the wife out in it for breakfast. Went to breakfast spot, left breakfast spot, went to Lowe’s, left Lowe’s, then finally to put gas. As it was filling up a gentleman tells me wow nice z28 I say thanks and get it to leave and no go. It turns over and over and over and no start. I can hear the fuel pump. But one thing I noticed is I didn’t here the constant chime when key goes in and cycles through all the way to start. So I take key out for a few seconds put it back in wiggled it all the way and heard the chime and boom, cranked INSTANTLY. So that’s how I figured it was that. Has anyone else had this issue?? I haven’t been able to get the speedometer gauge fixed but while driving I did notice it comes on and off. I did put a new speed sensor on the bottom where trans is, that didn’t help I guess.

any advice would be great!
Reply
Old Jan 12, 2020 | 01:58 PM
  #52  
Tuned Performance's Avatar
Sponsor
20 Year Member
Community Builder
Community Influencer
Community Favorite
iTrader: (95)
 
Joined: Dec 2004
Posts: 16,808
Likes: 1,008
From: Mile High Country !!!
Car: 1967 Camaro, 91 z28
Engine: Lb9
Transmission: M20
Axle/Gears: J65 pbr on stock posi 10bolt
Re: Second crank issues

It’s hard to say why it’s not starting. When it just cranks you need to test for spark, fuel pressure and injector pulse. See what your missing and diagnose then. It could be vats. You can have a working starter enable relay and still have a passkey module failure. You can check pin f10 at the ecm key on or cranking you should see 2.5-5v if you have a passkey signal. Unfortunately you need to do this when it doesn’t want to start.
Reply
Old Jan 12, 2020 | 02:28 PM
  #53  
liljon285's Avatar
Thread Starter
Member
 
Joined: Feb 2008
Posts: 190
Likes: 2
Car: 1987 IROC
Engine: 5.0 TPI all stock
Transmission: T5
Axle/Gears: G92 G80
Re: Second crank issues

Here some pictures!






Reply
Old Jan 12, 2020 | 02:29 PM
  #54  
liljon285's Avatar
Thread Starter
Member
 
Joined: Feb 2008
Posts: 190
Likes: 2
Car: 1987 IROC
Engine: 5.0 TPI all stock
Transmission: T5
Axle/Gears: G92 G80
Re: Second crank issues

Originally Posted by Tuned Performance
It’s hard to say why it’s not starting. When it just cranks you need to test for spark, fuel pressure and injector pulse. See what your missing and diagnose then. It could be vats. You can have a working starter enable relay and still have a passkey module failure. You can check pin f10 at the ecm key on or cranking you should see 2.5-5v if you have a passkey signal. Unfortunately you need to do this when it doesn’t want to start.
yea exactly why I asked, I know it’s gonna be tough to trouble shoot. I read about bypassing it through the drivers side kick panel relay. I’ll try starting there. Have to try running the resistor as well. But from what I can see you have to get the resistance of the key, then that resistance you get in a resistor. But if the key isn’t working right, wouldn’t that be the wrong resistance? Or is it like an ignition issue? Guess I’ll see.

Last edited by liljon285; Jan 12, 2020 at 03:54 PM.
Reply
Old Jan 12, 2020 | 08:18 PM
  #55  
liljon285's Avatar
Thread Starter
Member
 
Joined: Feb 2008
Posts: 190
Likes: 2
Car: 1987 IROC
Engine: 5.0 TPI all stock
Transmission: T5
Axle/Gears: G92 G80
Re: Second crank issues

Finally got back home. Car cranked perfect. Tried several times see if the security light stayed on and it comes off every time. So not sure if it is still the fuel injector part of the vats or not. It’s a 1992 so it does have the grey bodies. It only has 91k miles though! And I’ve been running fresh fuel in it. Would swapping them out for Bosch ones be a direct replacement. I’m trying to enjoy the car as is maybe even thought of doing a t5 swap to enjoy it for the next year or two before I LS swap the thing so I really don’t want to start blowing money at it.


Hey Brian didn’t realize it was you responding I’m the same one sending you the emails haha. Guess we keep talking through here. Thanks for all your help!

Last edited by liljon285; Jan 13, 2020 at 04:16 AM.
Reply
Old Jan 13, 2020 | 04:31 AM
  #56  
liljon285's Avatar
Thread Starter
Member
 
Joined: Feb 2008
Posts: 190
Likes: 2
Car: 1987 IROC
Engine: 5.0 TPI all stock
Transmission: T5
Axle/Gears: G92 G80
Re: Second crank issues

Checked resistance at the chip on key this morning it’s at 1430ohms. If that’s any consolation! Stil not sure on it being vats now after reading so much bad things on these injectors.


Also went ahead and ordered a fuel pressure gauge to test the system. Make sure it’s not a leaking injector or something.

Did a quick search on eBay and there are so many injector sets there for less than $100 for Bosch ones! Wondering if that is a good move. Guess I have some heavy troubleshooting ahead of me. Crazy because when it starts fine the car runs great, ac freezes. I was so ready to make it my every other day driver. Unfortunately I work 23 miles away from home so that’s not happening till I can trust it!

Last edited by liljon285; Jan 13, 2020 at 05:37 AM.
Reply
Old Jan 13, 2020 | 02:45 PM
  #57  
liljon285's Avatar
Thread Starter
Member
 
Joined: Feb 2008
Posts: 190
Likes: 2
Car: 1987 IROC
Engine: 5.0 TPI all stock
Transmission: T5
Axle/Gears: G92 G80
Re: Second crank issues

Still stuck at work. But the more I research these injectors the more I feel it’s just that. The car always ran great but I never drove it more that 10 miles and never really drove it hard, the few times I opened it up it was around the block and then park it. Being as it’s so common and South Bay has the Bosch 3 for $150 I went ahead and pulled the trigger. Instead of pulling my hairs trying to figure out if it’s the injectors I might as well upgrade and rule that out. I’m hoping it’s that over the VATs issue as I can tackle that head on easily.

I have the fuel pressure tester in the way anyways I’ll go ahead and check the health of the pump although the previous owner did have a mechanic replace it and it seems to sound about as normal my previous third gens. Hoping this thread can help someone else rule out their situations.
Reply
Old Jan 14, 2020 | 04:44 PM
  #58  
liljon285's Avatar
Thread Starter
Member
 
Joined: Feb 2008
Posts: 190
Likes: 2
Car: 1987 IROC
Engine: 5.0 TPI all stock
Transmission: T5
Axle/Gears: G92 G80
Re: Second crank issues

Fuel pressure gauge is in. Hooked her up, primed right over 40psi. Cranked and dropped to about 32-34psi, and revving back over 40psi. Just shut it off and it’s roughly at 34-35psi waiting to see if it drops.







safe to say those are good numbers right I can rule out the pump?
Reply
Old Jan 14, 2020 | 04:46 PM
  #59  
liljon285's Avatar
Thread Starter
Member
 
Joined: Feb 2008
Posts: 190
Likes: 2
Car: 1987 IROC
Engine: 5.0 TPI all stock
Transmission: T5
Axle/Gears: G92 G80
Re: Second crank issues

Sorry first picture is while running and second is after I shut it off. The pump stays running for a bit then climbs back up to that the same as before starting and stays there. About two minutes pass and it drops to same value as first picture. Hmm.


Need to correct that I tried again and it’s been sitting for about 15 minutes and it’s at 35psi

Last edited by liljon285; Jan 14, 2020 at 05:03 PM.
Reply
Old Jan 18, 2020 | 02:53 PM
  #60  
liljon285's Avatar
Thread Starter
Member
 
Joined: Feb 2008
Posts: 190
Likes: 2
Car: 1987 IROC
Engine: 5.0 TPI all stock
Transmission: T5
Axle/Gears: G92 G80
Re: Second crank issues

So got the injectors, the job wasn’t bad at all. Took me about 3 hrs with two or three beer breaks in between. Right away I noticed how well the car got up and idled. It’s idling right at 1000rpms(I’m pretty sure gauge is a tiny bit off) then drops to a SMOOTH 900 in gear. Wow night and day. The injectors do seem a bit louder and I noticed a bit of a tick but that could be timing. I will readjust the timing now that it’s running good. I got it up to temp and did a few power brake before tires spin in the garage to get her real how and nothing. Starts right up. Really hoping it was that. The fuel pressure seems to be holding for a MUCH longer period now as well.

For those of you with the Bosch 3 what do you guys recommend I set the timing at?
Reply
Old Jan 18, 2020 | 07:16 PM
  #61  
Tuned Performance's Avatar
Sponsor
20 Year Member
Community Builder
Community Influencer
Community Favorite
iTrader: (95)
 
Joined: Dec 2004
Posts: 16,808
Likes: 1,008
From: Mile High Country !!!
Car: 1967 Camaro, 91 z28
Engine: Lb9
Transmission: M20
Axle/Gears: J65 pbr on stock posi 10bolt
Re: Second crank issues

B3 injectors are noisy like a lifter tick. They can be ran as is but some have said they run lean . This can be addressed with tuning.
for timing with the est disconnected set it to 6-8 degrees before top dead center.6 being specification.
Reply
Old Jan 18, 2020 | 09:11 PM
  #62  
liljon285's Avatar
Thread Starter
Member
 
Joined: Feb 2008
Posts: 190
Likes: 2
Car: 1987 IROC
Engine: 5.0 TPI all stock
Transmission: T5
Axle/Gears: G92 G80
Re: Second crank issues

Originally Posted by Tuned Performance
B3 injectors are noisy like a lifter tick. They can be ran as is but some have said they run lean . This can be addressed with tuning.
for timing with the est disconnected set it to 6-8 degrees before top dead center.6 being specification.
I think I have it at about 7. I’ll give it a shot tomorrow thanks!!
Reply
Old Jan 19, 2020 | 09:30 AM
  #63  
liljon285's Avatar
Thread Starter
Member
 
Joined: Feb 2008
Posts: 190
Likes: 2
Car: 1987 IROC
Engine: 5.0 TPI all stock
Transmission: T5
Axle/Gears: G92 G80
Re: Second crank issues

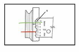
Wow for some reason the timing was retard like 4° ! When I parked the car initially I had set it between 6-8. I just brought it up to the last point which seems to be 8° and it’s idling well. Car got warmed up pretty quick that’s probably from that timing. Could the injectors of been that bad to mess the timing up that much that’s crazy. Feel like sending the to South Bay to see how messed up the old ones really were.



Red is where it was, and green where I set it
Reply
Old Jan 19, 2020 | 09:34 AM
  #64  
Tuned Performance's Avatar
Sponsor
20 Year Member
Community Builder
Community Influencer
Community Favorite
iTrader: (95)
 
Joined: Dec 2004
Posts: 16,808
Likes: 1,008
From: Mile High Country !!!
Car: 1967 Camaro, 91 z28
Engine: Lb9
Transmission: M20
Axle/Gears: J65 pbr on stock posi 10bolt
Re: Second crank issues

The distributor must have been slightly loose.
I wouldn’t waste the money to have the injectors flow tested just my two cents.
Reply
Old Jan 19, 2020 | 01:51 PM
  #65  
liljon285's Avatar
Thread Starter
Member
 
Joined: Feb 2008
Posts: 190
Likes: 2
Car: 1987 IROC
Engine: 5.0 TPI all stock
Transmission: T5
Axle/Gears: G92 G80
Re: Second crank issues

Good point just let it be. Seems to be harder to start now though(not harder but not instant crank like it was doing the first time, maybe retarding it starts easier but runs tougher). May back it down another 2 degrees. That’s the original or oem right 6° advanced?
Reply
Old Jan 19, 2020 | 02:05 PM
  #66  
Tuned Performance's Avatar
Sponsor
20 Year Member
Community Builder
Community Influencer
Community Favorite
iTrader: (95)
 
Joined: Dec 2004
Posts: 16,808
Likes: 1,008
From: Mile High Country !!!
Car: 1967 Camaro, 91 z28
Engine: Lb9
Transmission: M20
Axle/Gears: J65 pbr on stock posi 10bolt
Re: Second crank issues

If it sounds like the engine is lugging down or the starter is struggling yes back it down to 6 should help.
Reply
Old Jan 19, 2020 | 03:05 PM
  #67  
liljon285's Avatar
Thread Starter
Member
 
Joined: Feb 2008
Posts: 190
Likes: 2
Car: 1987 IROC
Engine: 5.0 TPI all stock
Transmission: T5
Axle/Gears: G92 G80
Re: Second crank issues

Backed it down to 6, she’s good to go. Idling great and all. It was indeed pinging a bit too. Once the connector, forgot the name of it, one you remove to adjust timing. Once that’s plugged in is it normal for timing to shoot up past the metal tab?


Still have a tad bit of pinging. Honestly while adjusting I went to tap accelerator and had one of the panels jam under it and gun the car while in park, it was enough to bounce the limiter but it did get up there quick, was able to pull the panel under pedal quick but idk if it was warm enough to rev that hard. Hopefully didn’t collapse a lifter or something. Only hear it randomly too. Could just be me going crazy or the injectors pulsating, even tho it’s not the same tick as injectors.

Last edited by liljon285; Jan 19, 2020 at 03:09 PM.
Reply
Old Jan 19, 2020 | 03:07 PM
  #68  
Tuned Performance's Avatar
Sponsor
20 Year Member
Community Builder
Community Influencer
Community Favorite
iTrader: (95)
 
Joined: Dec 2004
Posts: 16,808
Likes: 1,008
From: Mile High Country !!!
Car: 1967 Camaro, 91 z28
Engine: Lb9
Transmission: M20
Axle/Gears: J65 pbr on stock posi 10bolt
Re: Second crank issues

Correct after the est connector is plugged in the ecm takes over and controls timing and will advance.
Reply
Old Jan 19, 2020 | 03:11 PM
  #69  
liljon285's Avatar
Thread Starter
Member
 
Joined: Feb 2008
Posts: 190
Likes: 2
Car: 1987 IROC
Engine: 5.0 TPI all stock
Transmission: T5
Axle/Gears: G92 G80
Re: Second crank issues

Ok yep reviving it now indeed there is a tick now. Damnit! Just when it started to run good. Sounds like it may be a lifter.
Reply
Old Jan 19, 2020 | 03:16 PM
  #70  
Tuned Performance's Avatar
Sponsor
20 Year Member
Community Builder
Community Influencer
Community Favorite
iTrader: (95)
 
Joined: Dec 2004
Posts: 16,808
Likes: 1,008
From: Mile High Country !!!
Car: 1967 Camaro, 91 z28
Engine: Lb9
Transmission: M20
Axle/Gears: J65 pbr on stock posi 10bolt
Re: Second crank issues

You can use a mechanics stethoscope to listen for engine noises. Might just be the injectors ticking they sound like a lifter tick .
Reply
Old Jan 19, 2020 | 03:24 PM
  #71  
liljon285's Avatar
Thread Starter
Member
 
Joined: Feb 2008
Posts: 190
Likes: 2
Car: 1987 IROC
Engine: 5.0 TPI all stock
Transmission: T5
Axle/Gears: G92 G80
Re: Second crank issues

It’s almost a knock. It’s hard to pin point as it does it mostly when I’m revving it up let off and rev again before it goes back to idle it does it. Definitely not blown rod noise but possibly lifter. It has fresh oil change in it too, great oil pressure. Gonna just start driving it hopefully it blows over, could be gunk in the lifters or something.


just my luck had a tire valve crack as well so now it’s flat on the ground!! Lol damn old cars!
Reply
Old Jan 19, 2020 | 05:56 PM
  #72  
liljon285's Avatar
Thread Starter
Member
 
Joined: Feb 2008
Posts: 190
Likes: 2
Car: 1987 IROC
Engine: 5.0 TPI all stock
Transmission: T5
Axle/Gears: G92 G80
Re: Second crank issues

Had to take a video of it


Reply
Old Jan 20, 2020 | 04:30 PM
  #73  
liljon285's Avatar
Thread Starter
Member
 
Joined: Feb 2008
Posts: 190
Likes: 2
Car: 1987 IROC
Engine: 5.0 TPI all stock
Transmission: T5
Axle/Gears: G92 G80
Re: Second crank issues

So I couldn’t just let it sit and let the week go by so I put some air in the tire after gluing the crack on the stem and took the car for a spin after it warmed up well. Gotta say it drives AMAZING with the new injectors, I barely heard the knock at if any. But as soon as I parked it I can hear the tapping. Then once you rev it you can hear it. For sure it’s rod knock.


now my question is, can I drop the pan and swap them out without removing the engine? I still would love to do a t5 swap and enjoy the car as is before I burry my head into a ls swap project. I literally just tagged and insured it!! Just want to know if it would be worth it.
Reply
Old Jan 20, 2020 | 04:44 PM
  #74  
Tuned Performance's Avatar
Sponsor
20 Year Member
Community Builder
Community Influencer
Community Favorite
iTrader: (95)
 
Joined: Dec 2004
Posts: 16,808
Likes: 1,008
From: Mile High Country !!!
Car: 1967 Camaro, 91 z28
Engine: Lb9
Transmission: M20
Axle/Gears: J65 pbr on stock posi 10bolt
Re: Second crank issues

if its a rod knock, more than likely the rods should be checked for being round. I wouldn't just chance it with bearings only. i think the distributor and motor mount bolts have to be removed to jack up the engine in order to remove the pan. not 100% sure though.
Reply
Old Jan 21, 2020 | 01:39 PM
  #75  
liljon285's Avatar
Thread Starter
Member
 
Joined: Feb 2008
Posts: 190
Likes: 2
Car: 1987 IROC
Engine: 5.0 TPI all stock
Transmission: T5
Axle/Gears: G92 G80
Re: Second crank issues

That’s alright, I’m on the hunt now, maybe can find a 305 already with the t5 setup and swap it in. Hoping to find a setup for under $1200 anything more than that I think I’d just save up and do an LS. Is there anything particular to the TPI engine blocks? Can I find just any 305 long block and put all my components on it and go. I thought about jumping up to a 350 but I JUST bought those 19lb injectors and my ecm is for a 305 so rather not do that.
Reply
Old Jan 21, 2020 | 01:42 PM
  #76  
Tuned Performance's Avatar
Sponsor
20 Year Member
Community Builder
Community Influencer
Community Favorite
iTrader: (95)
 
Joined: Dec 2004
Posts: 16,808
Likes: 1,008
From: Mile High Country !!!
Car: 1967 Camaro, 91 z28
Engine: Lb9
Transmission: M20
Axle/Gears: J65 pbr on stock posi 10bolt
Re: Second crank issues

A l31r is a inexpensive upgrade. Scoggin dicky has the tpi base for it.

https://www.jegs.com/i/JEGS/059/0282/10002/-1

Reply
Old Jan 21, 2020 | 01:44 PM
  #77  
liljon285's Avatar
Thread Starter
Member
 
Joined: Feb 2008
Posts: 190
Likes: 2
Car: 1987 IROC
Engine: 5.0 TPI all stock
Transmission: T5
Axle/Gears: G92 G80
Re: Second crank issues

Originally Posted by Tuned Performance
A l31r is a inexpensive upgrade. Scoggin dicky has the tpi base for it.

https://www.jegs.com/i/JEGS/059/0282/10002/-1
I can’t use my intake on that or distributor? I have so many new parts on my current engine just don’t want to throw them away! That’s not bad at all though especially a 350. But would need new injectors right?
Reply
Old Jan 21, 2020 | 01:49 PM
  #78  
Tuned Performance's Avatar
Sponsor
20 Year Member
Community Builder
Community Influencer
Community Favorite
iTrader: (95)
 
Joined: Dec 2004
Posts: 16,808
Likes: 1,008
From: Mile High Country !!!
Car: 1967 Camaro, 91 z28
Engine: Lb9
Transmission: M20
Axle/Gears: J65 pbr on stock posi 10bolt
Re: Second crank issues

You can reuse you distributor, you need a intake base, water pump , harmonic balancer and 22#hr injectors
as well as a new memcal or have yours reprogrammed but the knock sensor will not be to accurate if you use it on a 350.

https://sdparts.com/i-23896057-sdpc-...baseplate.html
Reply
Old Jan 21, 2020 | 02:20 PM
  #79  
liljon285's Avatar
Thread Starter
Member
 
Joined: Feb 2008
Posts: 190
Likes: 2
Car: 1987 IROC
Engine: 5.0 TPI all stock
Transmission: T5
Axle/Gears: G92 G80
Re: Second crank issues

Originally Posted by Tuned Performance
You can reuse you distributor, you need a intake base, water pump , harmonic balancer and 22#hr injectors
as well as a new memcal or have yours reprogrammed but the knock sensor will not be to accurate if you use it on a 350.

https://sdparts.com/i-23896057-sdpc-...baseplate.html

Yea that’s where stuff starts to add up, and then probably wouldn’t even be worth strapping the t5 behind it it’ll blow it to shreds! Have a lot if thinking to do.
Reply
Old Jan 21, 2020 | 06:50 PM
  #80  
liljon285's Avatar
Thread Starter
Member
 
Joined: Feb 2008
Posts: 190
Likes: 2
Car: 1987 IROC
Engine: 5.0 TPI all stock
Transmission: T5
Axle/Gears: G92 G80
Re: Second crank issues

If I find a 350 L98 and throw it in there, aside from the 22injectors I would need everything else would work fine correct? Can you tune my current ecm or would I need the L98 ecm? And if I get it is it the same exact plug?

Looking at maybe doing a L98 and a T56. Little more than I’d like to spend but I’m sure it’ll keep me contempt for the next 2-3 years before I LS swap it.
Reply
Old Jan 21, 2020 | 06:57 PM
  #81  
Tuned Performance's Avatar
Sponsor
20 Year Member
Community Builder
Community Influencer
Community Favorite
iTrader: (95)
 
Joined: Dec 2004
Posts: 16,808
Likes: 1,008
From: Mile High Country !!!
Car: 1967 Camaro, 91 z28
Engine: Lb9
Transmission: M20
Axle/Gears: J65 pbr on stock posi 10bolt
Re: Second crank issues

I could tune your current memcal chip in the ecm to work on a 350.
the knock retard function would still work but a 350 memcal chip would never better to use.
aslong as you set the base timing not to far advanced you should be fine with the 305 chip reprogrammed.
hard call on the engine swap.
Reply
Old Jan 21, 2020 | 07:24 PM
  #82  
liljon285's Avatar
Thread Starter
Member
 
Joined: Feb 2008
Posts: 190
Likes: 2
Car: 1987 IROC
Engine: 5.0 TPI all stock
Transmission: T5
Axle/Gears: G92 G80
Re: Second crank issues

If I find the L98 with the ecm can it just plug into my current harness? By that I mean take my current ecm out plug 5.7 one in and shove back into the inside of dash lol
Reply
Old Jan 21, 2020 | 08:27 PM
  #83  
Tuned Performance's Avatar
Sponsor
20 Year Member
Community Builder
Community Influencer
Community Favorite
iTrader: (95)
 
Joined: Dec 2004
Posts: 16,808
Likes: 1,008
From: Mile High Country !!!
Car: 1967 Camaro, 91 z28
Engine: Lb9
Transmission: M20
Axle/Gears: J65 pbr on stock posi 10bolt
Re: Second crank issues

If it’s a 90-92 tpi l98 with a 1227730 ecm yes it would be a direct swap.
Reply
Related Topics
Thread
Thread Starter
Forum
Replies
Last Post
IROCThe5.7L
Tech / General Engine
14
May 25, 2023 04:26 PM
Ozz1967
Tech / General Engine
12
Aug 8, 2012 12:06 PM
cityspud117
Tech / General Engine
5
Dec 11, 2008 03:58 PM
kenny89
TPI
2
May 28, 2002 12:28 PM




All times are GMT -5. The time now is 06:34 PM.