this may be a dumb question but...
Thread Starter
Junior Member
Joined: Aug 2010
Posts: 82
Likes: 0
From: Florida
Car: 1988 firebird
Engine: 2.8 V6
this may be a dumb question but...
i tried the electronics board but got nowhere. i can get my headlights to go down but not up. the other day i got them to go up and down no problem now i can only get them down. everything else electrical seems like it is fine so i am not sure if it is a fuse.
**and for my main dumb question. i finally got the car put together and the lines all done. i changed the oil and got gas into it. i just can't get it to start. it sounds like it is trying to turn over but it just can't. also when i stop turning the key it sounds like it stops hard. any suggestions? i don't know if it is throwing a code since i don't have the machine nor do i even know how to use it if i did.
and lastly if you have the time. can you go to this thread and tell me if i routed my lines right?
thank you for any and all help as always. without you guys i'd have given up and just be staring at the television all day.
**and for my main dumb question. i finally got the car put together and the lines all done. i changed the oil and got gas into it. i just can't get it to start. it sounds like it is trying to turn over but it just can't. also when i stop turning the key it sounds like it stops hard. any suggestions? i don't know if it is throwing a code since i don't have the machine nor do i even know how to use it if i did.
and lastly if you have the time. can you go to this thread and tell me if i routed my lines right?
thank you for any and all help as always. without you guys i'd have given up and just be staring at the television all day.
Supreme Member
Joined: Jul 2009
Posts: 2,615
Likes: 5
From: PA
Car: 1996 Camaro, 1985 Camaro
Engine: 3.8, 3.4
Transmission: WC T5, 700r4
Axle/Gears: 3.23(?), 3.42
Re: this may be a dumb question but...
Idk the first thing about popup headlights, but I know there is like a million threads on issues with them on the boards...
As for it not starting, we need more info, is it firing? is it turning over but not firing? is it doing nothing? Is it making a click noise and not turning over? If its just turning over and or firing somewhat, try checking the timing, also it probably needs a full tuneup.
As for it not starting, we need more info, is it firing? is it turning over but not firing? is it doing nothing? Is it making a click noise and not turning over? If its just turning over and or firing somewhat, try checking the timing, also it probably needs a full tuneup.
Thread Starter
Junior Member
Joined: Aug 2010
Posts: 82
Likes: 0
From: Florida
Car: 1988 firebird
Engine: 2.8 V6
Re: this may be a dumb question but...
basically when i turn the key you hear the starter, like it wants to try to start up but it never turns over, all i get is the humming sound but nothing happens. kinda reminds me of when my van's fuel pump went out. i may still have old gas in the lines that i am working through.
i want you to treat me like an idiot here. make it as simple as possible. what would be your first place you'd look into? and then the next thing? anything will help. i am going to check to see if i can manually move the pistons when i get home to make sure it is not locked up. i am also going to try to check the fuel lines to see if the pump is working.
i want you to treat me like an idiot here. make it as simple as possible. what would be your first place you'd look into? and then the next thing? anything will help. i am going to check to see if i can manually move the pistons when i get home to make sure it is not locked up. i am also going to try to check the fuel lines to see if the pump is working.
Junior Member
iTrader: (1)
Joined: Aug 2006
Posts: 48
Likes: 0
From: Tacoma, Wa
Car: 01 tj, working on 87 firebird
Engine: 2.8
Transmission: auto
Axle/Gears: dono on the bird
Re: this may be a dumb question but...
for the headlights, probably the box that controls them (on the firewall drivers side i think)
For the no start, I would bet the HUM is the fuel pump turning on, does it start this noise with the key in the on position or only when you turn the key to start?
For the no start, I would bet the HUM is the fuel pump turning on, does it start this noise with the key in the on position or only when you turn the key to start?
Thread Starter
Junior Member
Joined: Aug 2010
Posts: 82
Likes: 0
From: Florida
Car: 1988 firebird
Engine: 2.8 V6
Re: this may be a dumb question but...
i hate how hard it is to try to describe sounds.
Supreme Member
Joined: Jul 2009
Posts: 2,615
Likes: 5
From: PA
Car: 1996 Camaro, 1985 Camaro
Engine: 3.8, 3.4
Transmission: WC T5, 700r4
Axle/Gears: 3.23(?), 3.42
Re: this may be a dumb question but...
Either the battery is dead, or the starter or solenoid is bad, or a wire is bad or not hooked up right, but in that case you usually hear nothing or get a click sound and a spark.
Thread Starter
Junior Member
Joined: Aug 2010
Posts: 82
Likes: 0
From: Florida
Car: 1988 firebird
Engine: 2.8 V6
Re: this may be a dumb question but...
ok i checked the pressure of the fuel lines and as it turns out i am not getting any. i think it might be the pump, but as i read it could be my relay.
two questions.
1) what relay would it be.
2) how can i tell if it is the relay.
if it turns out not to be the relay what could it be?
maybe the pump... how hard will it be to change the pump?
thank you for any advice.
two questions.
1) what relay would it be.
2) how can i tell if it is the relay.
if it turns out not to be the relay what could it be?
maybe the pump... how hard will it be to change the pump?
thank you for any advice.
Trending Topics
Supreme Member
Joined: Jul 2009
Posts: 2,615
Likes: 5
From: PA
Car: 1996 Camaro, 1985 Camaro
Engine: 3.8, 3.4
Transmission: WC T5, 700r4
Axle/Gears: 3.23(?), 3.42
Re: this may be a dumb question but...
You should hear the fuel pump prime when the ignition system is turned on, if not check the fuses near the pass side fender, they will be inside weather connectors, the relay is the fuel pump relay in the sending unit, changing the fuel pump is a PITA unless someone put an access hole in your floor already.
But I think you also have a starter issue, unless the car is setup to not crank if the fuel pump isn't running, I'm not sure if it is or not.
But I think you also have a starter issue, unless the car is setup to not crank if the fuel pump isn't running, I'm not sure if it is or not.
Thread Starter
Junior Member
Joined: Aug 2010
Posts: 82
Likes: 0
From: Florida
Car: 1988 firebird
Engine: 2.8 V6
Re: this may be a dumb question but...
ya, so i've read about the fuel pump replacement. i doubt i got a hole for my convenience.
"if not check the fuses near the pass side fender, they will be inside weather connectors, the relay is the fuel pump relay in the sending unit,"
sorry to sound like an idiot but could you dumb this down as far as possible for me. where exactly would be these fuses. i am not sure i can find them.
and out of the 3 relays on the driver side what one would be the relay for the fuel pump?
"if not check the fuses near the pass side fender, they will be inside weather connectors, the relay is the fuel pump relay in the sending unit,"
sorry to sound like an idiot but could you dumb this down as far as possible for me. where exactly would be these fuses. i am not sure i can find them.
and out of the 3 relays on the driver side what one would be the relay for the fuel pump?
Supreme Member
Joined: Jul 2009
Posts: 2,615
Likes: 5
From: PA
Car: 1996 Camaro, 1985 Camaro
Engine: 3.8, 3.4
Transmission: WC T5, 700r4
Axle/Gears: 3.23(?), 3.42
Re: this may be a dumb question but...
The fuel pump relay is in the sending unit in the tank to the best of my knowledge, as for the fuses, just look along your pass side fender for two connectors by each other that look the same and unplug them, not many other things near that area if any, and even if there are you will know the difference by which ones have fuses in them...same type of fuses you find on the interior in the fuse block.
Thread Starter
Junior Member
Joined: Aug 2010
Posts: 82
Likes: 0
From: Florida
Car: 1988 firebird
Engine: 2.8 V6
Re: this may be a dumb question but...
ok i found the two on the passenger side. both are 20 and both are good.
i have 3 relays on the driver side in the engine cavity on the side toward the interior. what are these for? two look the same and one is different. what one would be for the fuel pump and are the two that look the same interchangeable (i would think not though)
i have 3 relays on the driver side in the engine cavity on the side toward the interior. what are these for? two look the same and one is different. what one would be for the fuel pump and are the two that look the same interchangeable (i would think not though)
Thread Starter
Junior Member
Joined: Aug 2010
Posts: 82
Likes: 0
From: Florida
Car: 1988 firebird
Engine: 2.8 V6
Re: this may be a dumb question but...
oh and i can not hear the pump. so either it is the pump or the relay... or the plug to the pump is not plugged in all the way.
Junior Member
iTrader: (1)
Joined: Aug 2006
Posts: 48
Likes: 0
From: Tacoma, Wa
Car: 01 tj, working on 87 firebird
Engine: 2.8
Transmission: auto
Axle/Gears: dono on the bird
Re: this may be a dumb question but...
The fuel pump relay is under the hood, drivers side, next to the brake booster
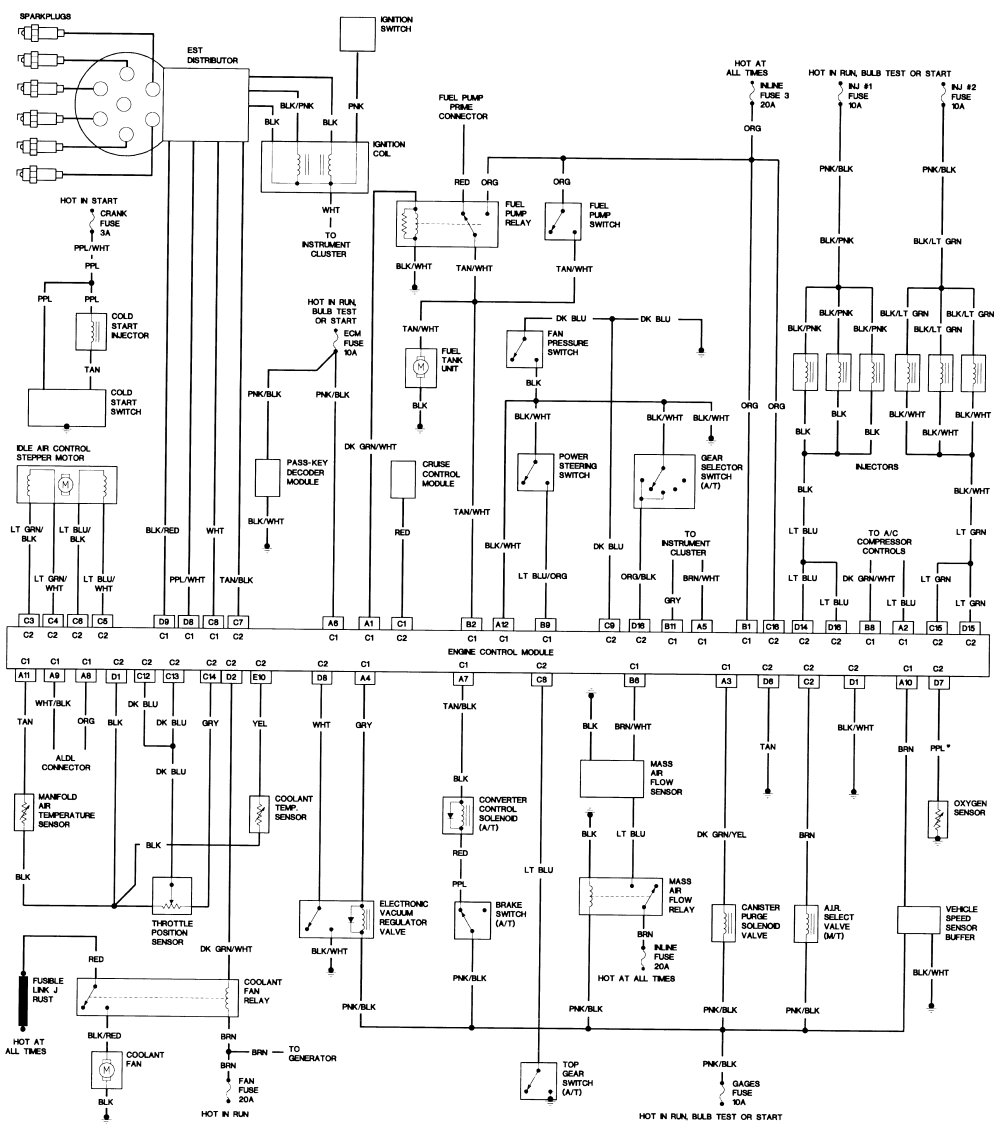
you can see the wiring for it here
http://www.austinthirdgen.org/mkport...ine_wiring.gif
you can see the wiring for it here
http://www.austinthirdgen.org/mkport...ine_wiring.gif
Junior Member
iTrader: (1)
Joined: Aug 2006
Posts: 48
Likes: 0
From: Tacoma, Wa
Car: 01 tj, working on 87 firebird
Engine: 2.8
Transmission: auto
Axle/Gears: dono on the bird
Thread Starter
Junior Member
Joined: Aug 2010
Posts: 82
Likes: 0
From: Florida
Car: 1988 firebird
Engine: 2.8 V6
Re: this may be a dumb question but...
The fuel pump relay is under the hood, drivers side, next to the brake booster
you can see the wiring for it here
http://www.austinthirdgen.org/mkport...ine_wiring.gif
you can see the wiring for it here
http://www.austinthirdgen.org/mkport...ine_wiring.gif
see three relays here. i am not sure what is what though.
Thread Starter
Junior Member
Joined: Aug 2010
Posts: 82
Likes: 0
From: Florida
Car: 1988 firebird
Engine: 2.8 V6
Re: this may be a dumb question but...
oh and the part looks like this http://tinyurl.com/4jzzvdh
mine is an 87 i don't know if this part matches. it doesn't quite look like mine.
Junior Member
iTrader: (1)
Joined: Aug 2006
Posts: 48
Likes: 0
From: Tacoma, Wa
Car: 01 tj, working on 87 firebird
Engine: 2.8
Transmission: auto
Axle/Gears: dono on the bird
Re: this may be a dumb question but...
On my car the relay has an orange wire that supplies 12V power, a red wire, grey wire, one thinner black/white wire for the ground one thin green/white wire from the ECM
test the orange wire for 12v if you got less there you got power problems (ground,blown fuse, weak battery ect) if you have 12v
Use a paperclip jump the orange power wire to the grey fuel pump feed wire the pump should kick on. If it does not your pump could be fouled up or the wiring between the relay and your pump could be fouled up (mine was actually cut but thats a whole nother story)
test the orange wire for 12v if you got less there you got power problems (ground,blown fuse, weak battery ect) if you have 12v
Use a paperclip jump the orange power wire to the grey fuel pump feed wire the pump should kick on. If it does not your pump could be fouled up or the wiring between the relay and your pump could be fouled up (mine was actually cut but thats a whole nother story)
Junior Member
iTrader: (1)
Joined: Aug 2006
Posts: 48
Likes: 0
From: Tacoma, Wa
Car: 01 tj, working on 87 firebird
Engine: 2.8
Transmission: auto
Axle/Gears: dono on the bird
Thread Starter
Junior Member
Joined: Aug 2010
Posts: 82
Likes: 0
From: Florida
Car: 1988 firebird
Engine: 2.8 V6
Re: this may be a dumb question but...
i'll look into it tomorrow after work, thanks for the help.
also if anyone else has more info please add it.
i like all the info i can get. the more you learn the more you know, the more you know the better suited you are to fix a problem.
also if anyone else has more info please add it.
i like all the info i can get. the more you learn the more you know, the more you know the better suited you are to fix a problem.
Thread
Thread Starter
Forum
Replies
Last Post
NinjaNife
Tech / General Engine
27
Aug 23, 2015 11:49 AM




