I swapped out my 350 TPI to a 400 carb. I have a holley fuel pressure regulator with gauge in the engine compartment connected to the OE metal fuel lines. When I first turn on the key the fuel pump runs for about 2 seconds then shuts off. You can hear it and the gauge shows it as well. I can start the engine but the pump won't come back on until I shut the key off for a few seconds and then turn the key back on and the pump runs for about 2 seconds and repeat. Did I miss something? What do I have to do to keep the pump running when the engine is running?
Before I started the engine I would turn the key on to get the fuel pump to run so I could check for fuel leaks. One time I shut the key off and the pump kept running. It then shut off. I had the wire plugs towards the bottom of the steering column apart doing some other stuff prior to all of this. I will check those plugs tomorrow. Do you think it might be a bad switch?
OrangeBird
Supreme Member
close
- Join DateFeb 2012
- Posts:3,939
- iTrader Positive Feedback100
- iTrader Feedback Score(1)
- Car1989 Firebird
- Likes:679
- Liked:801 Times in 570 Posts
Quote:
The fact that it still does the two second prime means that the ECM is still in place, am I correct? Originally Posted by BBCSwap
I swapped out my 350 TPI to a 400 carb. I have a holley fuel pressure regulator with gauge in the engine compartment connected to the OE metal fuel lines. When I first turn on the key the fuel pump runs for about 2 seconds then shuts off. You can hear it and the gauge shows it as well. I can start the engine but the pump won't come back on until I shut the key off for a few seconds and then turn the key back on and the pump runs for about 2 seconds and repeat. Did I miss something? What do I have to do to keep the pump running when the engine is running? Does the carb conversion mean that the distributor has also been changed to a non ECM controlled one for it's timing curves?
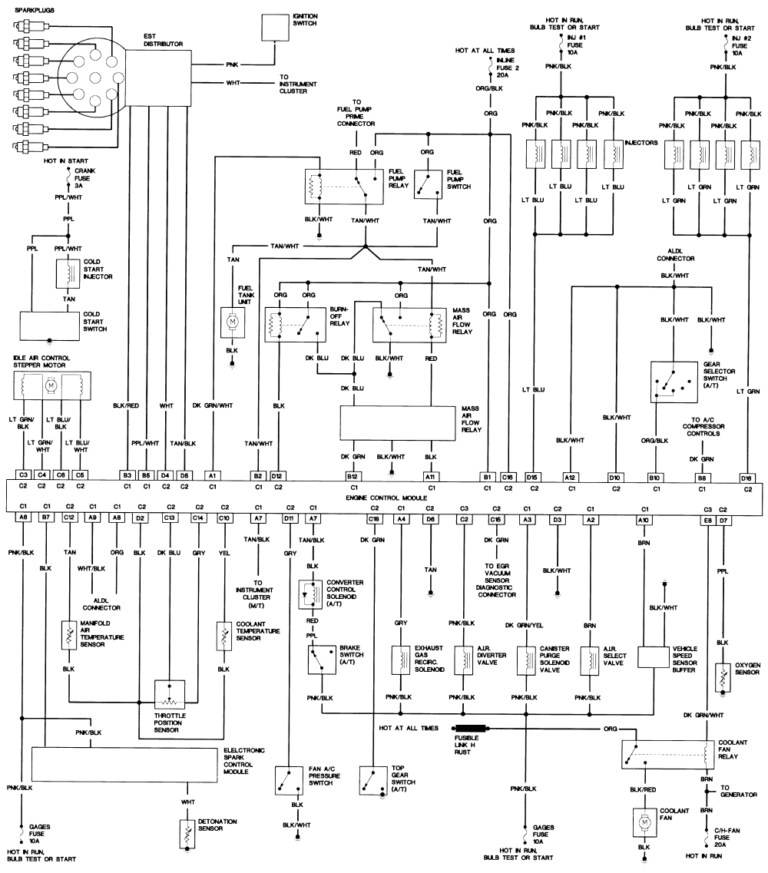
Here is the wiring diagram for the fuel pump. See how there is an oil pressure switch in parallel with the fuel pump relay's switched contacts? If that switch was eliminated in the TPI to carb swap, put it back, and then your pump will run whenever there is oil pressure.....

(This diagram is from a 350TPI, but the fuel pump circuit was pretty much the same in all the engines)
The ECM is still in place. The distributor is a new HEI non computer controlled. In the diagram I don't see the oil pressure switch. I did hook it back up. I have 60 psi.
OrangeBird
Supreme Member
close
- Join DateFeb 2012
- Posts:3,939
- iTrader Positive Feedback100
- iTrader Feedback Score(1)
- Car1989 Firebird
- Likes:679
- Liked:801 Times in 570 Posts
Quote:
Right next to the relay it's called "fuel pump switch". See how it and the relay's switched contacts are in parallel? The actual switch is (or was) screwed into the block, either right behind the intake manifold, or in the area of the oil filter.Originally Posted by BBCSwap
The ECM is still in place. The distributor is a new HEI non computer controlled. In the diagram I don't see the oil pressure switch. I did hook it back up. I have 60 psi. In it's normal state, you turn the key on and the ECM commands the relay to do the two second prime, to pressurize the injector rail. You turn the key to start and start the engine, the ECM recognizes that the distributor is turning and keeps the relay engaged as long as the distributor keeps turning. Meanwhile, the oil pressure has now come up in the just started engine and the oil pressure switch closes, providing a layer of redundancy in powering the fuel pump. Anything that causes the engine to stop (like a horrific crash bad enough to rupture the highly pressurized fuel lines, for ex) will of course stop the distributor from turning and will result in no oil pressure, so the pump shuts down. This is why it's so important to not just "hotwire" the pump, you really only want the pump to run when the engine does.
Now, in your case, the ECM is no longer receiving the "distributor is turning" signal, so the ECM will not do anything but the two second prime. This is why you must investigate and get the oil pressure switch back functioning again, it's the only thing that's gonna supply power to your pump in the situation your car is presently in....
I see the fuel pump switch. thanks. The oil pressure switch is working. Gauge shows 60 psi.
OrangeBird
Supreme Member
close
- Join DateFeb 2012
- Posts:3,939
- iTrader Positive Feedback100
- iTrader Feedback Score(1)
- Car1989 Firebird
- Likes:679
- Liked:801 Times in 570 Posts
Quote:
It's actually two different units, the sending unit that runs the gauge is not electrically involved with the switch for the fuel pump. On some cars they were built into the same physical unit, and on some cars the oil pressure sender for the gauge is separate from the fuel pump's switch.........Originally Posted by BBCSwap
I see the fuel pump switch. thanks. The oil pressure switch is working. Gauge shows 60 psi. My oil sender/switch is by the oil filter, as pictured below. There is nothing behind the intake manifold on the 350 that I pulled. It is a three wire. Orange, gray, brown. When I jump the orange and gray the fuel pump runs with the key on or off. I am suspecting the oil sender/switch. I have one on the way. Thank you for your help. I have another problem. I'll start another thread.

OrangeBird
Supreme Member
close
- Join DateFeb 2012
- Posts:3,939
- iTrader Positive Feedback100
- iTrader Feedback Score(1)
- Car1989 Firebird
- Likes:679
- Liked:801 Times in 570 Posts
Quote:
Originally Posted by BBCSwap
My oil sender/switch is by the oil filter, as pictured below. There is nothing behind the intake manifold on the 350 that I pulled. It is a three wire. Orange, gray, brown. When I jump the orange and gray the fuel pump runs with the key on or off. I am suspecting the oil sender/switch. I have one on the way. Thank you for your help. I have another problem. I'll start another thread.I got my oil sender/switch today. When I have oil pressure the fuel pump stays running. Woo Hoo. Thanks for the help.
OrangeBird
Supreme Member
close
- Join DateFeb 2012
- Posts:3,939
- iTrader Positive Feedback100
- iTrader Feedback Score(1)
- Car1989 Firebird
- Likes:679
- Liked:801 Times in 570 Posts
Quote:
Great news, glad I could help Originally Posted by BBCSwap
I got my oil sender/switch today. When I have oil pressure the fuel pump stays running. Woo Hoo. Thanks for the help. 



