brake light + turn signals: 82 - 84
Thread Starter
Junior Member
Joined: Jan 2007
Posts: 17
Likes: 0
From: Mankato, MN
Car: Trans Am GTA, 1989
Engine: L98
Transmission: 700R4
brake light + turn signals: 82 - 84
I have a 1984 Trans Am. The Brake lights and the Turn signals use the same lamps from 1982 - 1984. My problem is that I have to separate the turn signal wires from the brake wire. I need separate turn signal lamps and a separate brake light (stupid Austrian law).
Does anybody know, where in the car the turn signal wires and the brake wire comes together? Which wire colour do they have? (left turn signal yellow, right dark green and brake??)
Thank you for any advice!!
Does anybody know, where in the car the turn signal wires and the brake wire comes together? Which wire colour do they have? (left turn signal yellow, right dark green and brake??)
Thank you for any advice!!
Supreme Member
iTrader: (3)
Joined: Jul 2004
Posts: 2,989
Likes: 9
Car: '91 Z28 convertible
Engine: TPI
Transmission: T5
Axle/Gears: 3.27 posi disc
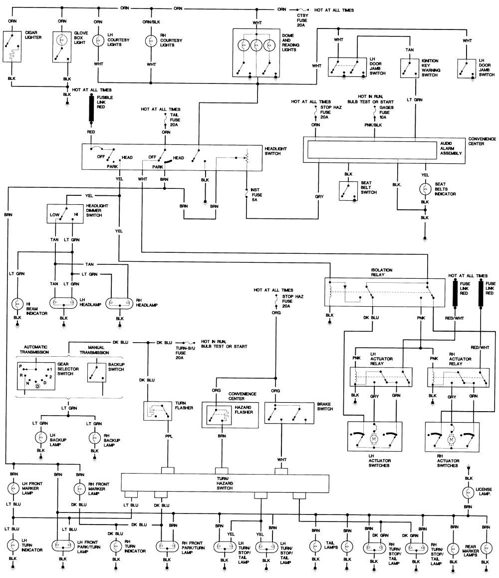
This is a diagram for the turn signals and brakes on a 1982 F-body.

If you cut the white wire between the Brake Switch and the Turn/Hazard Switch, the taillights will not light up with brakes. You could then separate some bulbs in the taillights and designate them as "brake only" and power them with the white wire from the brake switch.
That's only one option, there are more but I think this one is simple and reliable enough.
If you need more diagrams, you can find them here: http://www.austinthirdgen.org/module...howpage&pid=22
Hope this helps.
Lou

If you cut the white wire between the Brake Switch and the Turn/Hazard Switch, the taillights will not light up with brakes. You could then separate some bulbs in the taillights and designate them as "brake only" and power them with the white wire from the brake switch.
That's only one option, there are more but I think this one is simple and reliable enough.
If you need more diagrams, you can find them here: http://www.austinthirdgen.org/module...howpage&pid=22
Hope this helps.
Lou
Supreme Member
iTrader: (3)
Joined: Jul 2004
Posts: 2,989
Likes: 9
Car: '91 Z28 convertible
Engine: TPI
Transmission: T5
Axle/Gears: 3.27 posi disc
Many greetings to Austria, the land next to the land where I was born. 
I just returned from cold Europe to warm Texas, the land of sun and cattle. I really enjoy the 15°C temperatures and warm sun rays here.
Let me know if you have any more questions.
Lou

I just returned from cold Europe to warm Texas, the land of sun and cattle. I really enjoy the 15°C temperatures and warm sun rays here.

Let me know if you have any more questions.
Lou
Thread Starter
Junior Member
Joined: Jan 2007
Posts: 17
Likes: 0
From: Mankato, MN
Car: Trans Am GTA, 1989
Engine: L98
Transmission: 700R4
Now I have a new problem:
the complete taillights do not work (turn signals, brake, etc.) + interiour lights do not work.
Checked the fuse box, also the "Stop Haz" fuse. Everything ok! Now I do not know where to look. Maybe anybody had the same problem and could give me some advice?
Martin
the complete taillights do not work (turn signals, brake, etc.) + interiour lights do not work.
Checked the fuse box, also the "Stop Haz" fuse. Everything ok! Now I do not know where to look. Maybe anybody had the same problem and could give me some advice?
Martin
Thread
Thread Starter
Forum
Replies
Last Post





