Electronics Need help wiring something up? Thinking of adding an electrical component to your car? Need help troubleshooting that wiring glitch?

Hatch Pull Down Solenoid Wiring

Thread Tools
 
Search this Thread
 
Old Sep 30, 2020 | 03:35 PM
  #1  
ryegrass's Avatar
Thread Starter
Junior Member
15 Year Member
 
Joined: Sep 2009
Posts: 25
Likes: 3
Car: 1987 IROC
Engine: 5.7L TPI
Hatch Pull Down Solenoid Wiring

Hi, I am the original owner of a 1987 IROC which has been parked for the better part of 10 years and has only been run periodically over that time. I recently brought the car out of storage and rebuilt the hatch pull down unit which now works perfectly with the exception of the automatic hatch release. The connector and attached black wire to the release solenoid is missing and unfortunately I have no idea what I did with it, or where it originally connected. There are no extra unused connections to attach this wire from the existing harness with the exception of the small white connector pictured below. I've looked at most of the wiring diagrams listed here but the exact wire colors don't match, and the extended relay appears to be located by the rear panel and not at the front of the car. Could the black solenoid wire (switched 12V dc if I'm reading the diagram right, despite its color) be connected here? The cars wiring is all original and hasn't been replaced.


Thanks for any help.

Randy








Reply
Old Oct 1, 2020 | 12:00 PM
  #2  
ryegrass's Avatar
Thread Starter
Junior Member
15 Year Member
 
Joined: Sep 2009
Posts: 25
Likes: 3
Car: 1987 IROC
Engine: 5.7L TPI
Re: Hatch Pull Down Solenoid Wiring

Problem solved! The release solenoid is now working perfectly. While tracing wires, I discovered that the black solenoid wire had been hidden under the rear carpet and rear interior side panel. For anyone else having this problem the solenoid wire is not contained in the wire loom from the front of the car, but is a separate black wire routed behind the lockable rear glove-box (at least on my very early 1987 Camaro).
Reply
Old Oct 27, 2020 | 03:53 PM
  #3  
Outkast Actual's Avatar
Junior Member
 
Joined: Oct 2020
Posts: 29
Likes: 3
From: Kentucky
Car: 1988 Camaro RS
Engine: 383 Stroker
Transmission: TH400 3 Speed Auto
Axle/Gears: 373 Richmond
Re: Hatch Pull Down Solenoid Wiring

Mine stopped working all of a sudden... what did you do to rebuild yours? The lock/unlock function works just fine but that's it... nothing else works... no power. I figure it would probably be best if I just get a new motor and relays for it. I took it apart, twisted the gear in order to adjust it down to to a point that the hatch closes and stays in it's 100% closed position... and it's going to stay closed until I figure out/learn what all I need to do in order to get it functional again.
Reply
Old Oct 27, 2020 | 09:40 PM
  #4  
ryegrass's Avatar
Thread Starter
Junior Member
15 Year Member
 
Joined: Sep 2009
Posts: 25
Likes: 3
Car: 1987 IROC
Engine: 5.7L TPI
Re: Hatch Pull Down Solenoid Wiring

Hi Outkast Actual,

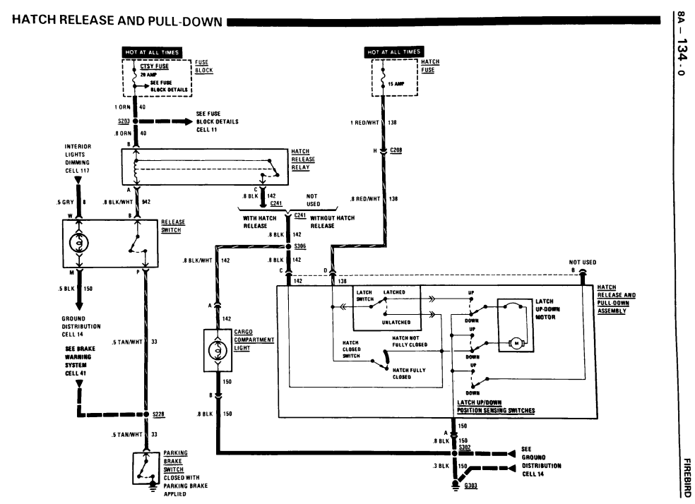
I replaced the "gearbox", the plastic assembly holding the motor and metal worm gear on my car. If I'm remembering correctly (the car was stored on and off for 10 years), the pull down was making a clunking noise when actuated. On your car, check for a blown fuse first, then if you have 12V at the hatch you could remove the motor and test it with alligator clips at the battery, or with a charger. If the motor works, the problem is probably with the latch position switch or relay rather than the wiring.

Randy


Hatch Pull Down Schematic

Last edited by ryegrass; Oct 27, 2020 at 09:48 PM.
Reply
Old Oct 27, 2020 | 09:57 PM
  #5  
Outkast Actual's Avatar
Junior Member
 
Joined: Oct 2020
Posts: 29
Likes: 3
From: Kentucky
Car: 1988 Camaro RS
Engine: 383 Stroker
Transmission: TH400 3 Speed Auto
Axle/Gears: 373 Richmond
Re: Hatch Pull Down Solenoid Wiring

Awesome... thank you for the info... I'll give it a try!
Reply
Old Sep 19, 2023 | 11:58 AM
  #6  
slarkin712's Avatar
Junior Member
 
Joined: Jun 2023
Posts: 3
Likes: 2
Re: Hatch Pull Down Solenoid Wiring

I know this thread is 3 years old, but I am having the same problem as ryegrass. I have an 89 GTA and the former owner must have replaced the hatch motor assembly. When they did, they did not wire in the hatch release switch from the dash. They just left the black wire unused with its connector hanging free in the hatch. Mine is wired exactly as the diagram posted by ryegrass, with the 12V switched black wire from the release switch unused. There are no available connectors for me to plug this into, so I don't know where to connect this. The wiring diagram below is from the 89 firebird service manual. This is supposed to be how it is wired, as opposed to the diagram posted by ryegrass. Can anyone tell where I can wire in the 12V switched wire from the hatch release switch?



Reply
Old Sep 19, 2023 | 12:56 PM
  #7  
slarkin712's Avatar
Junior Member
 
Joined: Jun 2023
Posts: 3
Likes: 2
Re: Hatch Pull Down Solenoid Wiring

I figured it out. I have been trying to figure out the wiring for this for weeks. In looking through a bunch of other threads I realized that my hatch assembly did not have a release solenoid. Check out the picture below. The replacement assembly must have come from a car that did not have a hatch release switch. There is just a plate attached to the latch with the manual release coming from the key cylinder. I've ordered a release solenoid from ebay. Should be fixed in a week!
Reply
Old Sep 19, 2023 | 05:52 PM
  #8  
ryegrass's Avatar
Thread Starter
Junior Member
15 Year Member
 
Joined: Sep 2009
Posts: 25
Likes: 3
Car: 1987 IROC
Engine: 5.7L TPI
Re: Hatch Pull Down Solenoid Wiring

That's great, I'm glad you figured it out.
Reply
Related Topics
Thread
Thread Starter
Forum
Replies
Last Post
Knucklehead39
Body
2
Jun 17, 2020 06:16 AM
Titan85
Electronics
24
Jun 14, 2016 08:38 AM
Annihilate
Electronics
4
May 13, 2014 06:23 AM
orl1jxd
Electronics
1
Jun 21, 2009 09:25 PM




All times are GMT -5. The time now is 12:23 PM.