Electronics Need help wiring something up? Thinking of adding an electrical component to your car? Need help troubleshooting that wiring glitch?

LED Headlight Issue - Flicker

Old Oct 9, 2021 | 11:10 AM
  #1  
mikeyp23's Avatar
Thread Starter
Junior Member
 
Joined: Feb 2018
Posts: 11
Likes: 1
LED Headlight Issue - Flicker

Hi Guys,

Installed 9007 LED bulbs in my clear housings (91 Camaro) the other day, aimed them up properly, and they look fantastic. I did both low and high beams.

Only issue I am having is the high beams seem to be faintly flickering when they are off. What I mean by this is:
  1. When the low beams are on, the high beams have the faintest flicker (appears like they are surging with idle almost). The low beams function perfect.
  2. Revving the engine does not change the pulsing rate of the headlights - it is a constant pulse regardless of RPM.
  3. High beams operate great when activated. No headlight flicker. Fog lights turn off as they should. All 4 headlights are on steady (not sure if this is correct).
  4. The high beams do not flicker when the car is off (i.e. run position, with low beams on, the high beams stay off as they should). Again, the high beams are only faintly flickering when the vehicle is on.
  5. I have checked the headlight grounds (behind the headlights). All wiring is tight. Triple checked all my pins (but perhaps I am wrong).
  6. I should clarify this is a constant flicker/pulse on the high beam side only (vehicle on). This is NOT the other issue I've searched here with the headlight switch heating up and causing the high beams to switch off and on in 5 - 10 min.
  7. The pulsing is very faint - I did not notice this was occurring until night time, and even then the pulse is VERY faint. In any case, the high beams are still drawing some tiny voltage for some reason.
  8. I noticed my highbeam indicator on the dash has been faintly lit up ever since I installed the LEDs (then gets brighter blue when high beams are switched on). I don't recall seeing the faint blue before LED headlights - the indicator space used to be pure black. I'm wondering if there is excess voltage in the headlight circuit now that the LEDs are drawing significantly less watts than my old halogens.

Any thoughts on what the issue is?

I see there are LED anti-flicker harnesses, but I thought this was more for newer vehicles (with canbus?). I'd be surprised if this was needed on camaros.

Thanks in advance.
Reply
Old Oct 9, 2021 | 11:21 AM
  #2  
mikeyp23's Avatar
Thread Starter
Junior Member
 
Joined: Feb 2018
Posts: 11
Likes: 1
Re: LED Headlight Issue - Flicker

Thought about this some more, and it could be a low voltage issue (opposite of my thoughts above), and for some reason the high beams are picking up a ripple from the alternator somehow when they are supposed to be off (LEDs being more sensitive than a standard halogen). They draw nothing when the car is off (but in run mode).

Reply
Old Oct 17, 2021 | 04:37 PM
  #3  
84 1LE's Avatar
Supreme Member
20 Year Member
Liked
Loved
Community Favorite
iTrader: (9)
 
Joined: Nov 2002
Posts: 6,644
Likes: 403
From: Oyth
Car: 89RS vert
Engine: Erod
Transmission: 4L65e
Axle/Gears: BW, 3.27
Re: LED Headlight Issue - Flicker

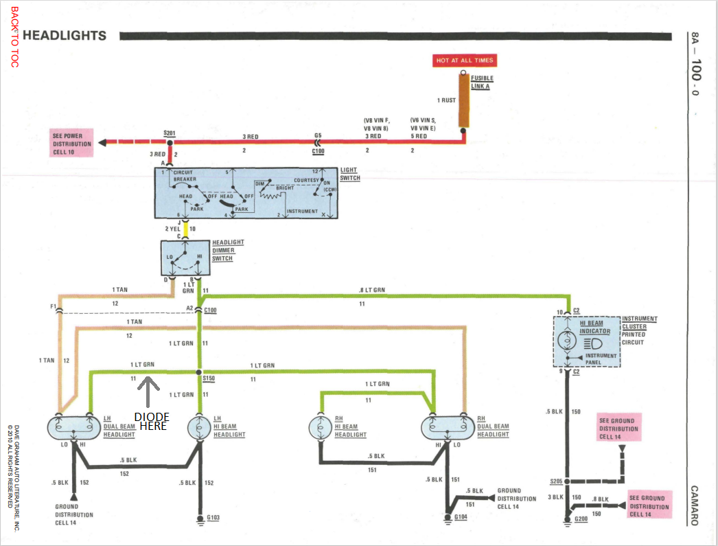
On camaros the low beam headlamp is also a high beam (dual filament). Thats why is has three wires, grd, low, high. That "3rd wire" goes to the hi beam side. When you switch your hi beams on, the low beam shuts off and the hi beam switches on and returns power back to the lo beam lamp, but to the high beam side. Anyway, im thinking your hi beam LED is picking some very low voltage thru this "3rd wire". If so, a diode would/could resolve this. This is also what is probably causing the hi-beam indicator to glow.

Your 4 headlamps being on with hi-beams is correct, but its four hi-beams, not two low/two hi beams.

Last edited by 84 1LE; Oct 17, 2021 at 04:45 PM.
Reply
Old Oct 19, 2021 | 11:25 AM
  #4  
mikeyp23's Avatar
Thread Starter
Junior Member
 
Joined: Feb 2018
Posts: 11
Likes: 1
Re: LED Headlight Issue - Flicker

When you say diode do you have a specific product in mind? Do you mean these anti-flicker harnesses that I assume are just a capacitor to pull this voltage off the 3rd wire? I've researched a few and the reviews say they get alarmingly hot which is mildly concerning.
Reply
Old Oct 19, 2021 | 08:08 PM
  #5  
84 1LE's Avatar
Supreme Member
20 Year Member
Liked
Loved
Community Favorite
iTrader: (9)
 
Joined: Nov 2002
Posts: 6,644
Likes: 403
From: Oyth
Car: 89RS vert
Engine: Erod
Transmission: 4L65e
Axle/Gears: BW, 3.27
Re: LED Headlight Issue - Flicker

No specific part or product. I diode is just an electrical component. Kinda looks like a resistor, but only allows current to flow in one direction. An LED is a Diode that Emits Light. Current flows in one direction, but not the other. That's why it only works when you connect them pos/pos and neg/neg (except those non polarity type). Anyway, i was thinking you could just put a diode inline on the third wire, if what im thinking is correct. In the diagram below, current from the low beam side bleeds over to the hi-beam side thru the common grd/filament. This causes the hi beam to flicker/glow. If a diode is installed to block this current the flicker should be eliminated. Since the diode will allow current to flow in the opposite direction. The hi-beam circuit should still function thru this jumper (3rd wire). Ive never tried myself and current may still by the rd wire thru the jumper wire (tan) on the low beam, so i may be wrong with my diagnosis. You can buy diodes from most any electronics supplier. Just make sure its able to handle the type of current/amperage from such a circuit.


Last edited by 84 1LE; Oct 19, 2021 at 08:48 PM.
Reply
Related Topics
Thread
Thread Starter
Forum
Replies
Last Post
awebber25
Electronics
3
May 6, 2020 07:53 AM
Rob9925
Electronics
4
Oct 25, 2019 08:04 PM
JaredAdams97
Electronics
1
Nov 5, 2013 10:01 PM
orangek
Electronics
13
Apr 4, 2013 03:47 PM
CanadianRoots
Electronics
3
Aug 18, 2008 06:44 PM


Thread Tools
Search this Thread

All times are GMT -5. The time now is 05:55 PM.