Electronics Need help wiring something up? Thinking of adding an electrical component to your car? Need help troubleshooting that wiring glitch?

Electric mirrors camaro RS 1990

Thread Tools
 
Search this Thread
 
Old Feb 5, 2025 | 12:18 PM
  #1  
lolodenimes's Avatar
Thread Starter
Junior Member
 
Joined: Jul 2024
Posts: 45
Likes: 1
Electric mirrors camaro RS 1990

Hey!
I'm working on my project car, a camaro RS 1990 V8 and i just found out that the left AND right mirrors connetics has been ripped off.
Now i have a black plug with 4 wire on one side and 6 wires hanging on the other side.
I've looked for info on forums and schematics but only find some white plugs and only 4 wires.
Did someone knows what can i do with my 6 and how to plug them back on a 4 wire plug??
If you have any schematic do not hesitate to share!
Thx!!
Reply
Old Feb 5, 2025 | 01:23 PM
  #2  
topduarte's Avatar
Supreme Member
20 Year Member
Liked
iTrader: (10)
 
Joined: May 2001
Posts: 1,427
Likes: 496
From: Pflugerville, Texas
Car: 92 Heritage Camaro Z28
Engine: 350 TPI
Transmission: auto
Axle/Gears: 3.23 Limited Slip
Re: Electric mirrors camaro RS 1990

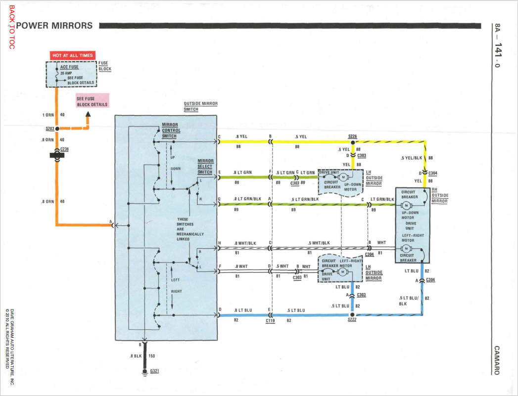
Here are pics from my 1992 camaro FSM.


Reply
Old Feb 5, 2025 | 01:33 PM
  #3  
lolodenimes's Avatar
Thread Starter
Junior Member
 
Joined: Jul 2024
Posts: 45
Likes: 1
Re: Electric mirrors camaro RS 1990

Oh that's nice thx!
So if i'm correct, we have the 6 wires comming from the mirror correctly displayed here.
And i can assume that the 4 wires going to the control panel are the ones before the mecanically linked switch.
So it means that both white are connected together on the same port as well as greens.
But i only have one green
Two whites, one blue, one pink, one green and one tan

Reply
Old Feb 7, 2025 | 02:38 PM
  #4  
lolodenimes's Avatar
Thread Starter
Junior Member
 
Joined: Jul 2024
Posts: 45
Likes: 1
Re: Electric mirrors camaro RS 1990

Up?
No one to help on this topic?
Reply
Old Feb 7, 2025 | 03:31 PM
  #5  
pirateofms's Avatar
Member
Liked
Loved
Community Favorite
 
Joined: Jul 2021
Posts: 121
Likes: 37
From: Western WA
Car: 1989 Firebird
Engine: 2.8 V6
Transmission: T-5
Re: Electric mirrors camaro RS 1990

I just pulled a full set out of a junkyard car, but don't have them on hand. If nobody else chimes in, I'll get them out tonight and send pictures of each connector and what wires are there.
Reply
Old Feb 7, 2025 | 08:12 PM
  #6  
kestell123's Avatar
Member
15 Year Member
Liked
 
Joined: May 2009
Posts: 227
Likes: 55
From: wisconsin
Car: 1991 camaro convertible
Engine: LS3
Transmission: 6l80
Axle/Gears: Ford 8.8 3.31 torsen t2r
Re: Electric mirrors camaro RS 1990

Do you have the correct mirrors for the car?
Reply
Old Feb 7, 2025 | 09:59 PM
  #7  
pirateofms's Avatar
Member
Liked
Loved
Community Favorite
 
Joined: Jul 2021
Posts: 121
Likes: 37
From: Western WA
Car: 1989 Firebird
Engine: 2.8 V6
Transmission: T-5
Re: Electric mirrors camaro RS 1990

Alright. These were taken from an 86, but it should point you in the right direction. Here's the complete setup I pulled:
Switch and plug, red wires were already cut, but they're just power.  Blue, Yellow, White, White/Black, Green, Green/Black.  This goes through the grommet in the door, plugs in under the dash near the fuse panel.
Switch and plug, red wires were already cut, but they're just power. Blue, Yellow, White, White/Black, Green, Green/Black. This goes through the grommet in the door, plugs into the harness under the dash near the fuse panel.
Dash Harness.  Black plug to switch, one white plug to each window.  Short end is driver side.  Runs across the top of the dash, tucked under the vents.
Dash Harness. Black plug to switch, one white plug to each window. Short end is driver side. Runs across the top of the dash, tucked under the vents.
Mirror plug.  One on each side, just under the hush panel, running through the door grommet.  Green, Yellow, White, Grey
Mirror plug. One on each side, just under the hush panel, running through the door grommet. Green, Yellow, White, Grey, both sides appear to be the same.
Reply
Old Feb 9, 2025 | 06:06 PM
  #8  
84 1LE's Avatar
Supreme Member
20 Year Member
Liked
Loved
Community Favorite
iTrader: (9)
 
Joined: Nov 2002
Posts: 6,644
Likes: 403
From: Oyth
Car: 89RS vert
Engine: Erod
Transmission: 4L65e
Axle/Gears: BW, 3.27
Re: Electric mirrors camaro RS 1990

Color if it helps. From my 89 FSM.

Reply
Old Feb 21, 2025 | 11:51 AM
  #9  
lolodenimes's Avatar
Thread Starter
Junior Member
 
Joined: Jul 2024
Posts: 45
Likes: 1
Re: Electric mirrors camaro RS 1990

Thx guys, i did the wiring job correctly thx to you =)
Reply
Related Topics
Thread
Thread Starter
Forum
Replies
Last Post
musclecarfan87
Tech / General Engine
13
Aug 4, 2008 08:44 AM
The_Prostitute
Tech / General Engine
4
Oct 27, 2002 07:45 AM
The_Prostitute
TBI
5
Oct 27, 2002 12:36 AM
CamaroRS1990Guy
Tech / General Engine
2
Jan 24, 2002 07:33 PM




All times are GMT -5. The time now is 01:22 AM.