Tech / General Engine Is your car making a strange sound or won't start? Thinking of adding power with a new combination? Need other technical information or engine specific advice? Don't see another board for your problem? Post it here!
Sponsored by:
Sponsored by: CARiD

Mouse damaged wiring, please help

Thread Tools
 
Search this Thread
 
Old Oct 25, 2025 | 09:54 AM
  #1  
Curvewrecker's Avatar
Thread Starter
Junior Member
 
Joined: Sep 2025
Posts: 71
Likes: 23
From: Rock Falls drag strip, WI
Mouse damaged wiring, please help

I repaired the chewed wiring with solder and shrink tube. I have two white wires that I and not sure I repaired correctly so I left the wire nuts for now. Can someone tell me exactly what I'm working with here?



Reply
Old Oct 25, 2025 | 09:57 AM
  #2  
Curvewrecker's Avatar
Thread Starter
Junior Member
 
Joined: Sep 2025
Posts: 71
Likes: 23
From: Rock Falls drag strip, WI
Re: Mouse damaged wiring, please help

Some Details:
1989 2.8 Auto. Sat for the last ten years and was mouse damaged in several places. The pics is near the firewall by the transmission dipstick.
Reply
Old Oct 25, 2025 | 10:12 AM
  #3  
BURD's Avatar
Member
10 Year Member
 
Joined: Feb 2015
Posts: 380
Likes: 90
Re: Mouse damaged wiring, please help

I’d suggest get a good og harness, swap out what’s bad, you can remove ea wire that you need to replace in the donor harness. I did same, some were bad on my car. Easy fix.
Reply
Old Oct 25, 2025 | 11:16 AM
  #4  
Aaron R.'s Avatar
Supreme Member
20 Year Member
Liked
Loved
Community Favorite
 
Joined: Oct 2004
Posts: 1,056
Likes: 310
From: Missouri
Car: 1985 Z28
Engine: 305 LG4
Transmission: T5
Axle/Gears: 3.42
Re: Mouse damaged wiring, please help

See if the car will run with wires disconnected. If something doesn't work that is a clue what was affected.

Or use a wiring diagram to check color codes and location.

OR (my favorite option) check the surrounding area for wires chewed of same color and splice in new wires like you did with the others. Probably easiest/fastest option. Mice dont usually eat the entire wire, just a small section.
Reply
Old Oct 25, 2025 | 01:26 PM
  #5  
Fred SS's Avatar
Senior Member
15 Year Member
iTrader: (4)
 
Joined: Apr 2010
Posts: 513
Likes: 43
From: New Jersey
Car: 87 Monte Carlo SS
Engine: 89 350TPI Transplant
Transmission: 2004r
Axle/Gears: 3.73
Re: Mouse damaged wiring, please help

As Aaron said, look for wire of the same color. Some wires have a different color stripe along the length. A squirrel chewed half the wires in the harness of my 2007
frontier. Took allot of time but by comparing wire colors, I was able to splice them back.

In your picture, the two light colored wires look like they should go together. While the darker beige wires appear to go together.

Good Luck,

Fred
Reply
Old Oct 25, 2025 | 02:47 PM
  #6  
Curvewrecker's Avatar
Thread Starter
Junior Member
 
Joined: Sep 2025
Posts: 71
Likes: 23
From: Rock Falls drag strip, WI
Re: Mouse damaged wiring, please help

I'm specifically unsure about the two white wires, capped with a blue and an orange wire nut. The were chewed thru in the same place and look the same to me. What do the white wires do, does anyone know offhand?
Reply
Old Oct 25, 2025 | 02:51 PM
  #7  
BURD's Avatar
Member
10 Year Member
 
Joined: Feb 2015
Posts: 380
Likes: 90
Re: Mouse damaged wiring, please help

Pick up a manual with the elec schematic in
Reply
Old Oct 25, 2025 | 07:56 PM
  #8  
Toon86's Avatar
Junior Member
Liked
Loved
Community Favorite
 
Joined: Jul 2025
Posts: 90
Likes: 23
From: Ontario
Car: 1986 Base Firebird
Engine: 2.8L MPI
Transmission: 4 Speed
Axle/Gears: 3.42:1
Re: Mouse damaged wiring, please help

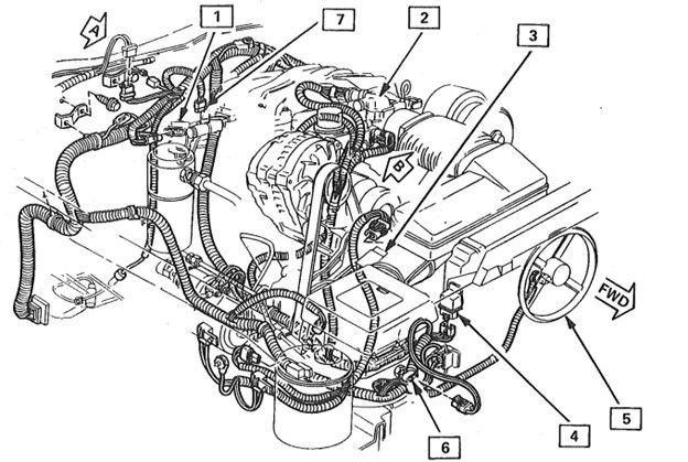
From the 1988 service manual it appears to be the EVRV connector.
EVRV - ELECTRONIC VACUUM REGULATOR VALVE - Controls EGR vacuum.



1-EVRV SOLENOID & RELAY

2-THROTTLE BODY

3-MAF SENSOR

4-MAF RELAY

6-MAT SENSOR

7-COIL CONNECTOR

8-DISTRIBUTOR

9-EST CONN.

10-FAN SW.

11-SET TIMING

I2-O2 SENSOR CONN.

13-IAC CONN.

14-TPS CONN.
Reply
Old Oct 26, 2025 | 06:00 PM
  #9  
Curvewrecker's Avatar
Thread Starter
Junior Member
 
Joined: Sep 2025
Posts: 71
Likes: 23
From: Rock Falls drag strip, WI
Re: Mouse damaged wiring, please help

I nailed it. The diagrams did help, but I'm dealing with two white wires. I had them mixed up, and I can say for sure that one of them is for the tach. This is what it looks like now after I switched the wires and soldered and shrink tubed them. Thanks for all the help guys.

Reply
Old Oct 27, 2025 | 08:44 PM
  #10  
Vader's Avatar
Moderator
25 Year Member
Liked
Loved
Community Favorite
 
Joined: Jan 2000
Posts: 19,653
Likes: 309
Re: Mouse damaged wiring, please help

So, what kind of cat are you looking for?
Reply
Old Oct 28, 2025 | 10:31 AM
  #11  
Toon86's Avatar
Junior Member
Liked
Loved
Community Favorite
 
Joined: Jul 2025
Posts: 90
Likes: 23
From: Ontario
Car: 1986 Base Firebird
Engine: 2.8L MPI
Transmission: 4 Speed
Axle/Gears: 3.42:1
Re: Mouse damaged wiring, please help

Well done on solving your issue. I did a little more looking through the manual and it appears given your description that one of the wires is for the tach, that the connector wiring that was damaged on your car could well be the remote coil connector wiring shown in these two diagrams from the 1988 service manual.



Makes me wonder why they labeled it incorrectly on the other diagram I posted earlier. Maybe both connectors are in close proximity to each other in the car, although when I checked my cars engine bay I saw no evidence of a EVRV connector.
Reply
Related Topics
Thread
Thread Starter
Forum
Replies
Last Post
weesel72
Electronics
4
Aug 27, 2013 08:03 AM
jason_yeast
Electronics
1
Oct 29, 2011 04:42 PM
gasca_06
Electronics
4
Sep 10, 2011 08:16 PM
pawcio
Electronics
1
Apr 14, 2006 09:20 AM
jeepguy553
DIY PROM
2
Mar 25, 2004 01:20 PM




All times are GMT -5. The time now is 01:57 AM.