DFI and ECM Discuss all aspects of DFI (Digital Fuel Injection), ECMs (Electronic Control Module), scanners, and diagnostic equipment. Fine tune your Third Gen computer system for top performance.

ECM capacitor identification pls 👉👈

Thread Tools
 
Search this Thread
 
Old Today | 02:16 PM
  #1  
Lost_Arts's Avatar
Thread Starter
Junior Member
 
Joined: Apr 2026
Posts: 4
Likes: 0
ECM capacitor identification pls 👉👈

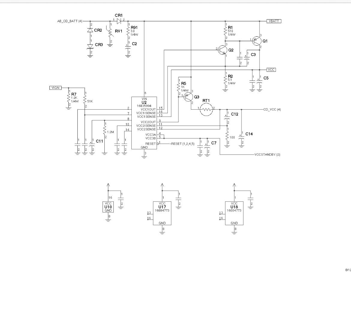
I have a 92 Camaro 305 tbi with a 1228746 ecm. Yesterday I had a bunch of symptoms that pointed to a bad ecm. Cracked it open and found capacitor "C14" to be bad. It has continuity and does not increase resistance to infinity when tested with a multimeter (tested with one leg disconnected). If possible I'd like to just replace this capacitor but I can't find any information on it, the codes on it seem to be internal GM stuff or something. Can anyone tell me what the capacitance would be or point me in the right direction to search further? Thanks!
Reply
Old Today | 02:52 PM
  #2  
Tuned Performance's Avatar
Sponsor
20 Year Member
Community Builder
Community Influencer
Community Favorite
iTrader: (94)
 
Joined: Dec 2004
Posts: 16,745
Likes: 994
From: Mile High Country !!!
Car: 1967 Camaro, 91 z28
Engine: Lb9
Transmission: M20
Axle/Gears: J65 pbr on stock posi 10bolt
Re: ECM capacitor identification pls 👉👈




Last edited by Tuned Performance; Today at 02:55 PM.
Reply
Old Today | 02:55 PM
  #3  
Tuned Performance's Avatar
Sponsor
20 Year Member
Community Builder
Community Influencer
Community Favorite
iTrader: (94)
 
Joined: Dec 2004
Posts: 16,745
Likes: 994
From: Mile High Country !!!
Car: 1967 Camaro, 91 z28
Engine: Lb9
Transmission: M20
Axle/Gears: J65 pbr on stock posi 10bolt
Re: ECM capacitor identification pls 👉👈

Capacitance: The code "7152" typically indicates a capacitance value in picofarads (pF),
7.15nF
7.15nF
or
7100pF
7100pF
depending on the manufacturer's specific coding convention.
Reply
Old Today | 04:15 PM
  #4  
Lost_Arts's Avatar
Thread Starter
Junior Member
 
Joined: Apr 2026
Posts: 4
Likes: 0
Re: ECM capacitor identification pls 👉👈

Thanks! I'll wait a bit to see if anyone else wants to add anything, if not I'll put an order in and see if that works
Reply
Old Today | 05:04 PM
  #5  
Tuned Performance's Avatar
Sponsor
20 Year Member
Community Builder
Community Influencer
Community Favorite
iTrader: (94)
 
Joined: Dec 2004
Posts: 16,745
Likes: 994
From: Mile High Country !!!
Car: 1967 Camaro, 91 z28
Engine: Lb9
Transmission: M20
Axle/Gears: J65 pbr on stock posi 10bolt
Re: ECM capacitor identification pls 👉👈

Murata DEHR33D152KA3B should probably work.Also, the capacitor in your photo looks thermally damaged, so inspect nearby parts—especially:
  • driver transistors
  • flyback diodes
  • ignition/injector drivers
Reply
Old Today | 05:47 PM
  #6  
Buccaneer's Avatar
Member
20 Year Member
 
Joined: Mar 2006
Posts: 306
Likes: 85
From: Arizona
Car: 82 Corvette - CFI
Engine: 383 - Renegade, AFR 195, Bullet cam
Transmission: 700R4 - 3,200 Yank TC
Axle/Gears: 3.31
Re: ECM capacitor identification pls 👉👈

Interesting! My bet is on the injector driver circuit or devices near it OR because of the age, it just gave up the ghost. After 30+ years of absorbing inductive kickback from injector firing, it simply reached end of life. Does C12 look just like C14, minus the blown look? If so, you could find what the value is of C12, then you could then go to either Digikey or Mouser and purchase the part. Have you tried using AI yet? GL

Last edited by Buccaneer; Today at 05:51 PM.
Reply
Old Today | 06:14 PM
  #7  
Lost_Arts's Avatar
Thread Starter
Junior Member
 
Joined: Apr 2026
Posts: 4
Likes: 0
Re: ECM capacitor identification pls 👉👈

Unfortunately C12 looks different, I don't see anything else that looks similar to C14. I just checked the RT1 thermistor and it does increase resistance when I hit it with the heat gun so I think that's good. Multimeter seems to be reading Q1and Q3 transistors normally too. I think those are the only components that would be at risk when the capacitor blew.
Reply
Old Today | 06:18 PM
  #8  
Lost_Arts's Avatar
Thread Starter
Junior Member
 
Joined: Apr 2026
Posts: 4
Likes: 0
Re: ECM capacitor identification pls 👉👈

Hey Tuned, I noticed you mentioned it's likely a 7100pF capacitor in the first message but the part number you sent is one that's 1500pF. I was looking at one on digikey that's 7500pF part # C317C752F2G5TA
Reply
Related Topics
Thread
Thread Starter
Forum
Replies
Last Post
bucs_gators_fan
DFI and ECM
6
Jun 9, 2014 05:21 PM
bluechevy194
TBI
3
May 5, 2006 02:28 AM
92blue
DFI and ECM
2
Aug 9, 2005 03:19 PM
Drew
DFI and ECM
3
Jul 7, 2004 12:25 PM




All times are GMT -5. The time now is 06:44 PM.