Aftermarket Product Review Provide questions and answers about aftermarket parts for the Third Generation F-Body.

Power Antenna – Auto Pro ANT1007

Thread Tools
 
Search this Thread
 
Old Feb 10, 2025 | 04:31 PM
  #1  
Neil350's Avatar
Thread Starter
Member
20 Year Member
Liked
Loved
iTrader: (1)
 
Joined: Sep 2001
Posts: 303
Likes: 82
From: T E X A S
Car: 93 Trans Am
Engine: LT1
Transmission: T56 Street Twin
Axle/Gears: 12 Bolt 3.90
Power Antenna – Auto Pro ANT1007

When I got this car, the power antenna was broken, this should sound familiar. That said, I attempted to use a Crown Replacement for a Jeep, but both units I tried had issues. Attempted then to hodge-pogde a unit with the Crowns and my original, which ended in me converting to a manual mast. If you want to try and find a new old stock GM unit, good luck. However, on my searches, I ended up seeing Auto Pro sold a unit for the early C4 Corvette, though it shares a part number, that wont work with our cars because the C4 mast isn’t threaded for the retaining nut that goes through the fender. They did sell a generic GM one for a wide spans of years, and in the reviews, some one said that it was a direct bolt in for a 1991 Trans Am GTA.

Cliff Notes

It’s a ringer for the factory, they copied the GM and there are some differences from it to the Crown, clip colors, some screw locations, etc. The mast orientation is like factory so this isn't a reboxed Crown.

What does it come with? Not much, no instructions, you get the antenna assembly and that’s about it. There is a chrome echelon nut with rubber seal, as well as a large fender washer. This needs to be removed for your stock nut which will thread in. I did reuse the rubber seal. You could use the chrome as well if you so choose.

Wiring, the three wires are there, no relay plug. This needs to be reused from your stock antenna. I solder mine in and heat shrink it together. Though not plug and play, keep in mind that this essentially universal to several different GM vehicles. The colors are the same on the white and green, my gray wire was black.

Antenna cable, remove the silver antenna connector and reuse your factory which is also apart of the coaxial cable, the two screws from the Auto Pro antenna connector can be reused.

Oscar the Body Grommet, this is not provided, you need to reuse your original grommet that the wires and cable ran through. I just cut mine to split it open flat, popped everything in and then electrical taped the body of the grommet back to a circle. Then pushed it in to the car. You’re never going to see this again anyway.

Other/Misc...

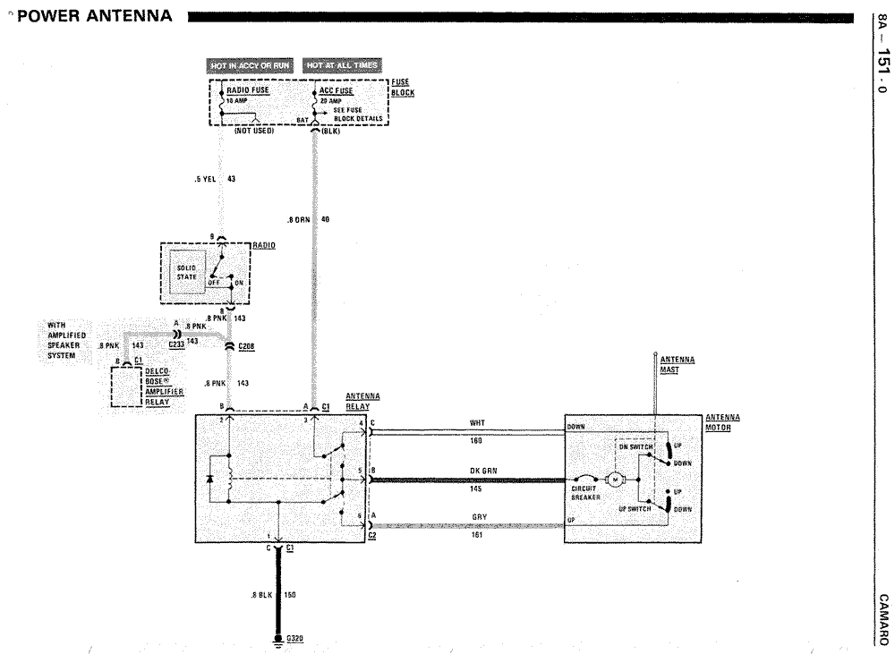
Take a look at this diagram, notice how the antenna relay always has power? That's why when the mast cable snaps it keeps running with the car off. In reality, GM, should have had a switch to disable the power antenna when not needed, situations like automatic car washes (Lot of GM vehicles had power antennas), or when not listening to AM/FM for example (Tapes & CD). Now a days its more blue tooth or some other media input. But having the capability would extend the life of what ever antenna you have. My plan/solution/future basis for a HELP thread is to simply wire in a two prong 20amp momentary toggle in the orange relay wire . This way the antenna doesn't have power unless I want it to have power, it could be defaulted to the off position.














Reply
Old Feb 10, 2025 | 06:43 PM
  #2  
Airwolfe's Avatar
Supreme Member
5 Year Member
Community Builder
Loved
Community Favorite
iTrader: (9)
 
Joined: Oct 2020
Posts: 1,354
Likes: 634
From: Franklin, KY near Beech Bend Raceway, Corvette Plant and Museum.
Car: 1992 Pontiac Firebird
Engine: 5.0L L03 TBI
Transmission: 700R4
Axle/Gears: 2.73
Re: Power Antenna – Auto Pro ANT1007

For people that might need it.

Hawks Motorsports - Camaro/Firebird 1982-1992 Antenna Bezel & Screw for Power Antenna, Reproduction


Reply
Related Topics
Thread
Thread Starter
Forum
Replies
Last Post
Scotty54
Car Audio
7
Sep 24, 2022 10:25 PM
johnw999
Electronics
9
Jan 18, 2020 04:18 PM
airblaine
Exterior Parts Wanted
5
Apr 2, 2013 09:46 AM
jojo9722
Car Audio
9
Aug 1, 2006 03:00 PM
Dante93GTZ
Body
3
Mar 17, 2004 08:16 PM




All times are GMT -5. The time now is 08:27 PM.