Body General body information and techniques for restoration, repairs, and modifications.

What and where can I find this

Thread Tools
 
Search this Thread
 
Old Jan 12, 2020 | 12:12 AM
  #1  
theurge's Avatar
Thread Starter
Junior Member
 
Joined: Oct 2012
Posts: 69
Likes: 6
From: canada ontario mississauga
Car: 1985 trans am/ 1991 RS
Engine: 355sbc/ v6
Transmission: 700r4 automatic
What and where can I find this

Hi I want to finally solve this problem I tried everything but the bolt end has very little space to put anything onto it that holds well and I don't even know what is called can anyone help me?

im missing the bolt that looks like this one in the other side

Reply
Old Jan 12, 2020 | 01:53 AM
  #2  
CKone's Avatar
Member
iTrader: (2)
 
Joined: Apr 2016
Posts: 458
Likes: 171
From: East Moline, IL
Car: 88 T/A, 91 Formula, 94 Firehawk
Engine: 400 Pontiac, 5.0 TPI, 5.7 LT1
Transmission: 700R4, T5, T56
Axle/Gears: 4.10, 3.42, 3.42
Re: What and where can I find this

I’m not sure what the correct/technical term for these are but I have used a set of pliers or channel locks to remove these style of nuts before. Imagine there is a wrench or socket the will fit. Don’t recall them taking much torque to remove either as the design of the nut keeps them from receiving too much being applied?
Reply
Old Jan 12, 2020 | 02:25 AM
  #3  
theurge's Avatar
Thread Starter
Junior Member
 
Joined: Oct 2012
Posts: 69
Likes: 6
From: canada ontario mississauga
Car: 1985 trans am/ 1991 RS
Engine: 355sbc/ v6
Transmission: 700r4 automatic
Re: What and where can I find this

I just trying to secure the other side that doesn't have the nut, in the first picture, I tried using regular nuts, even tried using those self threading nuts but nothing works, I was assuming it's a special nut that clamps onto the stud and keeps it in place since nothing else is working,
Reply
Old Jan 12, 2020 | 04:05 AM
  #4  
aseychell's Avatar
Senior Member
 
Joined: Jun 2016
Posts: 520
Likes: 28
From: Malta
Car: 1988 Trans AM GTA
Engine: 350 TPI
Transmission: 700R4
Axle/Gears: 9-Bolt 3.27
Re: What and where can I find this

I believe the technical name of these are 'speed nuts'. I also had a problem with one of these missing and I bought some from clipsandfasterners.com. The problem is that even though the size to fit the stud is correct, the ones from clipsandfasteners if installed the way they should, would not grip the stud so I had to turn it around so it starts the grip from the very beginning.
Still I had other places on the GFX that I decided to replace with normal bolt.
Reply
Old Jan 12, 2020 | 10:19 AM
  #5  
theurge's Avatar
Thread Starter
Junior Member
 
Joined: Oct 2012
Posts: 69
Likes: 6
From: canada ontario mississauga
Car: 1985 trans am/ 1991 RS
Engine: 355sbc/ v6
Transmission: 700r4 automatic
Re: What and where can I find this

Yeah the rest of the gfx is fine with regular nuts. it's only that one stud on drivers door that I could never get, thanks for the link I guess it won't hurt to get these "speed nuts" and try it out even, thank you
Reply
Old Jan 12, 2020 | 02:16 PM
  #6  
Drew's Avatar
Supreme Member
iTrader: (58)
 
Joined: Jul 1999
Posts: 20,309
Likes: 1,064
From: Salina, KS
Re: What and where can I find this

Kinda looks like someone did some repair work at the bottom of the door skin. The overlap and sealer looks a bit sloppy for OE. It's possible the door is thicker in that area, resulting in the stud sticking thru shorter than normal.
Reply
Old Jan 12, 2020 | 02:28 PM
  #7  
theurge's Avatar
Thread Starter
Junior Member
 
Joined: Oct 2012
Posts: 69
Likes: 6
From: canada ontario mississauga
Car: 1985 trans am/ 1991 RS
Engine: 355sbc/ v6
Transmission: 700r4 automatic
Re: What and where can I find this

Your probably right drew, I wouldn't rule that out. I just want to get that secured, I was also thinking maybe the stud was cut but when I look at it close it doesn't seem to be. Hopefully one of those speed nuts work, I'll keep you guys updated , in case anyone else has the same problem 😉
Reply
Old Jan 12, 2020 | 02:49 PM
  #8  
theurge's Avatar
Thread Starter
Junior Member
 
Joined: Oct 2012
Posts: 69
Likes: 6
From: canada ontario mississauga
Car: 1985 trans am/ 1991 RS
Engine: 355sbc/ v6
Transmission: 700r4 automatic
Re: What and where can I find this

I finally got around to checking the website but I don't see anything similar to the stock one, I have tried the lock nut and regular nuts but no luck, any idea what size the stud is? I think a tube nut or a well nut might work,
Reply
Old Jan 12, 2020 | 02:50 PM
  #9  
Drew's Avatar
Supreme Member
iTrader: (58)
 
Joined: Jul 1999
Posts: 20,309
Likes: 1,064
From: Salina, KS
Re: What and where can I find this

Could always remove the ground effect and replace the stud. They're just tack welded to the steel strap. Grind/drill away the old stud, tack weld a new bolt or stud, reassemble.
Reply
Old Jan 12, 2020 | 02:57 PM
  #10  
aseychell's Avatar
Senior Member
 
Joined: Jun 2016
Posts: 520
Likes: 28
From: Malta
Car: 1988 Trans AM GTA
Engine: 350 TPI
Transmission: 700R4
Axle/Gears: 9-Bolt 3.27
Re: What and where can I find this

That part of the GFX has a self tapping in the plastic and a plain bolt where the speed nut grabs onto sticking out from the GFX. Its not like the ones on the bumper and rear wing where you have those metal plates.
Reply
Old Jan 12, 2020 | 03:47 PM
  #11  
NoEmissions84TA's Avatar
Supreme Member
5 Year Member
Liked
Loved
Community Favorite
iTrader: (1)
 
Joined: Feb 2017
Posts: 4,174
Likes: 569
From: Meriden, CT 06451
Car: 84 TA orig. 305 LG4 "H" E4ME
Engine: 334 SBC - stroked 305 M4ME Q-Jet
Transmission: upgraded 700R4 3200 stall
Axle/Gears: 10bolt 4.10 Posi w Lakewood TA Bars
Re: What and where can I find this

Is this what you are looking for. The size shown is just the first I pulled up. You will have to measure the stud and get the appropriate nut.

Reply
Old Jan 12, 2020 | 03:54 PM
  #12  
NoEmissions84TA's Avatar
Supreme Member
5 Year Member
Liked
Loved
Community Favorite
iTrader: (1)
 
Joined: Feb 2017
Posts: 4,174
Likes: 569
From: Meriden, CT 06451
Car: 84 TA orig. 305 LG4 "H" E4ME
Engine: 334 SBC - stroked 305 M4ME Q-Jet
Transmission: upgraded 700R4 3200 stall
Axle/Gears: 10bolt 4.10 Posi w Lakewood TA Bars
Re: What and where can I find this

Here are the other sizes.

Reply
Old Jan 12, 2020 | 03:55 PM
  #13  
theurge's Avatar
Thread Starter
Junior Member
 
Joined: Oct 2012
Posts: 69
Likes: 6
From: canada ontario mississauga
Car: 1985 trans am/ 1991 RS
Engine: 355sbc/ v6
Transmission: 700r4 automatic
Re: What and where can I find this

Dude, that's exactly it, see its a push fit, oh man and at home Depot, thanks this might just actually work 😁😁😁, hahaha thanks tommorow I will stop by and get that hopefully
Reply
Old Jan 12, 2020 | 03:59 PM
  #14  
Drew's Avatar
Supreme Member
iTrader: (58)
 
Joined: Jul 1999
Posts: 20,309
Likes: 1,064
From: Salina, KS
Re: What and where can I find this

Originally Posted by aseychell
That part of the GFX has a self tapping in the plastic and a plain bolt where the speed nut grabs onto sticking out from the GFX. Its not like the ones on the bumper and rear wing where you have those metal plates.
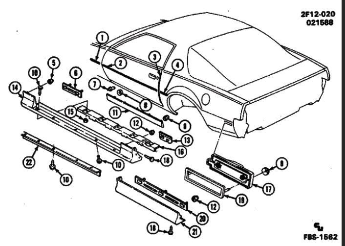
Funny, you're right for an 85-90 Trans Am. Number 7 in the diagram - Stud, F/D Lwr Air Defl (30.5mm)(Part of 11) #20279739 with #11 being the deflector.


But in 91-92 it's a stud welded to #18 like I described. Guess which one I've taken apart. LOL




Reply
Old Jan 12, 2020 | 04:06 PM
  #15  
NoEmissions84TA's Avatar
Supreme Member
5 Year Member
Liked
Loved
Community Favorite
iTrader: (1)
 
Joined: Feb 2017
Posts: 4,174
Likes: 569
From: Meriden, CT 06451
Car: 84 TA orig. 305 LG4 "H" E4ME
Engine: 334 SBC - stroked 305 M4ME Q-Jet
Transmission: upgraded 700R4 3200 stall
Axle/Gears: 10bolt 4.10 Posi w Lakewood TA Bars
Re: What and where can I find this

Originally Posted by theurge
Dude, that's exactly it, see its a push fit, oh man and at home Depot, thanks this might just actually work 😁😁😁, hahaha thanks tommorow I will stop by and get that hopefully
You're welcome. I would buy all 3 sizes so you only have to make 1 trip to the store.
Reply
Old Jan 12, 2020 | 04:07 PM
  #16  
theurge's Avatar
Thread Starter
Junior Member
 
Joined: Oct 2012
Posts: 69
Likes: 6
From: canada ontario mississauga
Car: 1985 trans am/ 1991 RS
Engine: 355sbc/ v6
Transmission: 700r4 automatic
Re: What and where can I find this

Lol with me I'll probably do that and buy two of each just in case I need it in the future 😂
Reply
Related Topics
Thread
Thread Starter
Forum
Replies
Last Post
Ghettobird52
Tech / General Engine
8
Aug 13, 2017 08:59 PM
BlueWrath92
Suspension and Chassis
7
Jun 10, 2012 10:46 AM
True_bird
V6
3
Feb 3, 2006 11:19 AM
WaynesIroc
Suspension and Chassis
6
Jun 6, 2004 01:22 AM
400Z28Racer
Suspension and Chassis
16
Apr 29, 2004 10:56 PM




All times are GMT -5. The time now is 09:08 AM.