Cooling Discuss all of the aspects of cooling that you can think of! Radiators, transmissions, electric fans, etc.

Caprice '91 sbc water pump mod

Thread Tools
 
Search this Thread
 
Old Oct 1, 2019 | 01:41 AM
  #1  
Dmm's Avatar
Dmm
Thread Starter
Junior Member
 
Joined: May 2019
Posts: 16
Likes: 0
Car: Caprice '91
Engine: SBC880+906+7101intake+454TB+7427ecm
Transmission: 700R4, 2300 stall tq
Axle/Gears: 8.5", 4.1, Yukon LSD
Caprice '91 sbc water pump mod

Hi guys.

Several years ago i heard about modification of the cooling system that allows to accelerate the heating of the cabin. This required a pump with an extra inlet.
In winter, it takes a lot of time, maybe 10-15 mins, before the engine and the cabin starts to warm up, I associate this with the fact that the hot antifreeze from heater core is discharged into the radiator, and the pump gradually pumps in cold antifreeze because the bypass hole is small to pump up warm antifreeze. In this case, the thermostat is working properly, upper hose stays empty and cold.
Now it's time to change the pump, I bought the necessary model of the pump, it remains to deal with some routing issues.

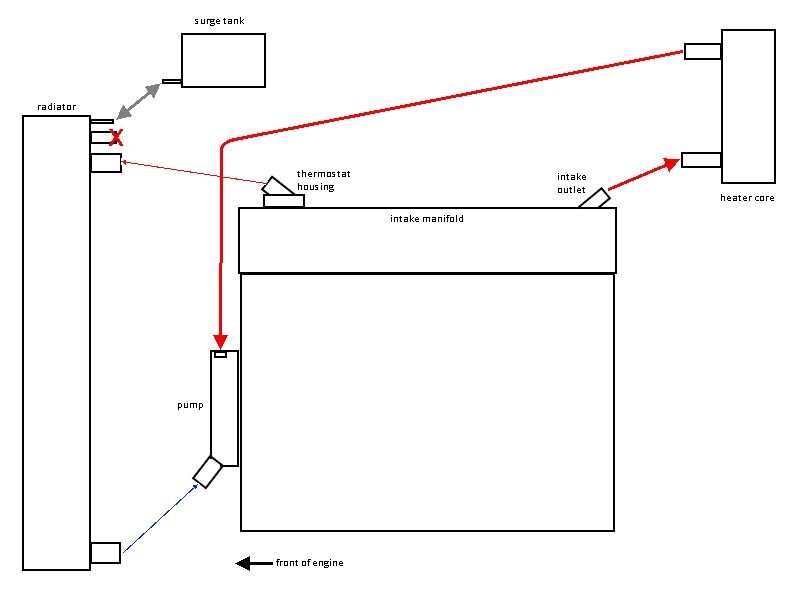
There are three branch pipe on my chevy that need to be connected correctly. One comes out of the intake manifold, the other is in the new pump, the third is in the radiator.
In the original design there is no extra hole in the pump, warm antifreeze comes out through the intake outlet near distributor, passes through the heater core and goes out into the inlet in the radiator.

So, my plan is to leave the antifreeze inlet to the heater core through the intake outlet, and let the heater core outlet into the pump instead of the radiator.
The question remains, muffle the radiator inlet completely or connect a tee to the hose going from the heating core to pump inlet?

What am i missing? Will there be any profit from this modification?



Original flow direction

Mod 1

Mod 2


Reply
Old Oct 1, 2019 | 11:02 AM
  #2  
CKone's Avatar
Member
iTrader: (2)
 
Joined: Apr 2016
Posts: 458
Likes: 171
From: East Moline, IL
Car: 88 T/A, 91 Formula, 94 Firehawk
Engine: 400 Pontiac, 5.0 TPI, 5.7 LT1
Transmission: 700R4, T5, T56
Axle/Gears: 4.10, 3.42, 3.42
Re: Caprice '91 sbc water pump mod

I think regardless of mods your still going to encounter that same warmup period, especially in the winter time. Diverting the coolant a different direction may make a small change but I think it will be small gains if anything. In order for cabin to get warm the coolant has to reach a certain temperature to give off that heat. A block heater that you could plug in may be a better option if having heat sooner is what your after.

I have a ‘16 Cruze as a daily driver and live in the Midwest and feel your pain. Even with cycling the remote start twice for a total of about 15 minutes the car is barely lukewarm when you get in it. And this is with a 1.4 liter engine lol.
Reply
Old Oct 1, 2019 | 02:58 PM
  #3  
Dmm's Avatar
Dmm
Thread Starter
Junior Member
 
Joined: May 2019
Posts: 16
Likes: 0
Car: Caprice '91
Engine: SBC880+906+7101intake+454TB+7427ecm
Transmission: 700R4, 2300 stall tq
Axle/Gears: 8.5", 4.1, Yukon LSD
Re: Caprice '91 sbc water pump mod

Yep, when overboard is -20 degrees Celsius (-4 F) or less, this is the usual temperature for winter, the heating is veery leisurely.
Warming up standing still, the windshield begins to thaw only in 20-25 minutes. If you scrape a little ice from the windshield and begin to move immediately after the startup, the rest of the ice will start to thaw just after those same 15 minutes. Only after 40-45 minutes of driving in the cabin the Sahara comes in and the air begins to burn.
At the same time, old rusty Legacy with a packet of juice under the hood, at the same overboard temperature, blows with weak heat after 6-7 minutes, and in 15 minutes it becomes comfortable.

I was interested in this mod because it is an alternative scheme on other/older chevy.
And as I think this scheme allows you to get rid of the discharge of warm antifreeze into a cold radiator past a closed thermostat, after all this situation is very similar to a malfunction of the thermostat when it stuck in the open position. Discharging antifreeze directly into the pump allows to flow in the shortest possible circle, while heating both the engine and the cabin.
Maybe i'm wrong.



Photo from the same problem thread http://67-72chevytrucks.com/vboard/s...ad.php?t=55918
Reply
Old Oct 3, 2019 | 10:50 AM
  #4  
sofakingdom's Avatar
Supreme Member
20 Year Member
Community Builder
iTrader: (1)
 
Joined: Sep 2005
Posts: 27,996
Likes: 2,485
Car: Yes
Engine: Usually
Transmission: Sometimes
Axle/Gears: Behind me somewhere
Re: Caprice '91 sbc water pump mod

I doubt that will make any difference at all...

Your diagram is wrong. The lower hose fitting on the rad and the heater hose fitting on the rad, are on the same tank, not opposite ones. In a V8 car the hot water from the thermostat to the rad goes to the driver's side; and the cooled water from the rad goes to the water pump inlet, on the pass side. The heater hose fitting on the rad is on the pass side tank also.

The water pump inlet from the lower rad hose leads to the same chamber as the heater hose fitting on the pump body. The "cold" (pass side) tank, the heater hose fitting on it, the lower rad hose fitting, and the heater hose port on the pump, are all already connected to each other, internally. They all have suction on them from the pump. Those are the "cold" side of the system.

Water flow to the heater is: heated water from the top of the manifold to the heater core, from a point closer to the source of heat (the head castings) than the thermostat; through the HC; back to the suction side of the pump, either through the tank (fitting on the rad), or the pump body itself. The pump body and rad fittings for the heater hose placement are functionally equivalent; the choice is made based on preferred hose routing. Which could be as simple as just avoiding leeeeks… it's easier and more reliable (less likely to burst) to plug the WP fitting with a brass pipe plug, than to put a rubber cap of some sort over the rad fitting.

You would have a greater effect on overall system performance, both in hot and cold weather, by getting rid of the flex fan and installing a thermostatically controlled clutch fan. Or, even better, an electric fan. And of course, you could also put in a block heater, which would make the whole thing a bit warmer from the get-go.
Reply
Old Oct 4, 2019 | 01:12 AM
  #5  
NoEmissions84TA's Avatar
Supreme Member
5 Year Member
Liked
Loved
Community Favorite
iTrader: (1)
 
Joined: Feb 2017
Posts: 4,185
Likes: 576
From: Meriden, CT 06451
Car: 84 TA orig. 305 LG4 "H" E4ME
Engine: 334 SBC - stroked 305 M4ME Q-Jet
Transmission: upgraded 700R4 3200 stall
Axle/Gears: 10bolt 4.10 Posi w Lakewood TA Bars
Re: Caprice '91 sbc water pump mod

I have experimented with every possible configuration of hose routing and bypassing coolant on my 84 TA. But not for heating - for more even block cooling.
You are lucky in that your heater core supply (HOT) coolant comes from the rear of your intake manifold. Earlier configurations had that hose at the front of the intake by the number 2 cylinder.
I was going to vote for your Mod 1 choice, but Sofa makes an excellent point - if you try to put a rubber cap on that radiator connection, it will blow out/off. Screw a plug in the water pump and use the radiator connection.
You could always block a portion of the radiator core with a piece of cardboard like the truckers do, especially if it gets really cold where you are located.
Reply
Old Oct 4, 2019 | 04:44 AM
  #6  
Dmm's Avatar
Dmm
Thread Starter
Junior Member
 
Joined: May 2019
Posts: 16
Likes: 0
Car: Caprice '91
Engine: SBC880+906+7101intake+454TB+7427ecm
Transmission: 700R4, 2300 stall tq
Axle/Gears: 8.5", 4.1, Yukon LSD
Re: Caprice '91 sbc water pump mod

Originally Posted by sofakingdom
.
Thanks for the detailed description, I was once again convinced that I correctly understand the principle of coolant flow.
It’s just that my drawing is misleading, I didn’t do very well the driver's side view, sorry.




My point is that a shorter path from the heater core directly to the pump will not allow the antifreeze to cool as it does by circulating under a long path through the radiator, because at the same time it mixes with cold antifreeze and partially cooled liquid enters the engine.



I specifically bought a pump with an extra hole and the cone plug is already in it. And on the contrary, I will unscrew it to install the inlet tube.
Also on the heater core inlet on the radiator there is a thread for a normal plug wrapped with teflon tape, in order to avoid unreliable plug from a rubber hose, bolt and clamps.






The simpler the system, the safer it is, so I’m still thinking about whether to set webasto due to leaks and the safety of the heating element.
2-speed fleetwood electric fan mod in progress, I want to find the right shroud or weld aluminum.


Originally Posted by NoEmissions84TA
.
Yep, I saw that the old сhevy outlet goes to the heater in front of the intake, near the thermostat and the heater goes to the pump. I plan to reproduce this scheme.
And why should a rubber cap blown? Indeed, there should be no pressure on the cold side of the radiator, on the contrary, the rubber should be drawn in.
I really close the radiator with cardboard for the winter when the temperature drops below -20 Celsius, but this does not help at idle, you must periodically press the gas pedal so that warm antifreeze is pumped through the heater core.
Reply
Old Oct 4, 2019 | 12:26 PM
  #7  
sofakingdom's Avatar
Supreme Member
20 Year Member
Community Builder
iTrader: (1)
 
Joined: Sep 2005
Posts: 27,996
Likes: 2,485
Car: Yes
Engine: Usually
Transmission: Sometimes
Axle/Gears: Behind me somewhere
Re: Caprice '91 sbc water pump mod

My point is that a shorter path from the heater core directly to the pump will not allow the antifreeze to cool as it does by circulating under a long path through the radiator, because at the same time it mixes with cold antifreeze and partially cooled liquid enters the engine.
The "shorter path" is largely irrelevant. As far as the water is concerned, the paths are the same. The idea about "mixing" is wrong also, if the system is plumbed correctly.

Your 2nd diagram is STILL wrong, and could NEVER work. The "outlet to the heater" is HOT water coming out of the ENGINE, which is what heats it up. It comes from a place between the source of heat (head castings) and the outlet to the main cooling element of the car (radiator). It is AT ALL TIMES available to flow out to the heater core since it is BEFORE the thermostat. It DOES NOT AND CANNOT come from the radiator tank, as that is AFTER the thermostat not BEFORE it, and therefore will ONLY get access to hot (warm?) water AFTER the thermostat has opened.

Your 1st diagram in your post #6 is correct, except for showing the heater hose nipple in the driver's side (hot) tank. It's not; it's in the cold side (pass side). That is one of the two possible correct ways to plumb the system. The other correct way would be to leave the plug in the WP and run the hose to the fitting in the PASS SIDE of the rad that you show a photo of; note that it is in the PASS SIDE (cold tank) along with the transmission fluid cooler; NOT in the hot tank the way you have it drawn in all your diagrams. In that respect ALL of your diagrams are incorrect.

Correct heater hose routing is, and remains, from the intake manifold to the heater core (hot water); then the cooled water leaving the heater core to EITHER the place on the WP or the place on the cool tank of the rad (pass side), both of which are exposed to WP suction. The one(s) on top of the intake are HOT WATER UNDER PRESSURE; the ones on the WP and rad are COOL WATER UNDER SUCTION.

A rubber cap should "blown" for the same reason any other rubber part in the cooling system does. It gets old and fatigues. It is an unnecessary and undesirable risk. It does not have "no pressure" on it; it has cooling system pressure, same as the rest of the cooling system. It might have 2 or 3 psi less pressure than the block and heads below the thermostat (restriction), where the WP is pressurizing the coolant, to force it to flow that way; but the cold tank, including the hose nipple, still has radiator cap pressure on it. LOOK AT it, it's stuck right into the side of the tank that the cap sits on, meaning it has 15psi or whatever on it. The idea of "suction" from the water pump doesn't mean that the pressure there is below atmospheric.

Water SHOULD pump through the heater core at idle, same as at any other engine speed. Slower than at higher RPMs of course, but SHOULD still be pumping.

Your rad is unusual in having a threaded fitting in that heater hose nipple. Most don't have that.

However, you will gain ABSOLUTELY NOTHING WHATSOEVER by taking the plug out of the pump, putting a hose barb into it, hooking the heater hose there, and blocking the one in the rad, as compared to leaving the plug in the pump as it is, and simply hooking your hose to the rad. Flow-wise, those 2 points are IDENTICAL: they are in the same place within the system. Both are exposed to the suction side of the water pump, i.e. the place where the WP is drawing cooled water from both "coolers" (the rad and the heater core). There's nothing "wrong" with using the hole on the pump, just, there's no benefit either.

The simpler the system, the safer it is
This is SO TRUE, it almost hurts to think about it. And it is EXACTLY why I recommend leaving the plug in the WP and hooking the hose to the rad: fewer soft parts to fail. The hole in the WP was commonly used back before they added that fitting to radiators, and of course worked just fine; but the fitting in the rad is THE SAME AS the one in the pump, functionally, so at that point, go with what's simple.
Reply
Old Oct 4, 2019 | 01:31 PM
  #8  
sofakingdom's Avatar
Supreme Member
20 Year Member
Community Builder
iTrader: (1)
 
Joined: Sep 2005
Posts: 27,996
Likes: 2,485
Car: Yes
Engine: Usually
Transmission: Sometimes
Axle/Gears: Behind me somewhere
Re: Caprice '91 sbc water pump mod

I would also remind you, the overflow tank is connected to the cold (pass side) tank of the rad; NOT the hot (driver's side) tank. Only thing on the hot side, is the hot water radiator hose from the thermostat housing aka water outlet. The pass side has the cap, overflow connection, heater hose nipple, trans fluid cooler, cold rad hose, and coolant level sensor port.

Not sure if a B body (Fleetwood) electric fan setup will fit 82-92 Camaro/Firebird, but if it does, it'd probably be a good one to use. All you'd have to do is, create and install a control system for it; which there are any number of suitable aftermarket options for.
Reply
Old Oct 25, 2019 | 12:12 PM
  #9  
Fast355's Avatar
Supreme Member
20 Year Member
Liked
Loved
Community Favorite
iTrader: (2)
 
Joined: Jan 2005
Posts: 10,450
Likes: 508
From: Hurst, Texas
Car: 1983 G20 Chevy
Engine: 305 TPI
Transmission: 4L60
Axle/Gears: 14 bolt with 3.07 gears
Re: Caprice '91 sbc water pump mod

Returning the water back into the water pump makes a big difference in the warmup time of the heater. I drove a G20 Van for years with the factory system that returned into the cold side of the radiator. It took miles to make good heat. My Express van had the 5.7 Vortec and GM redesigned the Vortec engines to return to the water pump. In 20*F weather the Vortec setup had heat within 2-3 minutes at idle. The Vortec engines wamup much more quickly than the Carb/TBI engines in the G-van did. It only makes sense. Circulating the water in the tank and the hose adds alot of volume to what has to be warmed up. It also causes more heat loss in extreme cold weather. In very cold weather, down around 12*F the Vortec engine will not even open the thermostat at idle. The dual heater cores keep the engine cool (~165*F) on their own. My Vortec Tahoe also warmed up very quickly. The 80 C10 I had also made heat very quickly.
Reply
Old Oct 25, 2019 | 06:46 PM
  #10  
NoEmissions84TA's Avatar
Supreme Member
5 Year Member
Liked
Loved
Community Favorite
iTrader: (1)
 
Joined: Feb 2017
Posts: 4,185
Likes: 576
From: Meriden, CT 06451
Car: 84 TA orig. 305 LG4 "H" E4ME
Engine: 334 SBC - stroked 305 M4ME Q-Jet
Transmission: upgraded 700R4 3200 stall
Axle/Gears: 10bolt 4.10 Posi w Lakewood TA Bars
Re: Caprice '91 sbc water pump mod

Fast355, would you happen to have a diagram of the Vortec heating loop/path?
Reply
Old Oct 25, 2019 | 07:39 PM
  #11  
sofakingdom's Avatar
Supreme Member
20 Year Member
Community Builder
iTrader: (1)
 
Joined: Sep 2005
Posts: 27,996
Likes: 2,485
Car: Yes
Engine: Usually
Transmission: Sometimes
Axle/Gears: Behind me somewhere
Re: Caprice '91 sbc water pump mod

The idea that the heater hose hookup (WP vs cold tank) has ANYTHING to do with heater function is LUDICROUS.

LOOK AT IT. The ONLY thing that's different between the 2 configurations is, which end of the lower rad hose the heater fitting is associated with. If you use the fitting in the WP, you're at the upper end of it; if you use the one on the cold tank, you're at the lower end. That's IT.

If your lower rad hose has sufficient restriction to affect heater function, you will have MUCH bigger problems than the length of time it takes for the heater to reach full effect.

Whatever factors there might be that affect Vortec vs "pre-Vortec" engines in this regard, the location of the heater hose fitting ISN'T among them. Not even in a van. Although of course we all area aware by now that everything about vans is FAR SUPERIOR to the same thing if it's wrapped in any other sheet metal. Especially compared to Camaros and Firebirds.
Reply
Old Oct 26, 2019 | 06:30 AM
  #12  
Fast355's Avatar
Supreme Member
20 Year Member
Liked
Loved
Community Favorite
iTrader: (2)
 
Joined: Jan 2005
Posts: 10,450
Likes: 508
From: Hurst, Texas
Car: 1983 G20 Chevy
Engine: 305 TPI
Transmission: 4L60
Axle/Gears: 14 bolt with 3.07 gears
Re: Caprice '91 sbc water pump mod

Originally Posted by sofakingdom
The idea that the heater hose hookup (WP vs cold tank) has ANYTHING to do with heater function is LUDICROUS.

LOOK AT IT. The ONLY thing that's different between the 2 configurations is, which end of the lower rad hose the heater fitting is associated with. If you use the fitting in the WP, you're at the upper end of it; if you use the one on the cold tank, you're at the lower end. That's IT.

If your lower rad hose has sufficient restriction to affect heater function, you will have MUCH bigger problems than the length of time it takes for the heater to reach full effect.

Whatever factors there might be that affect Vortec vs "pre-Vortec" engines in this regard, the location of the heater hose fitting ISN'T among them. Not even in a van. Although of course we all area aware by now that everything about vans is FAR SUPERIOR to the same thing if it's wrapped in any other sheet metal. Especially compared to Camaros and Firebirds.
What you are failing to realize is you are heating substantially less water with the heater fitting in the pump. The more water that has to circulate the more BTUs it absorbs before the temperature rises. No black magic to it.
Reply
Old Oct 26, 2019 | 09:55 AM
  #13  
Fast355's Avatar
Supreme Member
20 Year Member
Liked
Loved
Community Favorite
iTrader: (2)
 
Joined: Jan 2005
Posts: 10,450
Likes: 508
From: Hurst, Texas
Car: 1983 G20 Chevy
Engine: 305 TPI
Transmission: 4L60
Axle/Gears: 14 bolt with 3.07 gears
Re: Caprice '91 sbc water pump mod

Originally Posted by NoEmissions84TA
Fast355, would you happen to have a diagram of the Vortec heating loop/path?
I do not but its easy to explain. Hot water comes off the passenger front of the intake. Returns to the water pump. The engine also has a thermostat with a blocker ring on the bottom and the water bypass flows water from the intake back to the water pump when the thermostat is closed. When the thermostat opens it blocks off the bypass. When the engine is cold the coolant path is limited to the engine block, heater hoses, heater core, and water pump. This allows the engine to warm up as quickly as possible heating the least amount of water possible.
Reply
Old Oct 26, 2019 | 05:30 PM
  #14  
sofakingdom's Avatar
Supreme Member
20 Year Member
Community Builder
iTrader: (1)
 
Joined: Sep 2005
Posts: 27,996
Likes: 2,485
Car: Yes
Engine: Usually
Transmission: Sometimes
Axle/Gears: Behind me somewhere
Re: Caprice '91 sbc water pump mod

OF COURSE it's not "easy to explain". There's NOTHING to "explain". It's all a bunch of "van" BULLSPIT.

You really don't GET IT, do you.

LOOK AT the path the water has to follow. FEEL the water. BE the water. [chevy chase in Caddyshack] BE BE BE [/caddyshack] the water. YOU ARE the water.

Does it REALLY ("van" or "Vortec" aside...) which end of the lower rad hose the WP sucks the water out of the heater core through? REALLY? Does the lower rad hose REALLY make that much difference to how much water flows through that Ÿ" hose? REALLY? ummmm… ,,,, …… iunno.

Hot water comes out of the intake manifold. Is hot (or not) at that point. Is under some degree of pressure from the WP, BEFORE the thermostat, INDEPENDENT of ANYTHING to do with the thermostat. Goes to the heater core. Goes through the heater core. Returns to some cold place; let's describe that as, the cold tank of the rad. Keeping in mind of course, that on THE ENTIRE cold side of the cooling system - cold tank, lower rad hose, WP intake port (aka lower rad hose place) - the SMALLEST diameter thing is, the lower rad hose. Which is, what, 1Ÿ"? 2"? Iunno... some kinda YUUUUUUUUUJJJJJJJJEEE, whatever the details.

So help me understand: in a VAN, how much difference does it make, WHICH END OF the 1Ÿ" passage the Ÿ" heater hose hooks up to??? Beginning? (rad) End? (WP) Somewhere in the middle? (like some g00b on here proposed, his heater would work better if s/he could plumb h/is/er heater to the center of the lower rad hose) REALLY? Does it REALLY matter which end of the lower rad hose the heater return hose plumbs into? Even if it's NOT a van?

Come on. Elucidate me. I'm pretty stooopid and don't have vans on my chassis dyn 24 hrs a day or anything. All I am is a mathematician and physicist. (which in the early 70s, when I was entering the workforce, was NOT a marketable skill, no matter how many "car" fallacies it enables me to avoid....) But still, I have a REAL PROBLEM trying to figure out how a CAR (or "van") person can logically rationally sensibly claim that it makes some kind of difference WHICH END of the lower rad hose the heater return dumps into.

Note that I am NOT calling you a liar (I never have); not calling you stoooooopid (I reserve that for myself); not saying that what you saw happen, didn't happen; NOT NOT NOT NOT. All I'm saying is, CORRELATION is not CAUSATION. Which in this case means, yeah maybe your "van" with a Vortec motor begins introducing heat to the passenger cabin (cave?) quicker than some prior model of "van"; it DOES NOT mean that the heater hose return fitting location NECESSARILY caused this to happen. ESPECIALLY not, considering that in OTHER vehicles besides "van", that connection variation has been available, independent of "Vortec", since the late 70s, when that port on the rad started to appear in various chassis; and NONE of those vehicles is noticeably different in this matter regardless of which heater hose configuration was used. Because THEY ARE THE SAME.
Reply
Old Oct 26, 2019 | 06:34 PM
  #15  
Fast355's Avatar
Supreme Member
20 Year Member
Liked
Loved
Community Favorite
iTrader: (2)
 
Joined: Jan 2005
Posts: 10,450
Likes: 508
From: Hurst, Texas
Car: 1983 G20 Chevy
Engine: 305 TPI
Transmission: 4L60
Axle/Gears: 14 bolt with 3.07 gears
Re: Caprice '91 sbc water pump mod

Originally Posted by sofakingdom
OF COURSE it's not "easy to explain". There's NOTHING to "explain". It's all a bunch of "van" BULLSPIT.

You really don't GET IT, do you.

LOOK AT the path the water has to follow. FEEL the water. BE the water. [chevy chase in Caddyshack] BE BE BE [/caddyshack] the water. YOU ARE the water.

Does it REALLY ("van" or "Vortec" aside...) which end of the lower rad hose the WP sucks the water out of the heater core through? REALLY? Does the lower rad hose REALLY make that much difference to how much water flows through that Ÿ" hose? REALLY? ummmm… ,,,, …… iunno.

Hot water comes out of the intake manifold. Is hot (or not) at that point. Is under some degree of pressure from the WP, BEFORE the thermostat, INDEPENDENT of ANYTHING to do with the thermostat. Goes to the heater core. Goes through the heater core. Returns to some cold place; let's describe that as, the cold tank of the rad. Keeping in mind of course, that on THE ENTIRE cold side of the cooling system - cold tank, lower rad hose, WP intake port (aka lower rad hose place) - the SMALLEST diameter thing is, the lower rad hose. Which is, what, 1Ÿ"? 2"? Iunno... some kinda YUUUUUUUUUJJJJJJJJEEE, whatever the details.

So help me understand: in a VAN, how much difference does it make, WHICH END OF the 1Ÿ" passage the Ÿ" heater hose hooks up to??? Beginning? (rad) End? (WP) Somewhere in the middle? (like some g00b on here proposed, his heater would work better if s/he could plumb h/is/er heater to the center of the lower rad hose) REALLY? Does it REALLY matter which end of the lower rad hose the heater return hose plumbs into? Even if it's NOT a van?

Come on. Elucidate me. I'm pretty stooopid and don't have vans on my chassis dyn 24 hrs a day or anything. All I am is a mathematician and physicist. (which in the early 70s, when I was entering the workforce, was NOT a marketable skill, no matter how many "car" fallacies it enables me to avoid....) But still, I have a REAL PROBLEM trying to figure out how a CAR (or "van") person can logically rationally sensibly claim that it makes some kind of difference WHICH END of the lower rad hose the heater return dumps into.

Note that I am NOT calling you a liar (I never have); not calling you stoooooopid (I reserve that for myself); not saying that what you saw happen, didn't happen; NOT NOT NOT NOT. All I'm saying is, CORRELATION is not CAUSATION. Which in this case means, yeah maybe your "van" with a Vortec motor begins introducing heat to the passenger cabin (cave?) quicker than some prior model of "van"; it DOES NOT mean that the heater hose return fitting location NECESSARILY caused this to happen. ESPECIALLY not, considering that in OTHER vehicles besides "van", that connection variation has been available, independent of "Vortec", since the late 70s, when that port on the rad started to appear in various chassis; and NONE of those vehicles is noticeably different in this matter regardless of which heater hose configuration was used. Because THEY ARE THE SAME.
Let me just say that you are warming up more water with the same BTU input if you have more coolant in circulation. It takes 8.33 BTU to raise the temperature of 1 gallon of water 1*F. Even you should surely see how the more water you have the longer the warmup. That cold side tank and lower hose probably hold close to a gallon of coolant if none of the water movement causes additional water to circulate through the radiator tubes through natural convection. At idle an engine does not create many BTUs overall and only about 20% is entering the cooling system from what I remember. It would take something like 1,500 BTUs of additional energy input to raise that additional gallon of coolant from Zero to say 150*F.

My newest engine has a street fill in the block and aluminum heads. It warms up more quickly than any small block I have built. Having less water in the block and more heat rejection from the chambers into the coolant in the heads it makes sense.

Last edited by Fast355; Oct 26, 2019 at 07:27 PM.
Reply
Old Oct 26, 2019 | 07:05 PM
  #16  
sofakingdom's Avatar
Supreme Member
20 Year Member
Community Builder
iTrader: (1)
 
Joined: Sep 2005
Posts: 27,996
Likes: 2,485
Car: Yes
Engine: Usually
Transmission: Sometimes
Axle/Gears: Behind me somewhere
Re: Caprice '91 sbc water pump mod

No you are NOT warming up ANY different amount of water with ANY amount of BTU.

The difference between the 2 heater hose hookups is, whether you hook up at ONE end of the lower rad hose (cold tank), or whether you hook up at the other end of the lower rad hose (WP).

That's IT. Apart from that, the SAME amount of water is available to the WP to "suck" (yeah I know, better than you obviously) in. It's THE SAME. There is NO DIFFERENCE in the amount of water that gets circulated. The SAME amount of water gets circulated; specifically, before the thermostat opens, the ONLY water that gets circulated, is the heater core circuit. Doesn't mater which end of the lower rad hose it's hooked up to.

Again, NOT saying that your "new" motor with aluminum heads doesn't heat up quicker than some other arbitrary motor. NOT NOT NOT NOT NOT. Even if it's in a van and that makes it defy the rules that apply to motors in less exalted sheet metal configurations. That's not the point. NOT NOT NOT NOT.

The point is, whatever difference you may be observing, is NOT BECAUSE OF the heater hose nipple location. Correlation IS NOT causation. Even if it's in a van. Even if you looked up the specific heat of water (NOT the same as the specific heat of "coolant") on EngineersEdge.com or whatever. Yeah I know about specific heat, I actually paid attention in 9th grade basic science. (let alone what came after) NOT NOT NOT NOT NOT.

It does NOT matter which end of the lower rad hose the heater hose fitting connects to, in terms of heater function. NOT. The same heat comes out of the engine, the same heat goes into the coolant, the same amount of coolant flow through the heater, the same amount of heat gets carried from the hot side of the engine to the cold side. The same the same the same the same the same. It doesn't matter which end of the lower rad hose the heater hose is hooked to.

Rule of thumb BTW is that 1/3 of the fuel heat content makes power; 1/3 goes out the exhaust; and 1/3 enters the cooling system. More than 1/3 if the engine has aluminum heads, given that aluminum conducts heat better than iron. Which ALL BY ITSELF might account for your "latest" "new" motor heating up the heater better than some arbitrary "old" motor with iron heads. Independent of heater hose nipple location.

Correlation IS NOT causation.
Reply
Old Oct 26, 2019 | 07:51 PM
  #17  
Fast355's Avatar
Supreme Member
20 Year Member
Liked
Loved
Community Favorite
iTrader: (2)
 
Joined: Jan 2005
Posts: 10,450
Likes: 508
From: Hurst, Texas
Car: 1983 G20 Chevy
Engine: 305 TPI
Transmission: 4L60
Axle/Gears: 14 bolt with 3.07 gears
Re: Caprice '91 sbc water pump mod

Originally Posted by sofakingdom
No you are NOT warming up ANY different amount of water with ANY amount of BTU.

The difference between the 2 heater hose hookups is, whether you hook up at ONE end of the lower rad hose (cold tank), or whether you hook up at the other end of the lower rad hose (WP).

That's IT. Apart from that, the SAME amount of water is available to the WP to "suck" (yeah I know, better than you obviously) in. It's THE SAME. There is NO DIFFERENCE in the amount of water that gets circulated. The SAME amount of water gets circulated; specifically, before the thermostat opens, the ONLY water that gets circulated, is the heater core circuit. Doesn't mater which end of the lower rad hose it's hooked up to.

Again, NOT saying that your "new" motor with aluminum heads doesn't heat up quicker than some other arbitrary motor. NOT NOT NOT NOT NOT. Even if it's in a van and that makes it defy the rules that apply to motors in less exalted sheet metal configurations. That's not the point. NOT NOT NOT NOT.

The point is, whatever difference you may be observing, is NOT BECAUSE OF the heater hose nipple location. Correlation IS NOT causation. Even if it's in a van. Even if you looked up the specific heat of water (NOT the same as the specific heat of "coolant") on EngineersEdge.com or whatever. Yeah I know about specific heat, I actually paid attention in 9th grade basic science. (let alone what came after) NOT NOT NOT NOT NOT.

It does NOT matter which end of the lower rad hose the heater hose fitting connects to, in terms of heater function. NOT. The same heat comes out of the engine, the same heat goes into the coolant, the same amount of coolant flow through the heater, the same amount of heat gets carried from the hot side of the engine to the cold side. The same the same the same the same the same. It doesn't matter which end of the lower rad hose the heater hose is hooked to.

Rule of thumb BTW is that 1/3 of the fuel heat content makes power; 1/3 goes out the exhaust; and 1/3 enters the cooling system. More than 1/3 if the engine has aluminum heads, given that aluminum conducts heat better than iron. Which ALL BY ITSELF might account for your "latest" "new" motor heating up the heater better than some arbitrary "old" motor with iron heads. Independent of heater hose nipple location.

Correlation IS NOT causation.
Please explain to me how it is not more water in circulation in the heater loop before the thermostat opens returning to the water pump body versus the top of the passenger radiator tank. The water in the tank and lower hose has to circulate when it exits ibto the top of the tank. When it enters the water pump that volume of water does not circulate. PERIOD!

I only used the vans as an example because they are remarkably similar in construction when it comes to the heating system and yet they work remarkably differently with the only real change being the water return point.

Coolant is a closed cycle therefore as it cycles it builds more and more heat within that cycle until it reaches equilibrium. More water in that cycle means longer warmup times.

Ever notice how a 20 gallon water heat has one 1500 watt element and a 50 gallon has 2.

Last edited by Fast355; Oct 26, 2019 at 07:55 PM.
Reply
Old Oct 26, 2019 | 08:14 PM
  #18  
NoEmissions84TA's Avatar
Supreme Member
5 Year Member
Liked
Loved
Community Favorite
iTrader: (1)
 
Joined: Feb 2017
Posts: 4,185
Likes: 576
From: Meriden, CT 06451
Car: 84 TA orig. 305 LG4 "H" E4ME
Engine: 334 SBC - stroked 305 M4ME Q-Jet
Transmission: upgraded 700R4 3200 stall
Axle/Gears: 10bolt 4.10 Posi w Lakewood TA Bars
Re: Caprice '91 sbc water pump mod

I WAS following along with this, but now I am completely lost.
Reply
Old Oct 26, 2019 | 08:48 PM
  #19  
2knight's Avatar
Member
iTrader: (1)
 
Joined: Dec 2017
Posts: 252
Likes: 54
From: Bismarck, ND
Car: 1982 Trans Am
Engine: 5.7 ls1
Transmission: 4l60e
Axle/Gears: 3.23
Re: Caprice '91 sbc water pump mod

It's real simple- when it is cold outside the radiator tank is cold as well, and any coolant flowing through it returning from the heater core will instantly shed all its remaining heat. But if it is returned to the water pump it will shed its remaining heat to the engine therefore helping the engine to reach operating temperature sooner so it will be able to heat the cabin sooner as well, spend a morning at 20-30 below zero and you will realize the radiator will never warm up.
Reply
Old Oct 26, 2019 | 09:03 PM
  #20  
NoEmissions84TA's Avatar
Supreme Member
5 Year Member
Liked
Loved
Community Favorite
iTrader: (1)
 
Joined: Feb 2017
Posts: 4,185
Likes: 576
From: Meriden, CT 06451
Car: 84 TA orig. 305 LG4 "H" E4ME
Engine: 334 SBC - stroked 305 M4ME Q-Jet
Transmission: upgraded 700R4 3200 stall
Axle/Gears: 10bolt 4.10 Posi w Lakewood TA Bars
Re: Caprice '91 sbc water pump mod

Originally Posted by 2knight
It's real simple- when it is cold outside the radiator tank is cold as well, and any coolant flowing through it returning from the heater core will instantly shed all its remaining heat. But if it is returned to the water pump it will shed its remaining heat to the engine therefore helping the engine to reach operating temperature sooner so it will be able to heat the cabin sooner as well, spend a morning at 20-30 below zero and you will realize the radiator will never warm up.
Now that is a simple explanation, but let's see where it goes from here.
Reply
Old Oct 26, 2019 | 09:48 PM
  #21  
NoEmissions84TA's Avatar
Supreme Member
5 Year Member
Liked
Loved
Community Favorite
iTrader: (1)
 
Joined: Feb 2017
Posts: 4,185
Likes: 576
From: Meriden, CT 06451
Car: 84 TA orig. 305 LG4 "H" E4ME
Engine: 334 SBC - stroked 305 M4ME Q-Jet
Transmission: upgraded 700R4 3200 stall
Axle/Gears: 10bolt 4.10 Posi w Lakewood TA Bars
Re: Caprice '91 sbc water pump mod

Let's add one more variable to this equation.
Concerning faster warming of the heater core, where would be the best place to connect the heater core INLET hose?
I say it is at the back of the engine, top of the cylinder head (cyl #8). TBI engines commonly have this configuration.
To me, tapping from cylinder 2 is dumb, because only that cylinder is heating the amount of coolant circulating around it (see pic below).



I think we can all agree that tapping from the rear has the entire passenger bank of four cylinders doing the heating of the coolant.
And I think we all know that the rear cylinders run hotter than the front because the cooled coolant is injected at the front, low on the block.
Tapping from cylinder #2 is only, what?, maybe about six inches away from where the water pump injected the coolant into the block. How hot can that coolant get with that short of a path to heat it?

Last edited by NoEmissions84TA; Oct 26, 2019 at 09:57 PM.
Reply
Old Oct 27, 2019 | 08:47 AM
  #22  
sofakingdom's Avatar
Supreme Member
20 Year Member
Community Builder
iTrader: (1)
 
Joined: Sep 2005
Posts: 27,996
Likes: 2,485
Car: Yes
Engine: Usually
Transmission: Sometimes
Axle/Gears: Behind me somewhere
Re: Caprice '91 sbc water pump mod

Please explain to me how it is not more water in circulation in the heater loop before the thermostat opens returning to the water pump body versus the top of the passenger radiator tank. The water in the tank and lower hose has to circulate when it exits ibto the top of the tank. When it enters the water pump that volume of water does not circulate.
WRONG!!!

When the thermostat is closed, the water IS circulating, but ONLY through the heater core. The heater core hot water "supply" comes from BELOW the thermostat; therefore it has the FULL WP capacity trying to drive it, since NONE of the WP's output is "diverted", if you will, to the radiator.

Cars had the heater core return hooked up to the WP suction port FOREVER before about the mid 80s, when the connection to the rad tank was introduced. There was NO DIFFERENCE WHATSOEVER in heater effectiveness between the 2 connection points as far as I could tell; in fact my 83 didn't originally have the rad connection, but when I put in a replacement rad that had it, I moved the return connection from the WP to the rad, specifically to avoid having to use a rubber cap to close that off. There was NO DIFFERENCE WHATSOEVER in the effectiveness of the heater as a result. It was UNDETECTABLE. Had there been any actual difference in heater performance, then cars would have ALL been suddenly stuck with poor heater performance at the moment of that change in the port location; but they WEREN'T. Many later WPs didn't even HAVE the extra port in them, and cars didn't suddenly have inferior heaters on account of that, either.

There is NO DIFFERENCE WHATSOEVER in water flow, "mixing", or any of whatever other "explanations" anybody can invent for this.

I doubt that it makes much difference which end of the head the hot water comes from... both ends seem to be at about the same temp in a normally functioning engine. The water flow through the engine is carefully metered and regulated by the head gasket, such that the head (the hottest part of the engine, by far) gets cooled evenly. And, the water heated by ALL the cylinders has to flow to the front of the head to get to the radiator, anyway. But yes, TBI motors have that port at the rear of the intake, as well as at least some TPI ones, and carb ones starting in 86 or 87.



Here's a 400 head gasket with most of the holes marked as to function. Cyan is the steam holes, which of course a 305 or 350 doesn't have; yellow is the head bolts; red is the dowels; grey is the oil drainback; all the others are coolant. The hottest place in the entire head is actually the area around the center 2 exhaust ports, which you can see, also has the most water directed to it, by way of all those relatively large holes in the gasket. The magenta outlined ones and the ones directly above them on the intake side are the most critical, but often are partially blocked by the triangular hole or array of small round holes in the block casting and/or the round one in the head casting that they cover. Grinding out that casting feature to match the holes in the gasket is often a cure for "mystery" "overheating", wherein the motor always "seems" to be running too hot (pinging, "down on power" when at full temp, etc.) even though the coolant temp is more or less normal; the center 2 cylinders actually ARE overheating, because the head isn't getting the coolant flow right there that is needed. That's one of those "attention to detail" things that a GOOD engine builder will check, that makes a significant difference in engine behavior even with the same part # block, heads, etc. compared to a "slap it together" one.

If you could tap the heater supply off of the center of the heads, right above the magenta holes, you'd have access to the most available water flow through the head, with also the greatest heat flow into it since that water would have just flowed right around those 2 adjacent exh ports. But the water jacket casting is so thin right there, and the jacket itself so shallow, that I doubt it would be practical to make such a modification.
Reply
Old Nov 4, 2019 | 11:29 PM
  #23  
Dmm's Avatar
Dmm
Thread Starter
Junior Member
 
Joined: May 2019
Posts: 16
Likes: 0
Car: Caprice '91
Engine: SBC880+906+7101intake+454TB+7427ecm
Transmission: 700R4, 2300 stall tq
Axle/Gears: 8.5", 4.1, Yukon LSD
Re: Caprice '91 sbc water pump mod

Guys, it works!

Spoiler
 

~10 minutes and warm air blows. Sofa was right, in general nothing has changed, the heating time has even increased. But the heat comes earlier, it is a fact.

It was not easy to find old winter logs to see the heating rate to make a comparison table. Antifreeze heats up to 80* Celsius on average in 800-1000 seconds, while previously the air inside the car remained cold for a long time, but now it’s warm.


Originally Posted by sofakingdom
When the thermostat is closed, the water IS circulating, but ONLY through the heater core.
Wait, please

1. What about the bypass holes in the block and WP? This is a separate channel not directly connected to the antifreeze feed port, which flows out of the block behind the pump impeller, as I understand it in case of occlusion of the heater core.

Spoiler
 
2. Antifreeze enters the radiator from above from the passenger side and heats the cold part, maintains the temperature condition of the transmission radiator, and heat is also transferred to the warm part of the radiator by convection, until the thermostat opens and the antifreeze begins to circulate through the warm part. It was for the sake of eliminating this spurious heat transfer that I made this modification. At the moment I am satisfied, but soon our usual frost -20 * Celsius will hit and then there will be a real check. It’s very interesting what happens.

Spoiler
 
Originally Posted by Fast355
In very cold weather, down around 12*F the Vortec engine will not even open the thermostat at idle.
Hi, Fast. How can I talk with you about swirls 193 and 7427? Now my engine runs on just such grinded heads and a ecm, and I would be interested to hear your opinion. I sent you a message on the gearhead-efi but apparently you didn’t receive it.

Reply
Old Nov 7, 2019 | 06:23 PM
  #24  
NoEmissions84TA's Avatar
Supreme Member
5 Year Member
Liked
Loved
Community Favorite
iTrader: (1)
 
Joined: Feb 2017
Posts: 4,185
Likes: 576
From: Meriden, CT 06451
Car: 84 TA orig. 305 LG4 "H" E4ME
Engine: 334 SBC - stroked 305 M4ME Q-Jet
Transmission: upgraded 700R4 3200 stall
Axle/Gears: 10bolt 4.10 Posi w Lakewood TA Bars
Re: Caprice '91 sbc water pump mod

Dmm, this sounds similar to what I do with my home heating system. I wire the circulator to go on with a call for heat by the thermostat. Normally, no water would circulate until only hot water was available.
I don't care if cold water is being circulated through the pipes (baseboard HW), but as it gets heated the warm water circulates and starts heating the rooms sooner. It might take a little longer to get the hot water circulating, but the room gets warmer sooner because there still is heat available in the warm water.
Reply
Old Nov 11, 2019 | 05:14 PM
  #25  
NINÅ's Avatar
Supreme Member
 
Joined: Jan 2006
Posts: 3,341
Likes: 12
From: Mooresville NC
Car: LOWERED ♦ CRIMSON METALFLAKE
Engine: ► 400 KUBES ◄
Transmission: 765R4
Axle/Gears: EATON POSI 4.56
Looking 4 A Hot Time

Hi DMM.

I reccomend you install a heated steering wheel, and a heated seat.

I know my ThirdGens water temp do not get warm untill I stomp on the loud pedal.


HappyRacing!

Headlight Goofs By Designers #15; TOO HIGH: Pickup truck headlights are mounted too high therefore they are not aimed onto the road, they are aimed into your eyes.

Reply
Old Dec 23, 2019 | 08:08 PM
  #26  
1986BANDIT's Avatar
Senior Member
 
Joined: Mar 2017
Posts: 902
Likes: 139
From: waterloo ontario
Car: 1986 trans am
Engine: 305/350
Transmission: 5 speed
Axle/Gears: 3.27
Re: Caprice '91 sbc water pump mod

really easy fix,dont drive classic cars in the winter
Reply
Related Topics
Thread
Thread Starter
Forum
Replies
Last Post
danialreed
Cooling
7
Oct 20, 2012 08:29 PM
ziggy56
Cooling
6
Oct 14, 2009 12:58 AM
Scout
Tech / General Engine
3
Jul 13, 2007 10:31 AM
SnkSknrZ28
Carburetors
3
Apr 15, 2005 10:34 AM
xpndbl3
Cooling
6
Dec 9, 2003 08:01 PM




All times are GMT -5. The time now is 12:59 PM.