TPI Tuned Port Injection discussion and questions. LB9 and L98 tech, porting, tuning, and bolt-on aftermarket products.
Sponsored by:
Sponsored by:

Car runs like crap, shows codes 21 and 42

Thread Tools
 
Search this Thread
 
Old May 25, 2017 | 01:31 AM
  #1  
perZ's Avatar
Thread Starter
Junior Member
 
Joined: Apr 2015
Posts: 87
Likes: 0
From: Sweden
Car: Camaro Iroc-Z -89
Engine: 350 TPI
Transmission: Automatic
Car runs like crap, shows codes 21 and 42

Hello,

Some weeks ago I replaced the distributor cap, rotor and coil on my '89 Camaro 350 TPI. Before this it ran fine. When starting it up it ran very poorly and has been since. Feels like it's running only on a few cylinders, hardly responding to throttle. When keeping the throttle halfway down, it will run but again poorly (undrivable). I've swapped back to old ignition parts with no difference. Tried to start without EST connected -no difference. Now I'm lost.

Last time I was tinkering I managed to get two trouble codes -21 and 42. I've read what they mean (21 - high voltage etc. on TPS; 42 - EST problems). Can one of these set off the other? Has anyone experienced something similar?

I have tried the following:
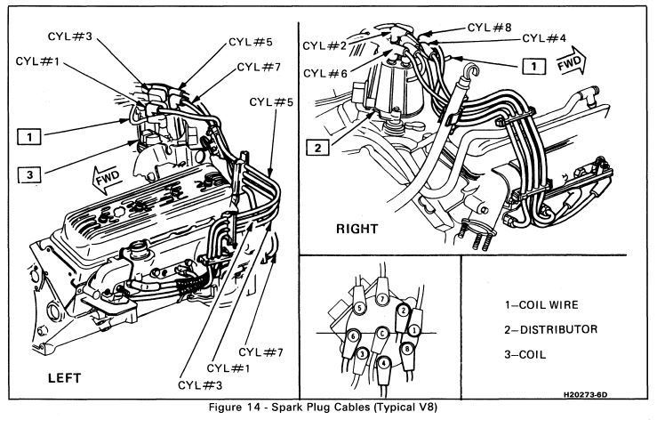
Checking spark plug cable order - OK
Timing is unchanged 6 degrees BTDC (no EST) - OK
Spark to plugs - OK
Fuses (from what I can see/find) - OK
Pressure in fuel rails 45 PSI - OK

Br,
Per
Reply
Old May 25, 2017 | 08:41 AM
  #2  
Tootie Pang's Avatar
Supreme Member
15 Year Member
iTrader: (2)
 
Joined: Aug 2009
Posts: 1,972
Likes: 127
From: Los Angeles
Car: 1989 IROC Convertible
Engine: 350 TPI L98
Transmission: WC T5
Axle/Gears: 3.42
Re: Car runs like crap, shows codes 21 and 42

If I were you, I would remove the spark plug wires and reconnect them to make sure I got them on the correct cylinder.






Reply
Old May 25, 2017 | 08:54 AM
  #3  
battman's Avatar
Senior Member
iTrader: (2)
 
Joined: May 2003
Posts: 539
Likes: 3
From: Huntsville, AL
Car: 87 GTA, 88 GTA, 92 TA, 72 RS SS
Engine: 350, 350, 305, 396
Transmission: T56, 700r4, 700r4, T56
Axle/Gears: 3.42, 3.23, 3.23, 3.73
Re: Car runs like crap, shows codes 21 and 42

I agree with tootie pang, the firing order is not right or you damaged the plug wires in the process of changing parts..
Reply
Old May 25, 2017 | 11:56 AM
  #4  
Tuned Performance's Avatar
Sponsor
20 Year Member
Community Builder
Community Influencer
Community Favorite
iTrader: (94)
 
Joined: Dec 2004
Posts: 16,754
Likes: 996
From: Mile High Country !!!
Car: 1967 Camaro, 91 z28
Engine: Lb9
Transmission: M20
Axle/Gears: J65 pbr on stock posi 10bolt
Re: Car runs like crap, shows codes 21 and 42

Code 21 can be a faulty ecm or ground behind the pass cylinder head.
Reply
Old May 25, 2017 | 01:33 PM
  #5  
Tootie Pang's Avatar
Supreme Member
15 Year Member
iTrader: (2)
 
Joined: Aug 2009
Posts: 1,972
Likes: 127
From: Los Angeles
Car: 1989 IROC Convertible
Engine: 350 TPI L98
Transmission: WC T5
Axle/Gears: 3.42
Re: Car runs like crap, shows codes 21 and 42

Yeah, you could have bumped a weak ground loose working the plug wires.
Reply
Old May 25, 2017 | 03:24 PM
  #6  
Tuned Performance's Avatar
Sponsor
20 Year Member
Community Builder
Community Influencer
Community Favorite
iTrader: (94)
 
Joined: Dec 2004
Posts: 16,754
Likes: 996
From: Mile High Country !!!
Car: 1967 Camaro, 91 z28
Engine: Lb9
Transmission: M20
Axle/Gears: J65 pbr on stock posi 10bolt
Re: Car runs like crap, shows codes 21 and 42


http://chevythunder.com/tps_code_21.htm
Reply
Old May 25, 2017 | 03:28 PM
  #7  
perZ's Avatar
Thread Starter
Junior Member
 
Joined: Apr 2015
Posts: 87
Likes: 0
From: Sweden
Car: Camaro Iroc-Z -89
Engine: 350 TPI
Transmission: Automatic
Re: Car runs like crap, shows codes 21 and 42

Thanks for your ideas, I'll look for a bad ground. Possibly I could have caused something while tinkering. Will let you know how it proceeds.

Br,
Per
Reply
Old May 28, 2017 | 05:26 PM
  #8  
fastsspr's Avatar
Junior Member
 
Joined: May 2008
Posts: 85
Likes: 0
From: Henderson NV
Car: 1985 Yellow Iroc Z w/LS interiors
Engine: 305ci 5.0L
Transmission: 700r4
Re: Car runs like crap, shows codes 21 and 42

Sorry not to high jack the threat but in the same line ,any one have the ground diagram for the same car 89 Iroc? I'm helping a friend to chasing the same problem but i have been out of the TPI sine close to 15 years.
Reply
Old May 28, 2017 | 06:00 PM
  #9  
Tuned Performance's Avatar
Sponsor
20 Year Member
Community Builder
Community Influencer
Community Favorite
iTrader: (94)
 
Joined: Dec 2004
Posts: 16,754
Likes: 996
From: Mile High Country !!!
Car: 1967 Camaro, 91 z28
Engine: Lb9
Transmission: M20
Axle/Gears: J65 pbr on stock posi 10bolt
Re: Car runs like crap, shows codes 21 and 42

All except the aldl ground is behind the pass cyl head. There is a splice for the cts and tps in the loom around the tps location.
Reply




All times are GMT -5. The time now is 08:15 PM.