Fuel pump issue
Fuel pump issue
I just bought a jeep with a 5.7 TPI system on it. it was cheap as it had many problems. Put in remaned 350 longblock and it ran for a few days. started having issues stalling and dieing. Fuel PSI with gage started out getting to 45 psi and it will run good then After a few minutes the press starts to drop and then it dies. Put in a new Carter P5000 pump. no change, put the old pump back on, same issues. Testing several different items. Only thing I found is the Pump doesnt prime for two seconds after the first time the ingnition is turned on. If it is supossed to? I can bump the starter over and the pump will come on but still not get the psi it needs. I am thinking the the ecm is faulty because of the no pump prime on the switch. But also why wont it build the psi it needs? Is there a check valve of some sort? Thanks For your help.
Joined: Dec 2004
Posts: 16,751
Likes: 996
From: Mile High Country !!!
Car: 1967 Camaro, 91 z28
Engine: Lb9
Transmission: M20
Axle/Gears: J65 pbr on stock posi 10bolt
Re: Fuel pump issue
You might need a new fpr
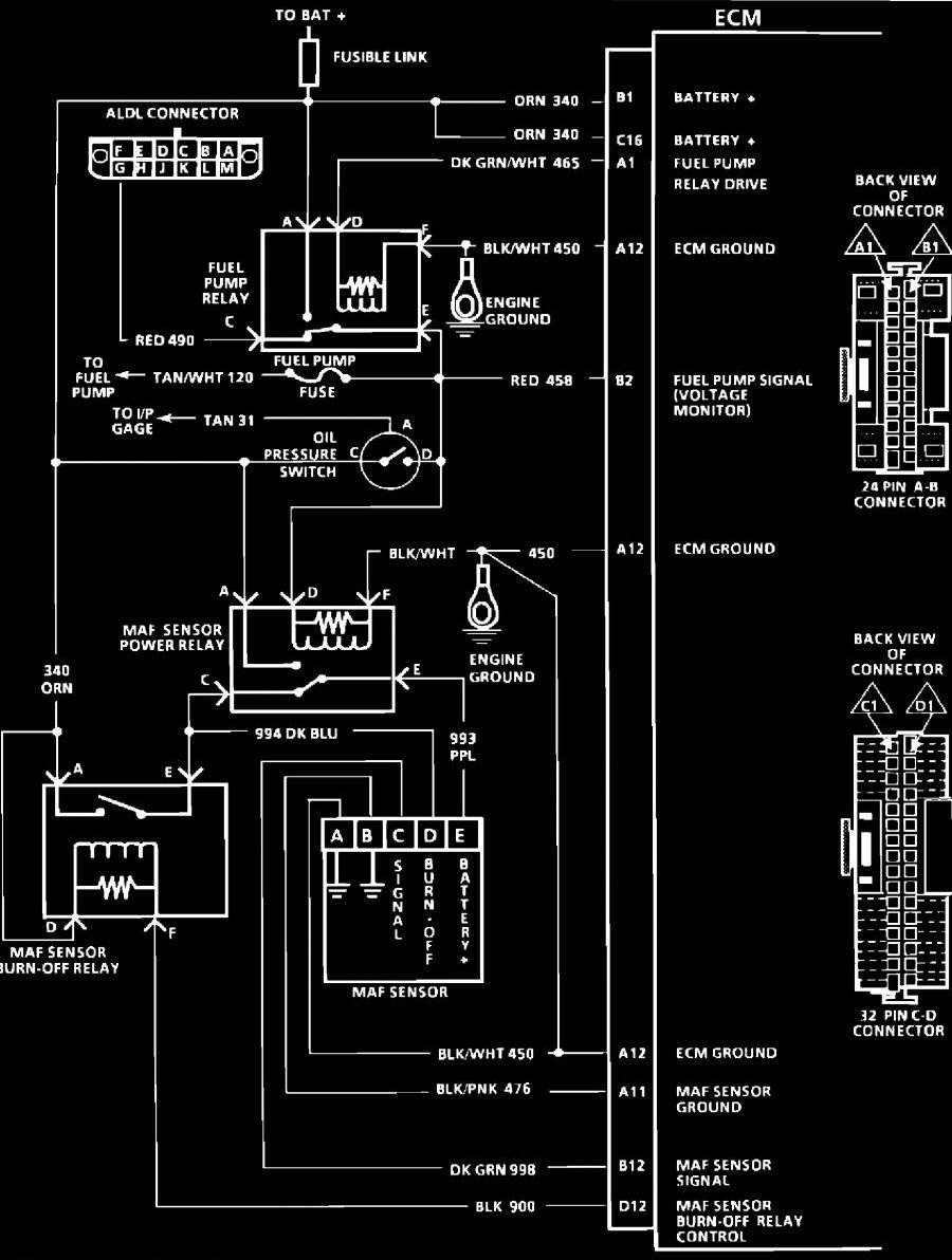
If you state the ecm your using I can post a schematic so you can see if it’s a wiring issue or the relay that’s not working correctly.
1227165, 1227727 or 1227730 ecm
If you state the ecm your using I can post a schematic so you can see if it’s a wiring issue or the relay that’s not working correctly.
1227165, 1227727 or 1227730 ecm
Joined: Dec 2004
Posts: 16,751
Likes: 996
From: Mile High Country !!!
Car: 1967 Camaro, 91 z28
Engine: Lb9
Transmission: M20
Axle/Gears: J65 pbr on stock posi 10bolt
Re: Fuel pump issue
D7 is the relay control for prime
Not sure why you have the fuel pressure drop leaking injectors maybe.
Does fuel drain when the pump is taken out of the equation?
Maybe a plugged fuel sock in the tank.
Last edited by Tuned Performance; Jun 24, 2018 at 07:45 PM.
Re: Fuel pump issue
Thanks for the diagram. Drop is only while it is trying to run/running. Key on engine off psi holds from whatever the pump builds on prime. It will hold psi and not drop more than 2 or 3 psi overnite.
Last edited by 87yjtoy; Jun 24, 2018 at 08:09 PM.
Re: Fuel pump issue
Yes checked that. it is not loosing power. It seems to be that as long as it is pumping is has 12V. when the stalling begins it is loosing PSI just like the fpr is failing, but the pump is still running. that when I replaced the pump. Can get it to build more psi by pinching off the return line but not much.
Trending Topics
Re: Fuel pump issue
Hi guys sorry to put this here couldn't make a new topic..
I have this 91 TPI bird and got this AC Delco fuel pump 19237634 / BGV00381
last one i used was 25167992 and it last for 2 years ... is this AC Delco is the right one for my T.A ?
Thank you
I have this 91 TPI bird and got this AC Delco fuel pump 19237634 / BGV00381
last one i used was 25167992 and it last for 2 years ... is this AC Delco is the right one for my T.A ?
Thank you
Joined: Dec 2004
Posts: 16,751
Likes: 996
From: Mile High Country !!!
Car: 1967 Camaro, 91 z28
Engine: Lb9
Transmission: M20
Axle/Gears: J65 pbr on stock posi 10bolt
Re: Fuel pump issue
Most people use the ep241 , I don’t know if those part numbers are the same or what psi your part number is.
Joined: Dec 2004
Posts: 16,751
Likes: 996
From: Mile High Country !!!
Car: 1967 Camaro, 91 z28
Engine: Lb9
Transmission: M20
Axle/Gears: J65 pbr on stock posi 10bolt
Re: Fuel pump issue
The application listing doesn’t list this pump for your car. It might have enough pressure to work but I wouldn’t chance it.
Last edited by Tuned Performance; Jun 25, 2018 at 12:32 PM.
Joined: Dec 2004
Posts: 16,751
Likes: 996
From: Mile High Country !!!
Car: 1967 Camaro, 91 z28
Engine: Lb9
Transmission: M20
Axle/Gears: J65 pbr on stock posi 10bolt
Re: Fuel pump issue
The ep241 would be a good intank pump. I’m not sure what a good inline high pressure pump would be. Maybe a ep286 might be a good fit I think it has enough pressure which I’m sure it will. Application listings.
Fits car:
Make & Model Year Engine
FORD AEROSTAR 1986 L4-2.3L
FORD BRONCO 1989-1987 L6-4.9L
FORD BRONCO 1989-1985 V8-5.0L
FORD BRONCO 1989-1988 V8-5.8L
FORD BRONCO II 1988-1986 V6-2.9L
FORD E-150 ECONOLINE 1991-1987 L6-4.9L
FORD E-150 ECONOLINE 1991-1986 V8-5.0L
FORD E-150 ECONOLINE 1991-1988 V8-5.8L
FORD E-150 ECONOLINE CLUB WAGON 1991-1987 L6-4.9L
FORD E-150 ECONOLINE CLUB WAGON 1991-1986 V8-5.0L
FORD E-150 ECONOLINE CLUB WAGON 1991-1988 V8-5.8L
FORD E-250 ECONOLINE 1991-1987 L6-4.9L
FORD E-250 ECONOLINE 1991-1986 V8-5.0L
FORD E-250 ECONOLINE 1991-1988 V8-5.8L
FORD E-250 ECONOLINE CLUB WAGON 1991-1987 L6-4.9L
FORD E-250 ECONOLINE CLUB WAGON 1991-1988 V8-5.8L
FORD E-250 ECONOLINE CLUB WAGON 1991-1988 V8-7.5L
FORD E-350 ECONOLINE 1991-1987 L6-4.9L
FORD E-350 ECONOLINE 1991-1988 V8-5.8L
FORD E-350 ECONOLINE 1991-1987 V8-7.5L
FORD E-350 ECONOLINE CLUB WAGON 1991-1987 L6-4.9L
FORD E-350 ECONOLINE CLUB WAGON 1991-1988 V8-5.8L
FORD E-350 ECONOLINE CLUB WAGON 1991-1987 V8-7.5L
FORD F SUPER DUTY 1989-1988 V8-7.5L
FORD F-150 1989-1987 L6-4.9L
FORD F-150 1989-1985 V8-5.0L
FORD F-150 1989-1988 V8-5.8L
FORD F-250 1989-1987 L6-4.9L
FORD F-250 1989-1985 V8-5.0L
FORD F-250 1989-1988 V8-5.8L
FORD F-250 1989-1987 V8-7.5L
FORD F-350 1989-1987 L6-4.9L
FORD F-350 1989-1988 V8-5.8L
FORD F-350 1989-1987 V8-7.5L
FORD LTD 1986-1984 V6-3.8L
FORD LTD 1985-1984 V8-5.0L
FORD MUSTANG 1985-1983 L4-2.3L
FORD MUSTANG 1985-1984 V6-3.8L
FORD MUSTANG 1985-1984 V8-5.0L
FORD RANGER 1988-1985 L4-2.3L
FORD RANGER 1988-1986 V6-2.9L
FORD THUNDERBIRD 1984-1983 L4-2.3L
FORD THUNDERBIRD 1984 V6-3.8L
FORD THUNDERBIRD 1984-1983 V8-5.0L
FORD TRUCK F250/350/450/550 Super Duty 1988-1989 Pickup; 460 (7.5L)
LINCOLN CONTINENTAL 1984-1983 V8-5.0L
LINCOLN MARK VII 1984 V8-5.0L
MERCURY CAPRI 1984-1983 L4-2.3L
MERCURY CAPRI 1985-1984 V6-3.8L
MERCURY CAPRI 1985-1984 V8-5.0L
MERCURY COUGAR 1984 L4-2.3L
MERCURY COUGAR 1984 V6-3.8L
MERCURY COUGAR 1984-1983 V8-5.0L
MERCURY MARQUIS 1986-1984 V6-3.8L
MERCURY MARQUIS 1985 V8-5.0L
MERKUR XR4TI 1989-1985 L4-2.3L
Fits car:
Make & Model Year Engine
FORD AEROSTAR 1986 L4-2.3L
FORD BRONCO 1989-1987 L6-4.9L
FORD BRONCO 1989-1985 V8-5.0L
FORD BRONCO 1989-1988 V8-5.8L
FORD BRONCO II 1988-1986 V6-2.9L
FORD E-150 ECONOLINE 1991-1987 L6-4.9L
FORD E-150 ECONOLINE 1991-1986 V8-5.0L
FORD E-150 ECONOLINE 1991-1988 V8-5.8L
FORD E-150 ECONOLINE CLUB WAGON 1991-1987 L6-4.9L
FORD E-150 ECONOLINE CLUB WAGON 1991-1986 V8-5.0L
FORD E-150 ECONOLINE CLUB WAGON 1991-1988 V8-5.8L
FORD E-250 ECONOLINE 1991-1987 L6-4.9L
FORD E-250 ECONOLINE 1991-1986 V8-5.0L
FORD E-250 ECONOLINE 1991-1988 V8-5.8L
FORD E-250 ECONOLINE CLUB WAGON 1991-1987 L6-4.9L
FORD E-250 ECONOLINE CLUB WAGON 1991-1988 V8-5.8L
FORD E-250 ECONOLINE CLUB WAGON 1991-1988 V8-7.5L
FORD E-350 ECONOLINE 1991-1987 L6-4.9L
FORD E-350 ECONOLINE 1991-1988 V8-5.8L
FORD E-350 ECONOLINE 1991-1987 V8-7.5L
FORD E-350 ECONOLINE CLUB WAGON 1991-1987 L6-4.9L
FORD E-350 ECONOLINE CLUB WAGON 1991-1988 V8-5.8L
FORD E-350 ECONOLINE CLUB WAGON 1991-1987 V8-7.5L
FORD F SUPER DUTY 1989-1988 V8-7.5L
FORD F-150 1989-1987 L6-4.9L
FORD F-150 1989-1985 V8-5.0L
FORD F-150 1989-1988 V8-5.8L
FORD F-250 1989-1987 L6-4.9L
FORD F-250 1989-1985 V8-5.0L
FORD F-250 1989-1988 V8-5.8L
FORD F-250 1989-1987 V8-7.5L
FORD F-350 1989-1987 L6-4.9L
FORD F-350 1989-1988 V8-5.8L
FORD F-350 1989-1987 V8-7.5L
FORD LTD 1986-1984 V6-3.8L
FORD LTD 1985-1984 V8-5.0L
FORD MUSTANG 1985-1983 L4-2.3L
FORD MUSTANG 1985-1984 V6-3.8L
FORD MUSTANG 1985-1984 V8-5.0L
FORD RANGER 1988-1985 L4-2.3L
FORD RANGER 1988-1986 V6-2.9L
FORD THUNDERBIRD 1984-1983 L4-2.3L
FORD THUNDERBIRD 1984 V6-3.8L
FORD THUNDERBIRD 1984-1983 V8-5.0L
FORD TRUCK F250/350/450/550 Super Duty 1988-1989 Pickup; 460 (7.5L)
LINCOLN CONTINENTAL 1984-1983 V8-5.0L
LINCOLN MARK VII 1984 V8-5.0L
MERCURY CAPRI 1984-1983 L4-2.3L
MERCURY CAPRI 1985-1984 V6-3.8L
MERCURY CAPRI 1985-1984 V8-5.0L
MERCURY COUGAR 1984 L4-2.3L
MERCURY COUGAR 1984 V6-3.8L
MERCURY COUGAR 1984-1983 V8-5.0L
MERCURY MARQUIS 1986-1984 V6-3.8L
MERCURY MARQUIS 1985 V8-5.0L
MERKUR XR4TI 1989-1985 L4-2.3L
Last edited by Tuned Performance; Jun 25, 2018 at 07:44 PM.
Junior Member
Joined: May 2018
Posts: 6
Likes: 0
From: Utah
Car: 1988 Camaro
Engine: 2.8L v6
Transmission: Automatic
Re: Fuel pump issue
I am having issues with my fuel pump on my 1988 Camaro, for some reason when the ignition switch is off the pump stays on when I turn it on the pump goes off and has trouble starting wires and spark plugs are good
Joined: Dec 2004
Posts: 16,751
Likes: 996
From: Mile High Country !!!
Car: 1967 Camaro, 91 z28
Engine: Lb9
Transmission: M20
Axle/Gears: J65 pbr on stock posi 10bolt
Re: Fuel pump issue
I’m not sure what your wiring issue could be . The fuel pump circuit is not connected to the ignition switch. I would start by looking for spliced wires at the fuel pump relay on the bulk head next to the master cylinder.
Junior Member
Joined: May 2018
Posts: 6
Likes: 0
From: Utah
Car: 1988 Camaro
Engine: 2.8L v6
Transmission: Automatic
Re: Fuel pump issue
This issue just started I had to pull a 2.8 v6 out of a 92 s10 same size engine that was in before I didn’t cut any of the original wires to it I do have three connections to the starter the positive battery cable the ignition wires and another one I am not sure of I’m not seeing any splices or cut wires could it be a faulty relay? Be fore I put the engine in it has sat for a little over 10 years
Joined: Dec 2004
Posts: 16,751
Likes: 996
From: Mile High Country !!!
Car: 1967 Camaro, 91 z28
Engine: Lb9
Transmission: M20
Axle/Gears: J65 pbr on stock posi 10bolt
Re: Fuel pump issue
You can always disconnect the relay and see if it goes off when you turn the key off. I have no idea how thevpump is receiving power with the key off. You could try to start a new thread in the electrical section someone else might have a idea.
Joined: Dec 2004
Posts: 16,751
Likes: 996
From: Mile High Country !!!
Car: 1967 Camaro, 91 z28
Engine: Lb9
Transmission: M20
Axle/Gears: J65 pbr on stock posi 10bolt
Re: Fuel pump issue
Go to the electrical section and at the bottom of the page you will see a button that says new thread.
Thread
Thread Starter
Forum
Replies
Last Post
kowboy59
Engine/Drivetrain/Suspension Parts for Sale
6
Nov 7, 2011 09:36 PM
BuckeyeROC
Power Adders
7
Apr 29, 2002 07:18 PM








