No Power at Fuel Pump Relay
Thread Starter
Member
Joined: May 2017
Posts: 103
Likes: 0
From: Alton, IL
Car: 1989 Firebird
Engine: 2.8l
Transmission: 700R4
Axle/Gears: 3.23
No Power at Fuel Pump Relay
So my bird has recently not been starting. I have tested the fuse, which was good. When I tested the fuel pump relay wires i had multiple that was grounded and no wire that was hot. Is this correct? How would I be able to test the relay by jumping the wires? I did find one post stating how to test it but the wiring isnt the same color so im not sure.
1989 Pontiac Firebird 2.8l V6 Automatic
Any information is greatly appreciated!
1989 Pontiac Firebird 2.8l V6 Automatic
Any information is greatly appreciated!
Re: No Power at Fuel Pump Relay
So my bird has recently not been starting. I have tested the fuse, which was good. When I tested the fuel pump relay wires i had multiple that was grounded and no wire that was hot. Is this correct? How would I be able to test the relay by jumping the wires? I did find one post stating how to test it but the wiring isnt the same color so im not sure.
1989 Pontiac Firebird 2.8l V6 Automatic
Any information is greatly appreciated!
1989 Pontiac Firebird 2.8l V6 Automatic
Any information is greatly appreciated!
Thread Starter
Member
Joined: May 2017
Posts: 103
Likes: 0
From: Alton, IL
Car: 1989 Firebird
Engine: 2.8l
Transmission: 700R4
Axle/Gears: 3.23
Re: No Power at Fuel Pump Relay
No power to the orange wire at all. Not really finding the fuse though. It's by the battery right?
Re: No Power at Fuel Pump Relay
Thread Starter
Member
Joined: May 2017
Posts: 103
Likes: 0
From: Alton, IL
Car: 1989 Firebird
Engine: 2.8l
Transmission: 700R4
Axle/Gears: 3.23
Re: No Power at Fuel Pump Relay
Awesome. I will look at it this evening. I know when I tested it my tester said it was grounded.
Re: No Power at Fuel Pump Relay
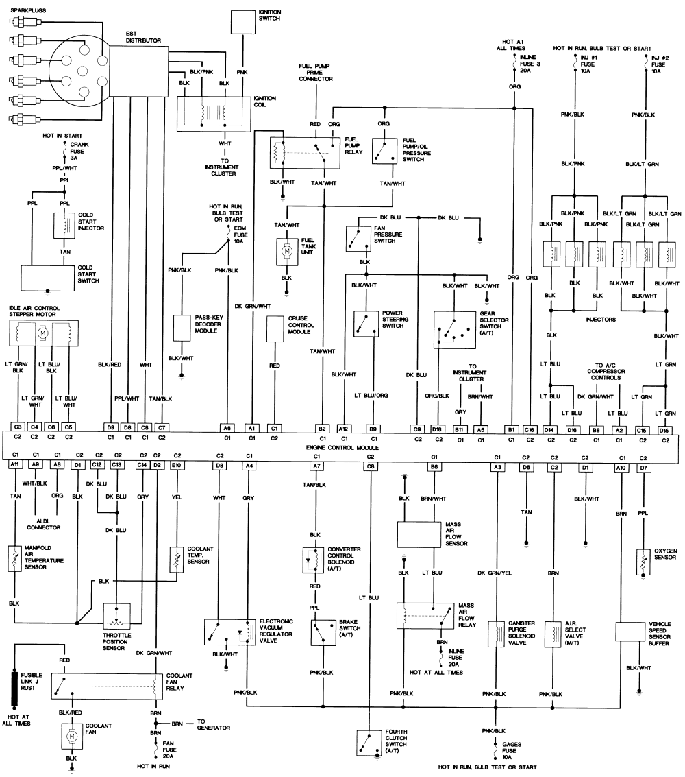
If you were to remove the fuse and put an ohm meter between the orange wire and ground, you may well obtain a resistance reading due to the orange wire feeding constant power to the ECM (as seen in the wiring diagram) to keep it's "memory" alive ( the stuff it "learns" about fuel trims & such). What you'd ideally see would be some type of resistance, but not anything close to 0 ohms. Anyway, tonight post your results with the fuse and hopefully you are one of the (rare) lucky ones who had a fuse that blew prematurely.....
Thread Starter
Member
Joined: May 2017
Posts: 103
Likes: 0
From: Alton, IL
Car: 1989 Firebird
Engine: 2.8l
Transmission: 700R4
Axle/Gears: 3.23
Re: No Power at Fuel Pump Relay
If you were to remove the fuse and put an ohm meter between the orange wire and ground, you may well obtain a resistance reading due to the orange wire feeding constant power to the ECM (as seen in the wiring diagram) to keep it's "memory" alive ( the stuff it "learns" about fuel trims & such). What you'd ideally see would be some type of resistance, but not anything close to 0 ohms. Anyway, tonight post your results with the fuse and hopefully you are one of the (rare) lucky ones who had a fuse that blew prematurely.....
Trending Topics
Re: No Power at Fuel Pump Relay
Now, in the unfortunate happenstance you DO have a genuine short circuit taking out the fuse, some of the first places to check will be any work that has been done that is not "factory", things like aftermarket radios, alarm systems, remote starters, and the like. The sad truth is that a lot of people who install such devices do a pretty crappy job of connecting the wires and that makes such installations a prime suspect for short circuits.
Thread Starter
Member
Joined: May 2017
Posts: 103
Likes: 0
From: Alton, IL
Car: 1989 Firebird
Engine: 2.8l
Transmission: 700R4
Axle/Gears: 3.23
Re: No Power at Fuel Pump Relay
Now, in the unfortunate happenstance you DO have a genuine short circuit taking out the fuse, some of the first places to check will be any work that has been done that is not "factory", things like aftermarket radios, alarm systems, remote starters, and the like. The sad truth is that a lot of people who install such devices do a pretty crappy job of connecting the wires and that makes such installations a prime suspect for short circuits.
Thread Starter
Member
Joined: May 2017
Posts: 103
Likes: 0
From: Alton, IL
Car: 1989 Firebird
Engine: 2.8l
Transmission: 700R4
Axle/Gears: 3.23
Re: No Power at Fuel Pump Relay
Now, in the unfortunate happenstance you DO have a genuine short circuit taking out the fuse, some of the first places to check will be any work that has been done that is not "factory", things like aftermarket radios, alarm systems, remote starters, and the like. The sad truth is that a lot of people who install such devices do a pretty crappy job of connecting the wires and that makes such installations a prime suspect for short circuits.
Re: No Power at Fuel Pump Relay
Hi Grizz87, look at the wiring diagram I posted back in post #2. On the top left of the diagram, just under the distributor, you'll find your cold start injector circuit. Your first check should be the 3 amp "crank" fuse, if that's blown it'll cause your CSI to not function. Using an automotive test light there should be power on both sides of the fuse while the key is turned to the start position.
Thread Starter
Member
Joined: May 2017
Posts: 103
Likes: 0
From: Alton, IL
Car: 1989 Firebird
Engine: 2.8l
Transmission: 700R4
Axle/Gears: 3.23
Re: No Power at Fuel Pump Relay
Hi Grizz87, look at the wiring diagram I posted back in post #2. On the top left of the diagram, just under the distributor, you'll find your cold start injector circuit. Your first check should be the 3 amp "crank" fuse, if that's blown it'll cause your CSI to not function. Using an automotive test light there should be power on both sides of the fuse while the key is turned to the start position.
Thread Starter
Member
Joined: May 2017
Posts: 103
Likes: 0
From: Alton, IL
Car: 1989 Firebird
Engine: 2.8l
Transmission: 700R4
Axle/Gears: 3.23
Re: No Power at Fuel Pump Relay
yeah all the fuses are testing out good. pump itself isn't wanting to prime so may be a failing pump. i have had a new one for a while just haven't done it yet. guess i have to now. I will update after it is changed out. Will probably be Friday or Saturday.
Re: No Power at Fuel Pump Relay
If the pump doesn't do the two second prime, and the car will eventually start with prolonged cranking, the likelyhood is that it's not your pump that's at fault, but instead the fuel pump relay (or ECM) are where the problem is. If you look at your fuel pump circuit you'll see that there is an oil pressure switch that will close and provide power to the pump once the engine builds oil pressure. What you need to do is to put a test light across the dark green/white and black/white small gauge wires connected to your fuel pump relay and turn the key from off to on and see if the light lights for two seconds. If yes, next put the light on the large gauge tan/white wire (with the other end of the light well grounded) and again switch the key to the run position and see if you get 2 seconds of light. The results of those two tests will determine your next steps ....
Thread Starter
Member
Joined: May 2017
Posts: 103
Likes: 0
From: Alton, IL
Car: 1989 Firebird
Engine: 2.8l
Transmission: 700R4
Axle/Gears: 3.23
Re: No Power at Fuel Pump Relay
If the pump doesn't do the two second prime, and the car will eventually start with prolonged cranking, the likelyhood is that it's not your pump that's at fault, but instead the fuel pump relay (or ECM) are where the problem is. If you look at your fuel pump circuit you'll see that there is an oil pressure switch that will close and provide power to the pump once the engine builds oil pressure. What you need to do is to put a test light across the dark green/white and black/white small gauge wires connected to your fuel pump relay and turn the key from off to on and see if the light lights for two seconds. If yes, next put the light on the large gauge tan/white wire (with the other end of the light well grounded) and again switch the key to the run position and see if you get 2 seconds of light. The results of those two tests will determine your next steps ....
Thread Starter
Member
Joined: May 2017
Posts: 103
Likes: 0
From: Alton, IL
Car: 1989 Firebird
Engine: 2.8l
Transmission: 700R4
Axle/Gears: 3.23
Re: No Power at Fuel Pump Relay
If the pump doesn't do the two second prime, and the car will eventually start with prolonged cranking, the likelyhood is that it's not your pump that's at fault, but instead the fuel pump relay (or ECM) are where the problem is. If you look at your fuel pump circuit you'll see that there is an oil pressure switch that will close and provide power to the pump once the engine builds oil pressure. What you need to do is to put a test light across the dark green/white and black/white small gauge wires connected to your fuel pump relay and turn the key from off to on and see if the light lights for two seconds. If yes, next put the light on the large gauge tan/white wire (with the other end of the light well grounded) and again switch the key to the run position and see if you get 2 seconds of light. The results of those two tests will determine your next steps ....
Re: No Power at Fuel Pump Relay
To check your MAF the first check will be the MAF relay. It is mounted on the right hand (passenger's) side next to the radiator . With the key on check the pink/black wire for +12V. Next, check the light blue wire for +12V . The schematic I posted in post #2 shows the MAF circuit at the bottom of the drawing . It's not likely to be a fuse since the two fuses protecting the MAF relay circuit also protect other things that you would notice for sure if they were out (The relay's primary side is protected by the gauges fuse and it's secondary side is protected by the fender mounted fuse that protects among other things your fuel pump) .....
Thread Starter
Member
Joined: May 2017
Posts: 103
Likes: 0
From: Alton, IL
Car: 1989 Firebird
Engine: 2.8l
Transmission: 700R4
Axle/Gears: 3.23
Re: No Power at Fuel Pump Relay
To check your MAF the first check will be the MAF relay. It is mounted on the right hand (passenger's) side next to the radiator . With the key on check the pink/black wire for +12V. Next, check the light blue wire for +12V . The schematic I posted in post #2 shows the MAF circuit at the bottom of the drawing . It's not likely to be a fuse since the two fuses protecting the MAF relay circuit also protect other things that you would notice for sure if they were out (The relay's primary side is protected by the gauges fuse and it's secondary side is protected by the fender mounted fuse that protects among other things your fuel pump) .....
Re: No Power at Fuel Pump Relay
I have run into instances where a MAF that will work in one car won't work in another. I do not know the reason for this, just that I've seen it more than once. Some slight differences in ECMs perhaps ....
Thread Starter
Member
Joined: May 2017
Posts: 103
Likes: 0
From: Alton, IL
Car: 1989 Firebird
Engine: 2.8l
Transmission: 700R4
Axle/Gears: 3.23
Re: No Power at Fuel Pump Relay
If you have +12V on the light blue with the key on (with the MAF plugged in) then the relay isn't your problem.
I have run into instances where a MAF that will work in one car won't work in another. I do not know the reason for this, just that I've seen it more than once. Some slight differences in ECMs perhaps ....
I have run into instances where a MAF that will work in one car won't work in another. I do not know the reason for this, just that I've seen it more than once. Some slight differences in ECMs perhaps ....
Re: No Power at Fuel Pump Relay
Although, something else to consider here is this;
The MAF code means the ECM is either seeing no signal from the MAF, or that it's seeing readings that don't coincide with the readings it's expecting to see. How is the rubber boot that connects the plastic air duct to the manifold, any rips in it? Or are there any other places where vacuum may be leaking, rotted emissions hoses and the like? If anything is causing air to get into the intake beyond the MAF it will be air that the MAF hasn't measured, and will skew the readings between what the MAF is telling the ECM about how much air is moving through the system VS the actual amount of air (air through the MAF plus the leaked in air) ....
The MAF code means the ECM is either seeing no signal from the MAF, or that it's seeing readings that don't coincide with the readings it's expecting to see. How is the rubber boot that connects the plastic air duct to the manifold, any rips in it? Or are there any other places where vacuum may be leaking, rotted emissions hoses and the like? If anything is causing air to get into the intake beyond the MAF it will be air that the MAF hasn't measured, and will skew the readings between what the MAF is telling the ECM about how much air is moving through the system VS the actual amount of air (air through the MAF plus the leaked in air) ....
Thread
Thread Starter
Forum
Replies
Last Post
jcisthechamp05
Tech / General Engine
2
Sep 17, 2007 03:35 PM








