Cooling Discuss all of the aspects of cooling that you can think of! Radiators, transmissions, electric fans, etc.

Stand Alone dual fan control for my 86

Thread Tools
 
Search this Thread
 
Old Jun 2, 2025 | 03:08 PM
  #1  
Abubaca's Avatar
Thread Starter
Moderator
25 Year Member
Liked
Loved
iTrader: (3)
 
Joined: Feb 2001
Posts: 8,494
Likes: 411
From: Sophia, NC
Car: 2016 Camaro SS + 1986 Z28
Stand Alone dual fan control for my 86

So I'm workin' on my 86. It'll be running a carbed vortec 350, and I'm looking at my cooling options. Original wiring is pretty chewed up and hacked. I had a lot of success with running a 4th gen dual fan set up on my last IROC, controlled by a Painless Wiring F5 controller. LOTS of flexibility with that kit, frankly more than I likely needed. Anyhow, finally ended up letting the Holley EFI controll it all, but the F5 kit worked well. Apparently it's not available anymore. Anyone know of a system to do this? I do plan on running AC, although not right away. Lots of missing wires. AC is not on the shortlist, but of course, fans are!
Reply
Old Jun 2, 2025 | 04:24 PM
  #2  
punkmaster98's Avatar
Supreme Member
10 Year Member
Liked
Loved
Community Favorite
iTrader: (5)
 
Joined: Aug 2011
Posts: 1,261
Likes: 196
From: Jackson NJ
Car: 1984 T/A
Engine: LQ4
Transmission: T56
Axle/Gears: Ford 8.8 4.10 gears
Re: Stand Alone dual fan control for my 86

bp automotive and current performance both offer standalone kits that just need ground triggers
Reply
Old Jun 2, 2025 | 06:48 PM
  #3  
Kingtal0n's Avatar
Supreme Member
20 Year Member
Liked
Loved
 
Joined: Mar 2001
Posts: 3,306
Likes: 77
From: Fl
Car: 5.3L turbo 2800lbs RWD
Engine: Prefer 3L Iron & 5.3L Aluminum
Transmission: 4l80e
Axle/Gears: 3.512
Re: Stand Alone dual fan control for my 86

You can make your own fan controller. Here is the basic circuit I use to control my fans, monitor coolant/oil temps, using low cost components


Arduino nano is very cheap. Since this I added 5V power supply external, and transient suppression inductors to the input current, so as not rely on the arduino's internal regulators for reliability.

I use 2-wire 1/8" NPT sensor to measure coolant and oil, ground directly to controller (instead of nearby to sensor grounds like a traditional 1-wire)

This is how you take recorded empirical measurements from the sensors voltage divider to calibrate for temperature range and generate formula



My setup in the lab using a hot-plate to calibrate them


I built a load out board with an LED to directly tell me the temperatures and whether fans are commanded on or off


In the future I plan to add features but I'm pretty happy with it as it is


Reply
Old Jun 2, 2025 | 07:10 PM
  #4  
Aaron R.'s Avatar
Supreme Member
20 Year Member
Liked
Loved
Community Favorite
 
Joined: Oct 2004
Posts: 1,055
Likes: 309
From: Missouri
Car: 1985 Z28
Engine: 305 LG4
Transmission: T5
Axle/Gears: 3.42
Re: Stand Alone dual fan control for my 86

I have Dakota Digital fan controllers in both my Thirdgens. Solved all my control problems and working great for years now.
Reply
Old Jun 2, 2025 | 08:27 PM
  #5  
Abubaca's Avatar
Thread Starter
Moderator
25 Year Member
Liked
Loved
iTrader: (3)
 
Joined: Feb 2001
Posts: 8,494
Likes: 411
From: Sophia, NC
Car: 2016 Camaro SS + 1986 Z28
Re: Stand Alone dual fan control for my 86

Thanks for the replies guys, I'll look into those kits. KingTA, -that's pretty cool. I think it's a little more than I wanna tackle at the moment, though I appreciate it!
Reply
Old Jun 2, 2025 | 09:34 PM
  #6  
skinny z's Avatar
Supreme Member
20 Year Member
Liked
Loved
Community Favorite
 
Joined: Dec 2005
Posts: 9,917
Likes: 884
From: 53.0907° N, 113.4695° W
Re: Stand Alone dual fan control for my 86

As posted above, Dakota Digital has done yeoman service for me.

https://www.dakotadigital.com/pdf/PAC-2750.pdf

https://www.summitracing.com/parts/d...XGeMqKhhTrQup5

I use an aftermarket gauge (sensor in the drivers side cylinder head) and it's output is twinned to the D.D. controller. No more temp sensor on the passenger side needed.
Reply
Old Jun 2, 2025 | 10:26 PM
  #7  
roadthrills's Avatar
Member
20 Year Member
Liked
Loved
 
Joined: Aug 2004
Posts: 435
Likes: 83
From: Northern Arkansas
Car: 1982 MSE, 1988 S10 Blazer
Engine: 305 in both!
Transmission: 200c / Th700r4
Axle/Gears: 3:73 / 3.42
Re: Stand Alone dual fan control for my 86

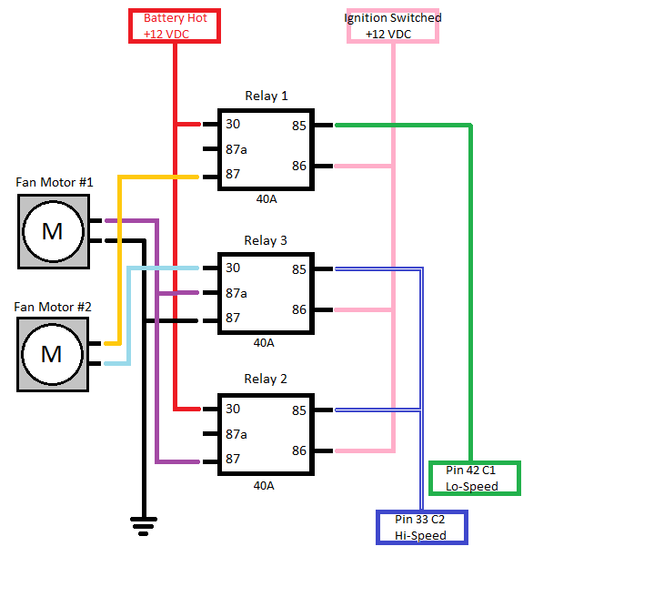
It's pretty easy to wire relays up in a hi/lo setup like an LS. You just need 3 cube relays and a switch.I like to use a Volvo dual temp switch......part number 61318361787. It will kick on low speed at 180* and high at 195*. It has a metric thread (14mmx1.5) so you'll also need a threaded adapter. You can buy the pigtail for it but I just use bullet connectors. Here is the wiring diagram. This is an automatic, problem free setup.

Reply
Old Jun 3, 2025 | 07:42 AM
  #8  
Abubaca's Avatar
Thread Starter
Moderator
25 Year Member
Liked
Loved
iTrader: (3)
 
Joined: Feb 2001
Posts: 8,494
Likes: 411
From: Sophia, NC
Car: 2016 Camaro SS + 1986 Z28
Re: Stand Alone dual fan control for my 86

Lotta mentions of that Dakota Digital part. Found a video on YT of a guy programming. Seems easy. That schematic certainly looks like something I could follow too. The schematic shows pin 33 and 42, which is how it would be wired on an LS PCM, right? -But that's why you mention the volvo switch, right? Since no pcm in my case? When it comes to electronics, I'm that guy that knows just enough to get myself in trouble!!!

Thanks again for the replies.
Reply
Old Jun 3, 2025 | 07:06 PM
  #9  
TylerSteez's Avatar
Supreme Member
10 Year Member
Liked
Loved
Community Favorite
iTrader: (3)
 
Joined: May 2013
Posts: 1,493
Likes: 98
From: CT
Car: 86 Trans Am WS6
Engine: 383 stroker
Transmission: 700r4
Axle/Gears: 9 Bolt Torsen 3.70
Re: Stand Alone dual fan control for my 86

I have a derale single relay fan controller controlling dual LT1 fans on my carb'd vortec 383. Im not running AC but it does have a ground trigger wire for that as well. I'm sure it's just like any other fan controller on the market but it has been simple and trouble free for 7-8 years now
Reply
Old Jun 5, 2025 | 05:36 AM
  #10  
BBCSwap's Avatar
Member
Liked
Loved
Community Favorite
 
Joined: Aug 2021
Posts: 418
Likes: 66
From: Central Michigan
Engine: SBC Dart 400 Holley 750 Carb
Transmission: 700R4
Axle/Gears: 28 spline 323 gears
Re: Stand Alone dual fan control for my 86

Originally Posted by TylerSteez
I have a derale single relay fan controller controlling dual LT1 fans
Do you have the probe in the radiator or where at on the engine?
Reply
Old Jun 5, 2025 | 07:24 PM
  #11  
roadthrills's Avatar
Member
20 Year Member
Liked
Loved
 
Joined: Aug 2004
Posts: 435
Likes: 83
From: Northern Arkansas
Car: 1982 MSE, 1988 S10 Blazer
Engine: 305 in both!
Transmission: 200c / Th700r4
Axle/Gears: 3:73 / 3.42
Re: Stand Alone dual fan control for my 86

Yes, the Volvo switch will control the HI and LO......and has a third pin that just goes to ground. The fans will get direct battery current and since the relays are controlled by a SWITCHED on (ignition power), there is a complete cut of power and no fan 'run-on' .
Reply
Related Topics
Thread
Thread Starter
Forum
Replies
Last Post
DiabloWS6
Cooling
12
Mar 30, 2012 04:46 PM
85Iroc-Z
Cooling
7
Aug 28, 2008 05:15 PM
Jaxom
DIY PROM
11
Jan 20, 2007 11:59 PM
drain89
Cooling
1
Dec 26, 2003 11:11 AM
britered86transam
TPI
1
Apr 14, 2002 06:15 PM




All times are GMT -5. The time now is 11:03 PM.