Tech / General Engine Is your car making a strange sound or won't start? Thinking of adding power with a new combination? Need other technical information or engine specific advice? Don't see another board for your problem? Post it here!
Sponsored by:
Sponsored by: CARiD

Mr Gasket Dipstick inaccurate reading???

Thread Tools
 
Search this Thread
 
Old Apr 25, 2020 | 11:32 PM
  #1  
82Firebird5.0's Avatar
Thread Starter
Member
 
Joined: Oct 2019
Posts: 169
Likes: 4
Car: 1982 Firebird
Engine: 5.0 LG4
Transmission: 200C
Axle/Gears: 2.73 open diff
Mr Gasket Dipstick inaccurate reading???

I bought a new dipstick for my car since I broke the stock one trying to get it to work with my headers. It said it was for passenger side mount, small block Chevy passenger cars from 1980-1982. It had a more adjustable bracket so I was able to get it to fit fine. I checked the oil when I first added some and it showed a little less than half between the full and add line. But when I checked later, it was actually higher. So I have no clue where the oil level is supposed to be. I broke in the cam for 20 mins, and have put maybe 40 miles on the car. Car is a carbed 1982 LG4 with 98,500 miles. I was going to change at 99k to get all the break in material out. Do you guys think it’s used any oil because I have no idea where it should be on the stick. Car hasn’t smelled like burning oil but I don’t want to risk my engine. The funny part is that it’s about the same length as the stock one, it’s just more straight up and down and less bent than the stock one.
Reply
Old Apr 26, 2020 | 01:20 AM
  #2  
Drew's Avatar
Supreme Member
25 Year Member
Liked
Loved
Community Favorite
iTrader: (58)
 
Joined: Jul 1999
Posts: 20,310
Likes: 1,066
From: Salina, KS
Re: Mr Gasket Dipstick inaccurate reading???

When you change the oil, put in five qts, run the engine a bit, let it cool and check the dipstick. It should come up to the full cold mark.
Reply
Old Apr 26, 2020 | 09:48 AM
  #3  
sofakingdom's Avatar
Supreme Member
20 Year Member
Community Builder
iTrader: (1)
 
Joined: Sep 2005
Posts: 27,896
Likes: 2,436
Car: Yes
Engine: Usually
Transmission: Sometimes
Axle/Gears: Behind me somewhere
Re: Mr Gasket Dipstick inaccurate reading???

If it doesn't match the mark on the stick, add a new mark.
Reply
Old Apr 26, 2020 | 11:22 AM
  #4  
82Firebird5.0's Avatar
Thread Starter
Member
 
Joined: Oct 2019
Posts: 169
Likes: 4
Car: 1982 Firebird
Engine: 5.0 LG4
Transmission: 200C
Axle/Gears: 2.73 open diff
Re: Mr Gasket Dipstick inaccurate reading???

Originally Posted by sofakingdom
If it doesn't match the mark on the stick, add a new mark.
do you think it would’ve burned off much oil after 20 minute break in at 2000 rpm and maybe 40 miles of driving? I was going to change it 500 miles after breakin so at 99k. I don’t want to run it low between then I wish I had paid more attention to the reading when I installed the new dipstick. The part that bothers me is that the sticks and tubes are the same length, but the factory tube is curved a lot more. Seems like they should read about the same. I put in 5 qts before break in and I haven’t smelled burning oil and it doesn’t smoke so I don’t know what to do
Reply
Old Apr 26, 2020 | 11:23 AM
  #5  
Tuned Performance's Avatar
Sponsor
20 Year Member
Community Builder
Community Influencer
Community Favorite
iTrader: (94)
 
Joined: Dec 2004
Posts: 16,754
Likes: 996
From: Mile High Country !!!
Car: 1967 Camaro, 91 z28
Engine: Lb9
Transmission: M20
Axle/Gears: J65 pbr on stock posi 10bolt
Re: Mr Gasket Dipstick inaccurate reading???

Originally Posted by 82Firebird5.0
do you think it would’ve burned off much oil after 20 minute break in at 2000 rpm and maybe 40 miles of driving? I was going to change it 500 miles after breakin so at 99k. I don’t want to run it low between then I wish I had paid more attention to the reading when I installed the new dipstick. The part that bothers me is that the sticks and tubes are the same length, but the factory tube is curved a lot more. Seems like they should read about the same. I put in 5 qts before break in and I haven’t smelled burning oil and it doesn’t smoke so I don’t know what to do
Should still be at the full level. Make a new mark
Reply
Old Apr 26, 2020 | 11:23 AM
  #6  
82Firebird5.0's Avatar
Thread Starter
Member
 
Joined: Oct 2019
Posts: 169
Likes: 4
Car: 1982 Firebird
Engine: 5.0 LG4
Transmission: 200C
Axle/Gears: 2.73 open diff
Re: Mr Gasket Dipstick inaccurate reading???

Originally Posted by sofakingdom
If it doesn't match the mark on the stick, add a new mark.
essentialy what I’m trying to say is I’m not sure where the reading is supposed to be on the stick when it’s full, so I have no idea if it’s full or not
Reply
Old Apr 26, 2020 | 11:24 AM
  #7  
82Firebird5.0's Avatar
Thread Starter
Member
 
Joined: Oct 2019
Posts: 169
Likes: 4
Car: 1982 Firebird
Engine: 5.0 LG4
Transmission: 200C
Axle/Gears: 2.73 open diff
Re: Mr Gasket Dipstick inaccurate reading???

Originally Posted by Tuned Performance
20 months, time for a oil change
typo sorry I meant minutes
Reply
Old Apr 26, 2020 | 12:11 PM
  #8  
sofakingdom's Avatar
Supreme Member
20 Year Member
Community Builder
iTrader: (1)
 
Joined: Sep 2005
Posts: 27,896
Likes: 2,436
Car: Yes
Engine: Usually
Transmission: Sometimes
Axle/Gears: Behind me somewhere
Re: Mr Gasket Dipstick inaccurate reading???

It probably hasn't lost all that much. Look at it after another few miles and see if it's changed. If it's still about the same, then … wherever that is, is pretty much the Full mark. If it HAS changed, then, however much it changed, is how much your losing, per however many miles it took to lose it; from that it's trivial to estimate where it was when it was full before.

It's not exactly rocket science. For that matter, you could even just assume that where it is now is the 1 Quart Low mark, and don't let it get below that. For the most part, as long as you can see it on the stick, it's not SO low that it's going to hurt anything, over a short enough term that you'll be changing it the next time and can make a new Full mark if you have to.
Reply
Old Apr 26, 2020 | 04:01 PM
  #9  
82Firebird5.0's Avatar
Thread Starter
Member
 
Joined: Oct 2019
Posts: 169
Likes: 4
Car: 1982 Firebird
Engine: 5.0 LG4
Transmission: 200C
Axle/Gears: 2.73 open diff
Re: Mr Gasket Dipstick inaccurate reading???

Originally Posted by sofakingdom
It probably hasn't lost all that much. Look at it after another few miles and see if it's changed. If it's still about the same, then … wherever that is, is pretty much the Full mark. If it HAS changed, then, however much it changed, is how much your losing, per however many miles it took to lose it; from that it's trivial to estimate where it was when it was full before.

It's not exactly rocket science. For that matter, you could even just assume that where it is now is the 1 Quart Low mark, and don't let it get below that. For the most part, as long as you can see it on the stick, it's not SO low that it's going to hurt anything, over a short enough term that you'll be changing it the next time and can make a new Full mark if you have to.
the mechanic who helped me told me today that since I had the engine completely apart and all the oil was out, it needs about 5.5 qt since there’s about a half quart that isn’t drained when the oil is changed. I added a half quart and I’ll check it tomorrow morning again. If that doesn’t fix it I’ll do what you said and make a notch
Reply
Old Apr 26, 2020 | 04:06 PM
  #10  
Tuned Performance's Avatar
Sponsor
20 Year Member
Community Builder
Community Influencer
Community Favorite
iTrader: (94)
 
Joined: Dec 2004
Posts: 16,754
Likes: 996
From: Mile High Country !!!
Car: 1967 Camaro, 91 z28
Engine: Lb9
Transmission: M20
Axle/Gears: J65 pbr on stock posi 10bolt
Re: Mr Gasket Dipstick inaccurate reading???

Should be a 4 qt pan plus filter
Reply
Old Apr 26, 2020 | 04:39 PM
  #11  
8Mike9's Avatar
Supreme Member
 
Joined: Jul 1999
Posts: 5,183
Likes: 42
From: Oakdale, Ca
Car: 89 IrocZ
Engine: L98-ish
Transmission: 700R4
Re: Mr Gasket Dipstick inaccurate reading???

Originally Posted by 82Firebird5.0
I bought a new dipstick for my car since I broke the stock one trying to get it to work with my headers. It said it was for passenger side mount, small block Chevy passenger cars from 1980-1982. It had a more adjustable bracket so I was able to get it to fit fine. I checked the oil when I first added some and it showed a little less than half between the full and add line. But when I checked later, it was actually higher. So I have no clue where the oil level is supposed to be. I broke in the cam for 20 mins, and have put maybe 40 miles on the car. Car is a carbed 1982 LG4 with 98,500 miles. I was going to change at 99k to get all the break in material out. Do you guys think it’s used any oil because I have no idea where it should be on the stick. Car hasn’t smelled like burning oil but I don’t want to risk my engine. The funny part is that it’s about the same length as the stock one, it’s just more straight up and down and less bent than the stock one.
The part of your post I have Bolded seems to me as if it "made oil" after the break in. Now if you checked it after it sat a bit (after filling it with oil) before you started it, that would be about normal before all the oil got into the pan.
Reply
Old Apr 26, 2020 | 04:52 PM
  #12  
NoEmissions84TA's Avatar
Supreme Member
5 Year Member
Liked
Loved
Community Favorite
iTrader: (1)
 
Joined: Feb 2017
Posts: 4,174
Likes: 569
From: Meriden, CT 06451
Car: 84 TA orig. 305 LG4 "H" E4ME
Engine: 334 SBC - stroked 305 M4ME Q-Jet
Transmission: upgraded 700R4 3200 stall
Axle/Gears: 10bolt 4.10 Posi w Lakewood TA Bars
Re: Mr Gasket Dipstick inaccurate reading???

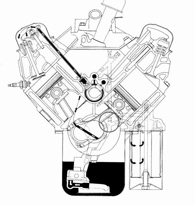
Question: Since so many aftermarket dipsticks are off and many use pans with larger capacities, with the engine sitting level, what is the target level that the oil should come up to? I know that you don't want the level so high that the crank counterweights beat air into the oil.
Use this pic for reference:



Last edited by NoEmissions84TA; Apr 26, 2020 at 05:17 PM.
Reply
Old Apr 26, 2020 | 05:10 PM
  #13  
NoEmissions84TA's Avatar
Supreme Member
5 Year Member
Liked
Loved
Community Favorite
iTrader: (1)
 
Joined: Feb 2017
Posts: 4,174
Likes: 569
From: Meriden, CT 06451
Car: 84 TA orig. 305 LG4 "H" E4ME
Engine: 334 SBC - stroked 305 M4ME Q-Jet
Transmission: upgraded 700R4 3200 stall
Axle/Gears: 10bolt 4.10 Posi w Lakewood TA Bars
Re: Mr Gasket Dipstick inaccurate reading???

Here is my stock oil pan (sitting level) with 4 quarts of water poured in it.
FULL - the "Full" mark on the dipstick.
WT - is where the additional windage tray sits.
CAP - is the bottom of the MAIN caps.
4 - is the mark with 4 quarts poured in.





Last edited by NoEmissions84TA; Apr 26, 2020 at 05:15 PM.
Reply
Old Apr 26, 2020 | 07:59 PM
  #14  
Drew's Avatar
Supreme Member
25 Year Member
Liked
Loved
Community Favorite
iTrader: (58)
 
Joined: Jul 1999
Posts: 20,310
Likes: 1,066
From: Salina, KS
Re: Mr Gasket Dipstick inaccurate reading???

Sometimes I'm just thrilled that my cars all have factory style engines, stock oil pans, stock dipsticks, etc. Makes everything so much easier when you can just refer to the owner's manual.
Reply
Related Topics
Thread
Thread Starter
Forum
Replies
Last Post
bensbaby
Tech / General Engine
3
Aug 7, 2016 10:56 AM
555
Tech / General Engine
9
Mar 31, 2011 06:08 PM
IROCtheThird
Tech / General Engine
3
Sep 24, 2009 01:30 PM
clewis
Tech / General Engine
4
Jan 12, 2009 08:23 PM
Brandon Crawfor
Tech / General Engine
3
Aug 30, 2006 09:15 PM




All times are GMT -5. The time now is 02:24 PM.