Cooling Discuss all of the aspects of cooling that you can think of! Radiators, transmissions, electric fans, etc.

Dirt cheap dual speed dual cooling fan setup

Thread Tools
 
Search this Thread
 
Old Jul 21, 2023 | 08:09 AM
  #1  
theraymondguy's Avatar
Thread Starter
Member
5 Year Member
Liked
Loved
Community Favorite
 
Joined: Jun 2020
Posts: 488
Likes: 116
Dirt cheap dual speed dual cooling fan setup

I had installed a nice set of TPI cooling fans on my low option LG4 firebird. I handmade the harness, one new relay per fan as you’d expect (bosch and four season); electric choke as my switched power for each of the relays and individual temp switches for each relay provided the ground (‘89 TTA), one in the thermostat neck and one in the passenger cylinder head (JET coil and standard switches).

This ran well for about a season, then I started experiencing switch failures (always the thermostat neck switch). I’d also noted I could hear the oe choke relay cycling erratically as the car would warm up. Disappointingly, there wasn’t much between the operating temps of the two switches either, I’d hoped the two different locations would provide more of a “step” or staged input - to some degree, the thermostat switch actuated first but the cylinder head switch was never far behind. This allowed the engine to heat soak itself and the car itself. No good. Out it came and back went the factory clutch fan and shroud. The car runs cool as can be with the ancient technology, and with the constant air movement from the fan the engine compartment itself is much cooler.

However, the feeble 305 is notably got less power with the clutch fan and it kind of kills me to shelve these parts because I’ve already got time and money involved.

On the hunt for inspiration I was watching LSXMatt on YouTube, when I run out of Camaro and Trans Am content I watch the Tahiti videos, a high mileage early 2000 something Tahoe that single handedly has confirmed every 4L60e fable I’ve ever heard. He was doing a clutch fan to electric dual speed, dual cooling fan swap for improved AC and power gains, right where I wanted to be. I found a pre made aftermarket harness on Amazon that makes the install dead simple.

I do want low speed function at all times with the engine running to help cool the engine compartment and in turn the cabin. I found a post here on thirdgen where one of the members had suggested using an oil pressure switch as a trigger. Bam. I’m off to the races. I’ll use the oil pressure switch to operate low speed and the cylinder head switch for high (less affected by cooling from fans).

Ive received the 99-07(?) Amazon harness, a 1/8th npt tee and i’m off to the junk yard this morning to liberate a 94Amp alternator and oil pressure switch from an ‘84 bonneville.






Last edited by theraymondguy; Jul 21, 2023 at 08:17 AM.
Reply
Old Jul 21, 2023 | 12:38 PM
  #2  
skinny z's Avatar
Supreme Member
20 Year Member
Liked
Loved
Community Favorite
 
Joined: Dec 2005
Posts: 9,917
Likes: 884
From: 53.0907° N, 113.4695° W
Re: Dirt cheap dual speed dual cooling fan setup

What brand were the switches? What were the on/off points?
One would think that the cylinder head switch would close first seeing as it's between two exhaust valves.
I'm in the process of reworking my own wiring for the fans and have been researching switches.

Now, with regards to the oil pressure switch running the full time fan. Why bother? Connect the wire for the relay coil directly into an ignition socket in the fuse block. There are specific connectors that'll fit into specific socket shape. Turn the key on, turn the fan on.

At one time I had a two position switch that I could toggle between temperature switch operation or always on. It was especially useful on track days when I wanted to cool the rad between rounds. These days , that function is handled by a digital temperature controller.

Here's the link to my thread on temperature switches. It also morphed into power distribution and relay centres.

https://www.thirdgen.org/forums/electronics/785734-looking-fan-temperature-switch.html

Last edited by skinny z; Jul 21, 2023 at 01:27 PM.
Reply
Old Jul 21, 2023 | 01:29 PM
  #3  
theraymondguy's Avatar
Thread Starter
Member
5 Year Member
Liked
Loved
Community Favorite
 
Joined: Jun 2020
Posts: 488
Likes: 116
Re: Dirt cheap dual speed dual cooling fan setup

Originally Posted by skinny z
What brand were the switches? What were the on/off points?
One would think that the cylinder head switch would close first seeing as it's between two exhaust valves.
I'm in the process of reworking my own wiring for the fans and have been researching switches.

Now, with regards to the oil pressure switch running the full time fan. Why bother? Connect the wire for the relay coil directly into an ignition socket in the fuse block. There are specific connectors that'll fit into specific socket shape. Turn the key on, turn the fan on.

Here's the link to my thread on temperature switches. It also morphed into power distribution and relay centres.

https://www.thirdgen.org/forums/elec...re-switch.html
switches are from Standard, TS-136. Temp range is 212 on 203 off. My experience was more like 205 on, 195 off.

My car has no other available switched ignition source under the hood that I can connect to directly and I refuse to cut it up. Using oil pressure means no additional wiring, I can hide all my work in factory appearing convoluted tube. Again I’m looking to take advantage of the cooling from the fans to reduce under hood and cabin temps.

Last edited by theraymondguy; Jul 21, 2023 at 01:32 PM.
Reply
Old Jul 21, 2023 | 02:30 PM
  #4  
skinny z's Avatar
Supreme Member
20 Year Member
Liked
Loved
Community Favorite
 
Joined: Dec 2005
Posts: 9,917
Likes: 884
From: 53.0907° N, 113.4695° W
Re: Dirt cheap dual speed dual cooling fan setup

Yeah. I understand the switch ratings aren't what they're cracked up to be.
Question though: Why so hot?
Last go round for me was 185/199 or 180/195 with a 180 stat. I'm thinking that's too hot. I might make a move to a 160 stat and reduce the switch temps accordingly.
FTR, this is an old school carbed car. Nothing fancy.

As for cutting anything up, there's more than enough room to push a wire through an existing opening at the firewall.
That said, this is all up to you obviously.
Where have you mounted the relays? Where is power coming from for those? Curious because as I mentioned, I'm looking to change up my own cooling circuits and am considering a new power distribution/relay centre combination right at the battery. Tight. Compact. Short wires lengths.
​​​Something like this.



Last edited by skinny z; Jul 21, 2023 at 03:20 PM.
Reply
Old Jul 21, 2023 | 08:17 PM
  #5  
theraymondguy's Avatar
Thread Starter
Member
5 Year Member
Liked
Loved
Community Favorite
 
Joined: Jun 2020
Posts: 488
Likes: 116
Re: Dirt cheap dual speed dual cooling fan setup

Originally Posted by skinny z
Yeah. I understand the switch ratings aren't what they're cracked up to be.
Question though: Why so hot?
Last go round for me was 185/199 or 180/195 with a 180 stat. I'm thinking that's too hot. I might make a move to a 160 stat and reduce the switch temps accordingly.
FTR, this is an old school carbed car. Nothing fancy.

As for cutting anything up, there's more than enough room to push a wire through an existing opening at the firewall.
That said, this is all up to you obviously.
Where have you mounted the relays? Where is power coming from for those? Curious because as I mentioned, I'm looking to change up my own cooling circuits and am considering a new power distribution/relay centre combination right at the battery. Tight. Compact. Short wires lengths.
​​​Something like this.
I chewed through the Amazon sw555 switches like candy. Junk. The TTA switch is about the lowest temp you’ll get for an oem application and is well made. They want the coolant temp high enough to get rid of condensation in the block.

I’m fussy about electrical in my cars (everything actually) if I can’t make it look factory I won’t do it. I have 4th Gen battery cables which provides a 6 ga positive and ground cable for auxiliary power. My car is carbed with no a/c, lots of room for a small dual ANL fuse block on the passenger side frame rail.

Later third gen FI f body cars had a small distribution block on the passenger side forward of the battery but it’s pretty useless due to the small openings.

I am and will continue to run the 160 thermostat. With the slow speed dual fans running continuously the high speed will only be for extended idling / low speed.
Reply
Old Jul 21, 2023 | 10:23 PM
  #6  
tom3's Avatar
Supreme Member
20 Year Member
Liked
Loved
Community Favorite
 
Joined: Jan 2004
Posts: 2,322
Likes: 100
From: So. Ohio
Car: 88 Camaro
Engine: L98 350
Transmission: 700r4
Re: Dirt cheap dual speed dual cooling fan setup

I like the oil pressure switch for this turn on as it doesn't have the fans running when hitting the starter. Don't want any un-needed draw at that point usually.
Reply
Old Jul 22, 2023 | 12:10 PM
  #7  
skinny z's Avatar
Supreme Member
20 Year Member
Liked
Loved
Community Favorite
 
Joined: Dec 2005
Posts: 9,917
Likes: 884
From: 53.0907° N, 113.4695° W
Re: Dirt cheap dual speed dual cooling fan setup

Originally Posted by theraymondguy
I chewed through the Amazon sw555 switches like candy. Junk. The TTA switch is about the lowest temp you’ll get for an oem application and is well made. They want the coolant temp high enough to get rid of condensation in the block.

I’m fussy about electrical in my cars (everything actually) if I can’t make it look factory I won’t do it. I have 4th Gen battery cables which provides a 6 ga positive and ground cable for auxiliary power. My car is carbed with no a/c, lots of room for a small dual ANL fuse block on the passenger side frame rail.

Later third gen FI f body cars had a small distribution block on the passenger side forward of the battery but it’s pretty useless due to the small openings.

I am and will continue to run the 160 thermostat. With the slow speed dual fans running continuously the high speed will only be for extended idling / low speed.
Yes. Seems the switches are a crap shoot at best. I had great results with my 1st switch but can't recall the manufacturer (20+ years back). But the single wire porcelain socket got smashed up over time. I also found the plastic push on connector didn't like the heat between the header tubes. Any replacement I get will have a single threaded stud. Then I can make a solid mechanical connection and heat shield it discreetly.

The reason I brought up the why so hot question on your switches is that you had mentioned fighting under hood heat and the subsequent transfer to the cabin. My thinking was that (and seeing as you have a 160° stat), that having the fans switch on at a lower temp will result in a cooler rad. I suppose though that if the one fan is always on, then that's as cool as you're going to get. Makes sense.

I like that idea of those 4th gen battery cables. That's exactly what I'd be building for that PDM I posted above. Two by #6 directly from the battery to the passenger fender. If I can get a factory built piece, so much the better. Thanks for that. (Even though wiring is my stock-in-trade).

What are you using for that "small dual ANL fuse block"?
One vehicle we rewired used a Princess Auto special distribution centre on the rad support. It caught fire. Twice. We then upgraded to marine spec version.
Reply
Old Jul 28, 2023 | 03:42 PM
  #8  
theraymondguy's Avatar
Thread Starter
Member
5 Year Member
Liked
Loved
Community Favorite
 
Joined: Jun 2020
Posts: 488
Likes: 116
Re: Dirt cheap dual speed dual cooling fan setup

Originally Posted by skinny z
Yes. Seems the switches are a crap shoot at best. I had great results with my 1st switch but can't recall the manufacturer (20+ years back). But the single wire porcelain socket got smashed up over time. I also found the plastic push on connector didn't like the heat between the header tubes. Any replacement I get will have a single threaded stud. Then I can make a solid mechanical connection and heat shield it discreetly.

The reason I brought up the why so hot question on your switches is that you had mentioned fighting under hood heat and the subsequent transfer to the cabin. My thinking was that (and seeing as you have a 160° stat), that having the fans switch on at a lower temp will result in a cooler rad. I suppose though that if the one fan is always on, then that's as cool as you're going to get. Makes sense.

I like that idea of those 4th gen battery cables. That's exactly what I'd be building for that PDM I posted above. Two by #6 directly from the battery to the passenger fender. If I can get a factory built piece, so much the better. Thanks for that. (Even though wiring is my stock-in-trade).

What are you using for that "small dual ANL fuse block"?
One vehicle we rewired used a Princess Auto special distribution centre on the rad support. It caught fire. Twice. We then upgraded to marine spec version.
Im planning to use a generic anl fuse block. It’s rated and equipped for dual 60A circuits. I’ll be powering both fans off one fuse, retaining the harness fuses at 30A each. It’s not from PA, but I’ve seen it branded by many names (stinger etc). I plan to paint the inside of the cover black to hide the gaudy gold. Not even Oliver’s wants that gold.

The install is slowly underway. Still running the stock 78A alternator, but it’ll do until my upgraded 12si arrives.

I had to disassemble the relay bases and rotate them 180* so the mounts would lay flat on the rail as shown. I’ll be installing a threadsert (threaded rivet) into the frame rail to locate the relays.

The harness has 2 grounds, one is installed on the swing arm pivot mount, the other currently on the alternator bracket. I’ll have the trigger harness follow the alternator charge cable to reach the oil pressure switch and coolant temp switch.










Last edited by theraymondguy; Jul 28, 2023 at 03:47 PM.
Reply
Old Jul 28, 2023 | 06:23 PM
  #9  
skinny z's Avatar
Supreme Member
20 Year Member
Liked
Loved
Community Favorite
 
Joined: Dec 2005
Posts: 9,917
Likes: 884
From: 53.0907° N, 113.4695° W
Re: Dirt cheap dual speed dual cooling fan setup

That's a mean looking fuse block. And I agree on the gold. Bling is not my thing.
That said, with the relays mounted on the frame rail and the inline fuses for the fans brings me back around to the PDM I posted earlier. Like you, I've relays over here and fuses over there and FWIW, very little of it looks OEM. It's functional and all (as mine has been for decades) but the notion of having the fuses and relays in one compact block, which by the way takes up less space than the three relays you have on the frame, to me, really cleans it up.
I'm interested to see your finished result. I have the same OEM dual fans waiting on a shelf but fitment to the aftermarket rad and top support complicated the installation and It's been in limbo for a few years now (as has the car itself).
Not sure what your original relay arrangement was but one of my Camaros had the fan relay mounted on the rad support, passenger side. I don't recall where the power came from though. It was obviously fused but I don't recall where the fuse was. It may have been from the main harness and via a fusible link at the starter much like the heater blower is wired in my current ride. Something too that will change as I'm aiming to get rid of all of the fusible links.
Reply
Old Jul 29, 2023 | 11:23 AM
  #10  
theraymondguy's Avatar
Thread Starter
Member
5 Year Member
Liked
Loved
Community Favorite
 
Joined: Jun 2020
Posts: 488
Likes: 116
Re: Dirt cheap dual speed dual cooling fan setup

Not going to plan. 40A fuse blows when 1st speed is engaged. Harness pins out exactly as shown in several YouTube videos.

I notice the Volvo dual fan relay has made it to the engine compartment.


Reply
Old Jul 29, 2023 | 12:52 PM
  #11  
skinny z's Avatar
Supreme Member
20 Year Member
Liked
Loved
Community Favorite
 
Joined: Dec 2005
Posts: 9,917
Likes: 884
From: 53.0907° N, 113.4695° W
Re: Dirt cheap dual speed dual cooling fan setup

Originally Posted by theraymondguy
40A fuse blows...
That to me sounds like a dead short. That is if it blows instantly on engagement. If it takes a several seconds, could be a defective fan motor.
I think I missed the wiring diagram along the way.
Reply
Old Jul 29, 2023 | 01:43 PM
  #12  
theraymondguy's Avatar
Thread Starter
Member
5 Year Member
Liked
Loved
Community Favorite
 
Joined: Jun 2020
Posts: 488
Likes: 116
Re: Dirt cheap dual speed dual cooling fan setup

Originally Posted by skinny z
That to me sounds like a dead short. That is if it blows instantly on engagement. If it takes a several seconds, could be a defective fan motor.
I think I missed the wiring diagram along the way.
I think it’s within the Chinese relays. I’ve gone through the harness twice, I can power the fans in series through the harness no problem. It’s frustrated me enough, the Volvo relay is going in. Cleaner install, but no 2 speed.

at least until I can find a factory harness.



Last edited by theraymondguy; Jul 29, 2023 at 01:49 PM.
Reply
Old Jul 29, 2023 | 01:54 PM
  #13  
skinny z's Avatar
Supreme Member
20 Year Member
Liked
Loved
Community Favorite
 
Joined: Dec 2005
Posts: 9,917
Likes: 884
From: 53.0907° N, 113.4695° W
Re: Dirt cheap dual speed dual cooling fan setup

Originally Posted by theraymondguy
I think it’s within the Chinese relays. I’ve gone through the harness twice, I can power the fans in series through the harness no problem. It’s frustrated me enough, the Volvo relay is going in. Cleaner install, but no 2 speed.
Chinese relays failing? Say it isn't so!
Much like the off shore fuse block I mentioned earlier with several ATM style fuses sockets. Yep. Rated for 60 amps. Catches fire with considerable less...

The guy I'm posting a tag to has some real insights (I hope you don't mind my bringing him in). It looks to be you're going ahead but what he's got to offer for me (whether I go through him or otherwise) really opened my eyes as to what's out there. And the best of quality too from what I've seen.
I backed into a fortunate situation in that the Dakota temp controller I bought years ago has infinite on and off set points as well as dual fan capabilities. I hadn't realized it's full potential until I started looking for the temp switches we discussed earlier in this thread. I just need to address how I'm going to lay out the power distribution and relay arrangement.

Be sure to post with your finished product.

@vorteciroc
Reply
Old Jul 29, 2023 | 04:21 PM
  #14  
vorteciroc's Avatar
Supreme Member
15 Year Member
Loved
Community Favorite
Top Answer: 1
 
Joined: Jul 2006
Posts: 2,863
Likes: 788
From: 212 is up in this Bit@#
Car: Resto-Mod 1987 IROC-Z Clone
Engine: Alky fed L92 Vortec Twin-Turbo 6.8L
Transmission: My own built/ design 4L80M
Axle/Gears: Custom 12 bolt (4.10:1)
Re: Dirt cheap dual speed dual cooling fan setup

I have soo many questions....

Here goes:

-Are those 3rd-Gen Fans (if so each can pull 30A on Start-up... Thats 60A if both start together)?
-Are you using those Horrible 2-post Circuit-Breakers (it looks that way in the Drawing that you created)?
-What Gauge, Type, and Quality of Wire are you using?
-What Brand and Model of Relays are you using (saldy sometimes the best Relays we can get are Chinese)?
-Most all Relays have a much lower Ampacity Rating on the N.C. Terminal... so you must be very careful here not to exceed this Rating, or select Relays intended for higher Amperage Draw.

-I would highly advise a similar "Dirt Cheep" Wiring Project for the future.
-I would also segregate the Positive Triggers (#86) to an alternate Power Source.

Let me know what you have, and I'll follow up here later.

Last edited by vorteciroc; Jul 29, 2023 at 04:25 PM.
Reply
Old Jul 29, 2023 | 06:37 PM
  #15  
theraymondguy's Avatar
Thread Starter
Member
5 Year Member
Liked
Loved
Community Favorite
 
Joined: Jun 2020
Posts: 488
Likes: 116
Re: Dirt cheap dual speed dual cooling fan setup

Originally Posted by vorteciroc
I have soo many questions....

Here goes:

-Are those 3rd-Gen Fans (if so each can pull 30A on Start-up... Thats 60A if both start together)?
-Are you using those Horrible 2-post Circuit-Breakers (it looks that way in the Drawing that you created)?
-What Gauge, Type, and Quality of Wire are you using?
-What Brand and Model of Relays are you using (saldy sometimes the best Relays we can get are Chinese)?
-Most all Relays have a much lower Ampacity Rating on the N.C. Terminal... so you must be very careful here not to exceed this Rating, or select Relays intended for higher Amperage Draw.

-I would highly advise a similar "Dirt Cheep" Wiring Project for the future.
-I would also segregate the Positive Triggers (#86) to an alternate Power Source.

Let me know what you have, and I'll follow up here later.
I am an a$$hat.

My apologies have been sent to @vorteciroc








Last edited by theraymondguy; Aug 12, 2023 at 06:24 PM.
Reply
Old Jul 29, 2023 | 06:58 PM
  #16  
skinny z's Avatar
Supreme Member
20 Year Member
Liked
Loved
Community Favorite
 
Joined: Dec 2005
Posts: 9,917
Likes: 884
From: 53.0907° N, 113.4695° W
Re: Dirt cheap dual speed dual cooling fan setup

I invited vorteciroc to the party as I appreciate his insights and knowledge on the newest connectivity and parts available for this kind of project. I was interested in what he had to say as I've a similar project planned (I may have have mentioned twenty times already!).
I also appreciate what's been done by theraymond.
Still looking forward to the results.
Reply
Old Jul 29, 2023 | 08:44 PM
  #17  
theraymondguy's Avatar
Thread Starter
Member
5 Year Member
Liked
Loved
Community Favorite
 
Joined: Jun 2020
Posts: 488
Likes: 116
Re: Dirt cheap dual speed dual cooling fan setup

Originally Posted by skinny z
I invited vorteciroc to the party as I appreciate his insights and knowledge on the newest connectivity and parts available for this kind of project. I was interested in what he had to say as I've a similar project planned (I may have have mentioned twenty times already!).
I also appreciate what's been done by theraymond.
Still looking forward to the results.
I apologize, heavy handed on my part. The idea of using a prefab harness was hoping to eliminate a plethora of crimps and have a seamless setup with the appropriate gauge of wire and fusing throughout - specifically where Vortec Iroc was headed I’m sure.

The quality of components supplied with this harness was abysmal, but it did offer the appropriate gauge of wire throughout, appropriate lengths and quite honestly looked the part.

I did consider remaking the harness to suit weather pack relays I had on hand - however just as Vortec Iroc mentioned, the relays I had on hand had the exact issue he mentioned - reduced current capacity on the normally closed side.

I will keep my eyes open at the junkyard for a clean 99-07 harness and replace the Volvo relay with that setup - the goal to move air over the entire rad with a limited draw on the charging system - for less money than the painless 3 relay harness and retain gm appearance.
Reply
Old Jul 30, 2023 | 08:37 AM
  #18  
Aaron R.'s Avatar
Supreme Member
20 Year Member
Liked
Loved
Community Favorite
 
Joined: Oct 2004
Posts: 1,056
Likes: 310
From: Missouri
Car: 1985 Z28
Engine: 305 LG4
Transmission: T5
Axle/Gears: 3.42
Re: Dirt cheap dual speed dual cooling fan setup

It seems like the title of this thread is no longer even remotely accurate.....
Reply
Old Jul 30, 2023 | 10:39 AM
  #19  
skinny z's Avatar
Supreme Member
20 Year Member
Liked
Loved
Community Favorite
 
Joined: Dec 2005
Posts: 9,917
Likes: 884
From: 53.0907° N, 113.4695° W
Re: Dirt cheap dual speed dual cooling fan setup

Originally Posted by Aaron R.
It seems like the title of this thread is no longer even remotely accurate.....
Such is the nature of the hobby.
Reply
Old Aug 10, 2023 | 01:43 PM
  #20  
theraymondguy's Avatar
Thread Starter
Member
5 Year Member
Liked
Loved
Community Favorite
 
Joined: Jun 2020
Posts: 488
Likes: 116
Re: Dirt cheap dual speed dual cooling fan setup

Originally Posted by skinny z
Such is the nature of the hobby.
Preach brother.

Back to the wrecking yard, found 5 trucks with e fans and harnesses, all had the fuse panels cut out.

for 5 6, I’ve waisted my $5 entry fee. Or did I?

1997 Cadillac D’elegance, Northstar 32V - dual cooling fans and tucked under the rad, 3 relays…





This appears to be wired very similarly to the aftermarket harness I had bought (and returned) from Amazon. Bosch relays, OE gauge wiring… unfortunately some **** had cut the (Correct for third gen TPI) fan connections off, but no worries, I will install my own pigtails.

Same car donated maxi sized 30A circuit breakers and a few spare harness clamps.

Even cheaper than the Amazon harness.

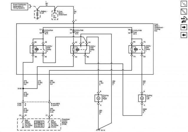
I will have to locate a switched ignition, but otherwise this diagram from our ugly sister (corvette) is perfect.










Last edited by theraymondguy; Aug 10, 2023 at 03:04 PM.
Reply
Old Aug 19, 2023 | 09:52 AM
  #21  
theraymondguy's Avatar
Thread Starter
Member
5 Year Member
Liked
Loved
Community Favorite
 
Joined: Jun 2020
Posts: 488
Likes: 116
Re: Dirt cheap dual speed dual cooling fan setup

I’ve gone forward with the oil pressure actuated battery voltage supply to the Cadillac dual speed dual cooling fan relay coils using an under hood light harness. It has a built in fusible link and is fused with a glass SFE-4 4 amp fuse. This is plug and play into the factory harness and offers a piggy back / parallel plug if your car is blessed with A/C.

I’ve had the circuit running for about a week now;

The fans turn on at 100* C according to the factory gauges, but you’d never know aside from the reduction in temperature by comparison to my previous single speed dual fan setup.

The voltage gauge doesn’t drop hardly at all (78A alternator with a slightly smaller than stock pulley), the alternator doesn’t whine. Cooling is effective, cycles fans off from low speed at idle in gear when heat soaked in about 2 minutes.

Highly recommend setup for a near stock appearing install on a mildly built engine. I would think it’s certainly offers enough efficiency to handle more power than my car makes (standard radiator, 305 LG4 204/214 cam, TH700R4) or equipped with A/C.






Reply
Old Aug 19, 2023 | 11:58 AM
  #22  
skinny z's Avatar
Supreme Member
20 Year Member
Liked
Loved
Community Favorite
 
Joined: Dec 2005
Posts: 9,917
Likes: 884
From: 53.0907° N, 113.4695° W
Re: Dirt cheap dual speed dual cooling fan setup

That's tidy looking. The setup near the battery is similar to my own although that's where my fusing is rather than the relays. This is something I'll address.
I've bailed entirely on the fusible links though (or will be in the final iteration). Fuses I have spares of. Links? Not so much. But that's just me.

Nice installation. It does look OEM in appearance.

I'd forgotten what the under hood looked like on my 84 LG4 Z28. Simple and uncluttered relatively speaking. Wish I still had that car. The early years are still favourites of mine.
EDIT: I suppose technically your 85 falls into the later years category. I think the Canadian cars held on to carburetors a year or two longer that the US counterparts. That accounts for that simplicity.

Last edited by skinny z; Aug 19, 2023 at 12:08 PM.
Reply
Old Aug 21, 2023 | 08:08 PM
  #23  
theraymondguy's Avatar
Thread Starter
Member
5 Year Member
Liked
Loved
Community Favorite
 
Joined: Jun 2020
Posts: 488
Likes: 116
Re: Dirt cheap dual speed dual cooling fan setup

Originally Posted by skinny z
That's tidy looking. The setup near the battery is similar to my own although that's where my fusing is rather than the relays. This is something I'll address.
I've bailed entirely on the fusible links though (or will be in the final iteration). Fuses I have spares of. Links? Not so much. But that's just me.

Nice installation. It does look OEM in appearance.

I'd forgotten what the under hood looked like on my 84 LG4 Z28. Simple and uncluttered relatively speaking. Wish I still had that car. The early years are still favourites of mine.
EDIT: I suppose technically your 85 falls into the later years category. I think the Canadian cars held on to carburetors a year or two longer that the US counterparts. That accounts for that simplicity.
I’m not a fan of fusible links either, but oem plugs… just can’t get enough. Fusing for high current circuits needs to be as close to the battery as possible. My simple in line fuses are close to the rad on the frame rail currently, I plan to swap them out with a distribution block setup that can incorporate my amplifier fuse as well. Preferably maxi sized so I can recycle the Cadillac fan circuit breakers, just need to find a 3 position unit that doesn’t look like something out of a gum ball machine.

Reply
Old Aug 21, 2023 | 08:37 PM
  #24  
skinny z's Avatar
Supreme Member
20 Year Member
Liked
Loved
Community Favorite
 
Joined: Dec 2005
Posts: 9,917
Likes: 884
From: 53.0907° N, 113.4695° W
Re: Dirt cheap dual speed dual cooling fan setup

Originally Posted by theraymondguy
...just need to find a 3 position unit that doesn’t look like something out of a gum ball machine.
Check out Littlefuse. They have a catalogue full of what I'm looking for. And from the sounds of it, you too.
Compact. High current capacity. Lots of variations of a theme.
The catalogue cut posted below will at the very least provide room for 3 (or more) 40 amp relays and enough fusing to handle the 8-10 circuits I want to rework so as to eliminate the links (4) and the 3 inline fuses I have at the battery (much like yours). And plenty of room for spares. (30 slots available with 250 amp total capability).




Looks to be priced at less than 60 bucks too. CDN at that through Digi key. (That is if my memory serves).

https://www.littelfuse.com/media?res...ries-datasheet

Catalogue link below:

https://www.littelfuse.com/products/...wired-pdm.aspx

Last edited by skinny z; Aug 21, 2023 at 09:25 PM.
Reply
Old Aug 25, 2023 | 10:49 AM
  #25  
theraymondguy's Avatar
Thread Starter
Member
5 Year Member
Liked
Loved
Community Favorite
 
Joined: Jun 2020
Posts: 488
Likes: 116
Re: Dirt cheap dual speed dual cooling fan setup

Originally Posted by skinny z
Check out Littlefuse. They have a catalogue full of what I'm looking for. And from the sounds of it, you too.
Compact. High current capacity. Lots of variations of a theme.
The catalogue cut posted below will at the very least provide room for 3 (or more) 40 amp relays and enough fusing to handle the 8-10 circuits I want to rework so as to eliminate the links (4) and the 3 inline fuses I have at the battery (much like yours). And plenty of room for spares. (30 slots available with 250 amp total capability).




Looks to be priced at less than 60 bucks too. CDN at that through Digi key. (That is if my memory serves).

https://www.littelfuse.com/media?res...ries-datasheet

Catalogue link below:

https://www.littelfuse.com/products/...wired-pdm.aspx
the littlefuse produce us very good, however they don’t offer maxi fuse panels as standalone that I’ve found.

our main product line at my work has a bussman/littlefuse pdm that’d be perfect for an ls swap - if the 305 packs it in.







Last edited by theraymondguy; Aug 25, 2023 at 10:54 AM.
Reply
Old Aug 25, 2023 | 11:07 AM
  #26  
skinny z's Avatar
Supreme Member
20 Year Member
Liked
Loved
Community Favorite
 
Joined: Dec 2005
Posts: 9,917
Likes: 884
From: 53.0907° N, 113.4695° W
Re: Dirt cheap dual speed dual cooling fan setup

What are you describing as a maxi-fuse? Seems the interwebs have more than one interpretation.

The distribution module you've posted is pretty slick. Looks to be something I'd see when working on some level of construction equipment like a loader or forklift.
Reply
Old Aug 25, 2023 | 10:43 PM
  #27  
theraymondguy's Avatar
Thread Starter
Member
5 Year Member
Liked
Loved
Community Favorite
 
Joined: Jun 2020
Posts: 488
Likes: 116
Re: Dirt cheap dual speed dual cooling fan setup

Originally Posted by skinny z
What are you describing as a maxi-fuse? Seems the interwebs have more than one interpretation.

The distribution module you've posted is pretty slick. Looks to be something I'd see when working on some level of construction equipment like a loader or forklift.

the pdm in the previous picture is used by Hyster-Yale group on 3000-15500Lb capacity lift trucks. It may be used by others as well?

Maxi fuses are like really big ATO fuses. iIn the attached picture you’ll find samples of individual and grouped maxi fuse holders, the grouped are not sealed and have no bolted terminals (which I’d need/prefer).



Reply
Related Topics
Thread
Thread Starter
Forum
Replies
Last Post
theraymondguy
Tech / General Engine
12
Aug 14, 2022 07:12 PM
Ozz1967
Cooling
4
Jan 28, 2009 04:35 PM
macinrock
Cooling
13
Apr 2, 2007 08:34 PM
raffi4
Cooling
2
Mar 18, 2004 08:01 PM
Fbird88
Electronics
6
Apr 23, 2002 07:41 PM




All times are GMT -5. The time now is 02:27 AM.