Electronics Need help wiring something up? Thinking of adding an electrical component to your car? Need help troubleshooting that wiring glitch?

89 Iroc-Z 20 Amp ACC fuse keeps blowing

Thread Tools
 
Search this Thread
 
Old Jun 15, 2022 | 04:48 PM
  #1  
Iroc588's Avatar
Thread Starter
Junior Member
5 Year Member
Liked
Loved
iTrader: (1)
 
Joined: Aug 2018
Posts: 75
Likes: 36
Car: 86 Trans Am,x2 1986 Yellow/Red Iroc
Engine: All 5.0 LB9 TPI
Transmission: Auto
89 Iroc-Z 20 Amp ACC fuse keeps blowing

Just picked up a 89 Iroc Z with the 350, the door locks, hatch release switch, dome light, rear defroster and power mirrors don’t work, when I looked under the dash I found that it was missing the 20 Amp ACC fuse, I put one in just too see if it popped and it did, I’m not very good with wiring so I’m out of my element any help would be greatly appreciated, looking underneath the dash I found that the relay for the after market hatch defroster had three wires coming out of it, one ground, one to the hatch and one wire that has one of those cylindrical fuses on it, the one with the fuse isn’t connected to anything and I cant find anywhere that it would go, next too it closer to the fire wall by the kick panel is a purple and white wire with a connector that isn’t connected to anything and I can’t find anything it would connect to either, really lost and don’t know what to do
Reply
Old Jun 15, 2022 | 06:33 PM
  #2  
vorteciroc's Avatar
Supreme Member
15 Year Member
Loved
Community Favorite
Top Answer: 1
 
Joined: Jul 2006
Posts: 2,861
Likes: 785
From: 212 is up in this Bit@#
Car: Resto-Mod 1987 IROC-Z Clone
Engine: Alky fed L92 Vortec Twin-Turbo 6.8L
Transmission: My own built/ design 4L80M
Axle/Gears: Custom 12 bolt (4.10:1)
Re: 89 Iroc-Z 20 Amp ACC fuse keeps blowing

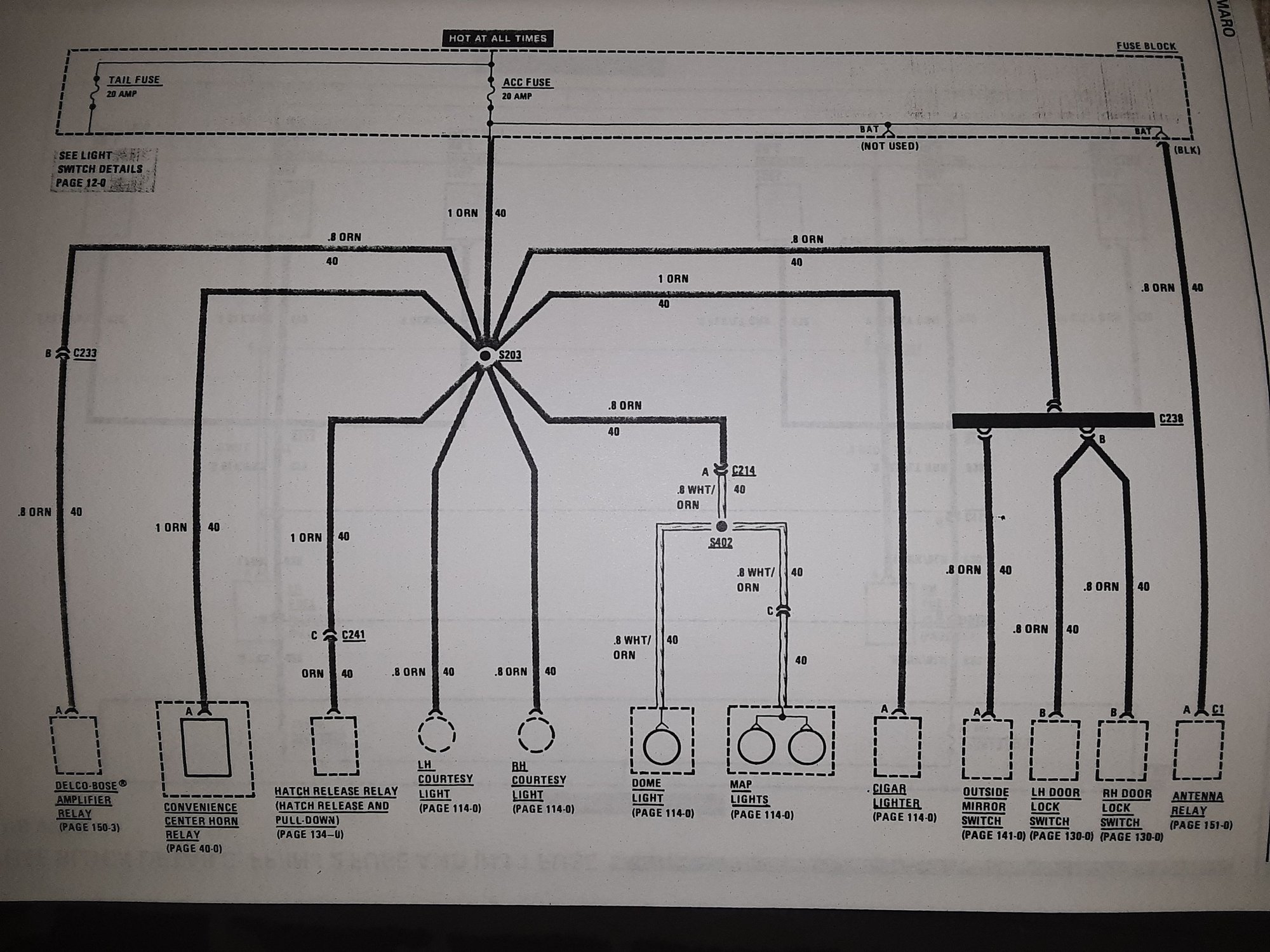
Below shows the Power-Distribution for the 1989 (1G1F Car) 20A Power-Acc. Circuit:



Reply
Old Jun 15, 2022 | 06:38 PM
  #3  
vorteciroc's Avatar
Supreme Member
15 Year Member
Loved
Community Favorite
Top Answer: 1
 
Joined: Jul 2006
Posts: 2,861
Likes: 785
From: 212 is up in this Bit@#
Car: Resto-Mod 1987 IROC-Z Clone
Engine: Alky fed L92 Vortec Twin-Turbo 6.8L
Transmission: My own built/ design 4L80M
Axle/Gears: Custom 12 bolt (4.10:1)
Re: 89 Iroc-Z 20 Amp ACC fuse keeps blowing

With ONLY Factory Information to rely on (the Schematic above that I Posted)... I always recommend disconnecting aftermarket Circuits first.
Then examine the OEM Circuits from the Schematic.

IMO a Defroster Grid should never have been installed/ powered by a 20A fuse with multiple Circuits already.
Reply
Old Jun 15, 2022 | 07:32 PM
  #4  
OrangeBird's Avatar
Supreme Member
10 Year Member
Liked
Loved
Community Favorite
iTrader: (1)
 
Joined: Feb 2012
Posts: 3,939
Likes: 801
Car: 1989 Firebird
Re: 89 Iroc-Z 20 Amp ACC fuse keeps blowing

Originally Posted by Iroc588
Just picked up a 89 Iroc Z with the 350, the door locks, hatch release switch, dome light, rear defroster and power mirrors don’t work, when I looked under the dash I found that it was missing the 20 Amp ACC fuse, I put one in just too see if it popped and it did, I’m not very good with wiring so I’m out of my element any help would be greatly appreciated, looking underneath the dash I found that the relay for the after market hatch defroster had three wires coming out of it, one ground, one to the hatch and one wire that has one of those cylindrical fuses on it, the one with the fuse isn’t connected to anything and I cant find anywhere that it would go, next too it closer to the fire wall by the kick panel is a purple and white wire with a connector that isn’t connected to anything and I can’t find anything it would connect to either, really lost and don’t know what to do

If the aftermarket defroster only has three wires, one to the hatch, one to ground, and one with a fuse, and the fused wire is disconnected, it's not at all likely that is the cause of your ACC fuse blowing. Now, with that said, I will tell you what the #1 cause usually is of the ACC fuse blowing, beyond someone hacking up the wiring with aftermarket radios/alarms, and things of the sort. The cigarette lighter socket is WELL known for being troublesome here, coins, small screws, and all manners of other electrically conductive crap seem to be attracted to ending up falling in there and shorting it. First look into it and see if anything is in there that ain't supposed to be and if you find nothing, try disconnecting the wires from it and see if your short circuit has been fixed(they fail shorted sometimes if they get overheated by someone plugging in one of those small 12V air compressors into it, for example) .
Reply
Old Jun 15, 2022 | 10:24 PM
  #5  
vorteciroc's Avatar
Supreme Member
15 Year Member
Loved
Community Favorite
Top Answer: 1
 
Joined: Jul 2006
Posts: 2,861
Likes: 785
From: 212 is up in this Bit@#
Car: Resto-Mod 1987 IROC-Z Clone
Engine: Alky fed L92 Vortec Twin-Turbo 6.8L
Transmission: My own built/ design 4L80M
Axle/Gears: Custom 12 bolt (4.10:1)
Re: 89 Iroc-Z 20 Amp ACC fuse keeps blowing

@OrangeBird made an excellent point!

That is what I get for rushing through these things and NOT reading Posts completely.
I apologize.

Those Power-Outlets/ Cigar Lighters are less and less common now... but are a constant source of Short to Ground Faults in all Vehicles.
In addition... Kids stick things in them often as well.

If you have a Multi-Meter, there are further ways to look at those Circuits.

When Head-Rest commonly had DVD/ Screens installed (10 Years ago +)...
Kids NOTORIOUSLY shoved Coins, Credit Cards, and other objects into the DVD Slots.

GM had Millions of Dollars in false Warranty Claims for the DVD Players.
You would get a phone call 6 mounts later.
GM: "Mr. so and so, I think you will want to call your Auto Ins. Co.
Your DVD Player was not defective... you have a $2,500 Bill coming in the mail.

Mr. so and so: "WHAT DO YOU MEAN NOT WARRANTY! HTF?"

GM: "Well we found 2 of Mrs. so and so's Credit Cards, and about $3.50 (TREE FIDDY) in Coins inside the DVD Player."



Mr. so and so:

Last edited by vorteciroc; Jun 15, 2022 at 11:55 PM.
Reply
Old Jun 16, 2022 | 04:15 PM
  #6  
Iroc588's Avatar
Thread Starter
Junior Member
5 Year Member
Liked
Loved
iTrader: (1)
 
Joined: Aug 2018
Posts: 75
Likes: 36
Car: 86 Trans Am,x2 1986 Yellow/Red Iroc
Engine: All 5.0 LB9 TPI
Transmission: Auto
Re: 89 Iroc-Z 20 Amp ACC fuse keeps blowing

I’ve been losing my mind the past couple days with this, I’ve checked the cig lighter, rear defrost, door locks and mirrors and still no dice, not to toot my own horn but the car is almost perfect and it sucks that none of this stuff works, i would take it to a shop but I don’t have a shop that I really trust to leave the car
Reply
Old Jun 17, 2022 | 12:30 PM
  #7  
2irocs's Avatar
Junior Member
5 Year Member
 
Joined: Jul 2020
Posts: 70
Likes: 11
From: Chesterfield Virginia
Car: 1989 Iroc Camaro
Engine: 383 Stroker-Carb Blue Print Engine
Transmission: automatic
Axle/Gears: 3.73
Re: 89 Iroc-Z 20 Amp ACC fuse keeps blowing

I would unhook everything on that 20 amp circuit...put 20amp fuse in and start connecting the plugs that you took out of the circuit one at a time and see if the 20 amp fuse blows...seems like something is grounding out...did HVAC work and that is how I would find a bad wire or grounded wire working on Heat pumps etc...you may have a frayed wire in the circuit grounding out and blowing the fuse...
Reply
Old Jun 17, 2022 | 12:39 PM
  #8  
2irocs's Avatar
Junior Member
5 Year Member
 
Joined: Jul 2020
Posts: 70
Likes: 11
From: Chesterfield Virginia
Car: 1989 Iroc Camaro
Engine: 383 Stroker-Carb Blue Print Engine
Transmission: automatic
Axle/Gears: 3.73
Re: 89 Iroc-Z 20 Amp ACC fuse keeps blowing

Also some of those plugs may be hard to get to unplug...that is what I would do may take time and patience but you may find what you are looking for and fix the fuse from blowing...
Reply
Old Jun 17, 2022 | 03:30 PM
  #9  
vorteciroc's Avatar
Supreme Member
15 Year Member
Loved
Community Favorite
Top Answer: 1
 
Joined: Jul 2006
Posts: 2,861
Likes: 785
From: 212 is up in this Bit@#
Car: Resto-Mod 1987 IROC-Z Clone
Engine: Alky fed L92 Vortec Twin-Turbo 6.8L
Transmission: My own built/ design 4L80M
Axle/Gears: Custom 12 bolt (4.10:1)
Re: 89 Iroc-Z 20 Amp ACC fuse keeps blowing

Make certain the aftermarket accessories are disconnected (Defroster, Etc).

Look at the Image I posted in Post #2.
How many of those Power-Accessories/ Options does your Car actually have?

Can you try and borrow a Multimeter?
...or even purchase a super-inexpensive one from Harbor Freight?

Take a look at the Multimeter in the Hyperlink below:
Multimeter
Reply
Old Jun 17, 2022 | 04:49 PM
  #10  
OrangeBird's Avatar
Supreme Member
10 Year Member
Liked
Loved
Community Favorite
iTrader: (1)
 
Joined: Feb 2012
Posts: 3,939
Likes: 801
Car: 1989 Firebird
Re: 89 Iroc-Z 20 Amp ACC fuse keeps blowing

Yep, alongside my expensive Fluke digital meters and my trusty ol Simpson 260, I keep a few of those cheap Harbor Freight meters around, they work great for what they are and at less than $10 a pop it's no big deal if one gets trashed.

My best advice for the HF meters is to throw away the carbon battery that comes with it and give it a nice fresh Energizer alkaline.....
Reply
Old Jun 17, 2022 | 06:06 PM
  #11  
vorteciroc's Avatar
Supreme Member
15 Year Member
Loved
Community Favorite
Top Answer: 1
 
Joined: Jul 2006
Posts: 2,861
Likes: 785
From: 212 is up in this Bit@#
Car: Resto-Mod 1987 IROC-Z Clone
Engine: Alky fed L92 Vortec Twin-Turbo 6.8L
Transmission: My own built/ design 4L80M
Axle/Gears: Custom 12 bolt (4.10:1)
Re: 89 Iroc-Z 20 Amp ACC fuse keeps blowing

Originally Posted by OrangeBird
Yep, alongside my expensive Fluke digital meters and my trusty ol Simpson 260, I keep a few of those cheap Harbor Freight meters around, they work great for what they are and at less than $10 a pop it's no big deal if one gets trashed.

My best advice for the HF meters is to throw away the carbon battery that comes with it and give it a nice fresh Energizer alkaline.....
That is actually GREAT to know!

I have yet to buy one of those Harbor Freight meters, but suggest them when nothing else is affordable...
I will add your recommendation for the future.

I highly value small details like this.
There really is little to no replacement for experience.

Thank you for sharing!

Reply
Old Jun 17, 2022 | 06:13 PM
  #12  
OrangeBird's Avatar
Supreme Member
10 Year Member
Liked
Loved
Community Favorite
iTrader: (1)
 
Joined: Feb 2012
Posts: 3,939
Likes: 801
Car: 1989 Firebird
Re: 89 Iroc-Z 20 Amp ACC fuse keeps blowing

Yes indeed, I'm happy to share my experience with them. Sure they may not be accurate to lab standards like the fluke, but for banging around under the hood looking to see if 12V is there or not, and for simple resistance measurements, they're a good under $10 solution. My last suggestion is to handle the probes with care, they are made of the thinnest wire possible and are a bit fragile, but as an electronics hobbyist I have a big box full of probes from old meters and I just grabbed one that fit when I accidentally pulled the wire out of one .
Reply
Old Jun 18, 2022 | 06:37 AM
  #13  
RBob's Avatar
Moderator
iTrader: (1)
 
Joined: Mar 2002
Posts: 18,432
Likes: 233
From: Chasing Electrons
Car: check
Engine: check
Transmission: check
Re: 89 Iroc-Z 20 Amp ACC fuse keeps blowing

It may be the cigar lighter, on my '92 it now resides in the console. The piece that gets pushed in was shorting out the socket and popping the fuse. It was so intermittent, took a long time to figure that one out. Actually got a 20A auto-reset breaker and installed it for a while.

Note that the socket is still good, use it to power a 120V inverter for the laptop.

RBob.
Reply
Related Topics
Thread
Thread Starter
Forum
Replies
Last Post
enswrob
Electronics
4
Feb 1, 2009 09:43 PM
Buck268
Interior
10
Jan 21, 2008 04:54 PM
Z03Z28
Electronics
5
Jun 1, 2006 02:43 PM
Mike-in-Orange
V6
17
Jun 19, 2005 10:30 AM
langss
Southern California Area
5
May 31, 2003 02:01 AM




All times are GMT -5. The time now is 11:59 PM.